GM Service Manual Online
For 1990-2009 cars only
Figure 1:

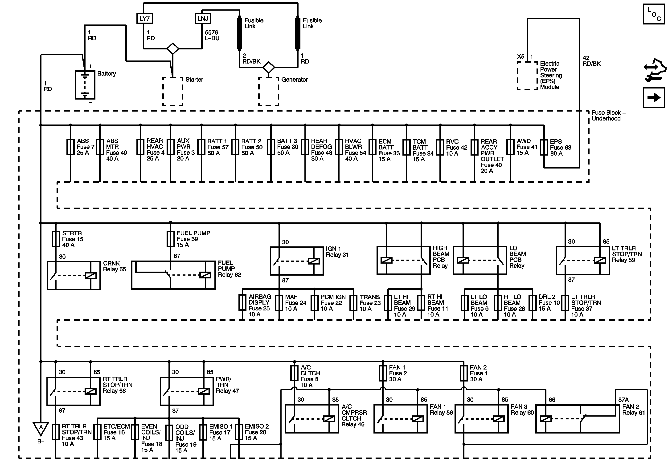
B+ BUS - 1 of 2


Object Number: 1923768  Size: FS
Master Electrical Component List
Control Module References
B+ Bus - 2 of 2
Figure 2:

B+ BUS - 2 of 2


Object Number: 1923772  Size: FS
Master Electrical Component List
Control Module References
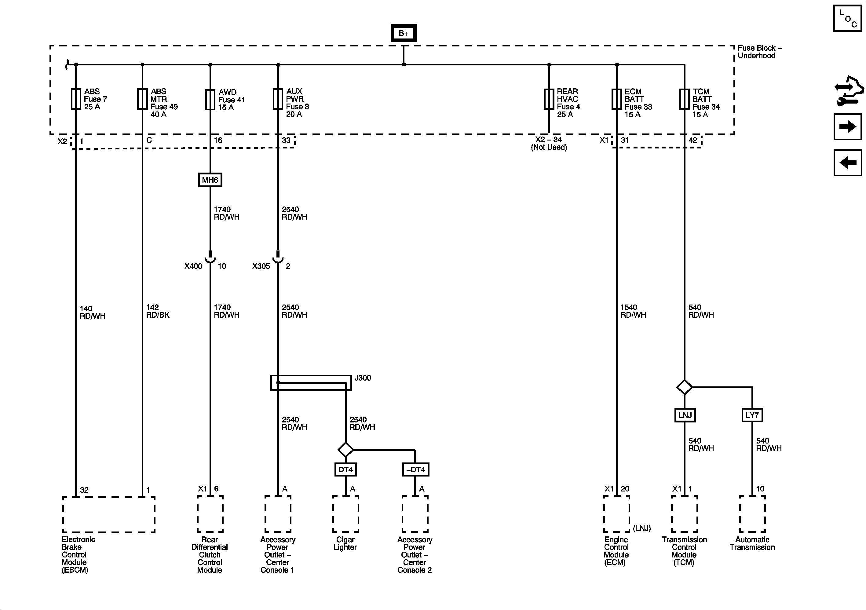
ABS, ABS MTR, AUX PWR, AWD, ECM BATT, REAR APO, REAR HVAC and TCM BATT Fuses
B+ Bus - 1 of 2
Figure 3:

ABS, ABS MTR, AUX PWR, AWD, ECM BATT, REAR HVAC, and TCM BATT Fuses


Object Number: 1923778  Size: FS
Master Electrical Component List
Control Module References
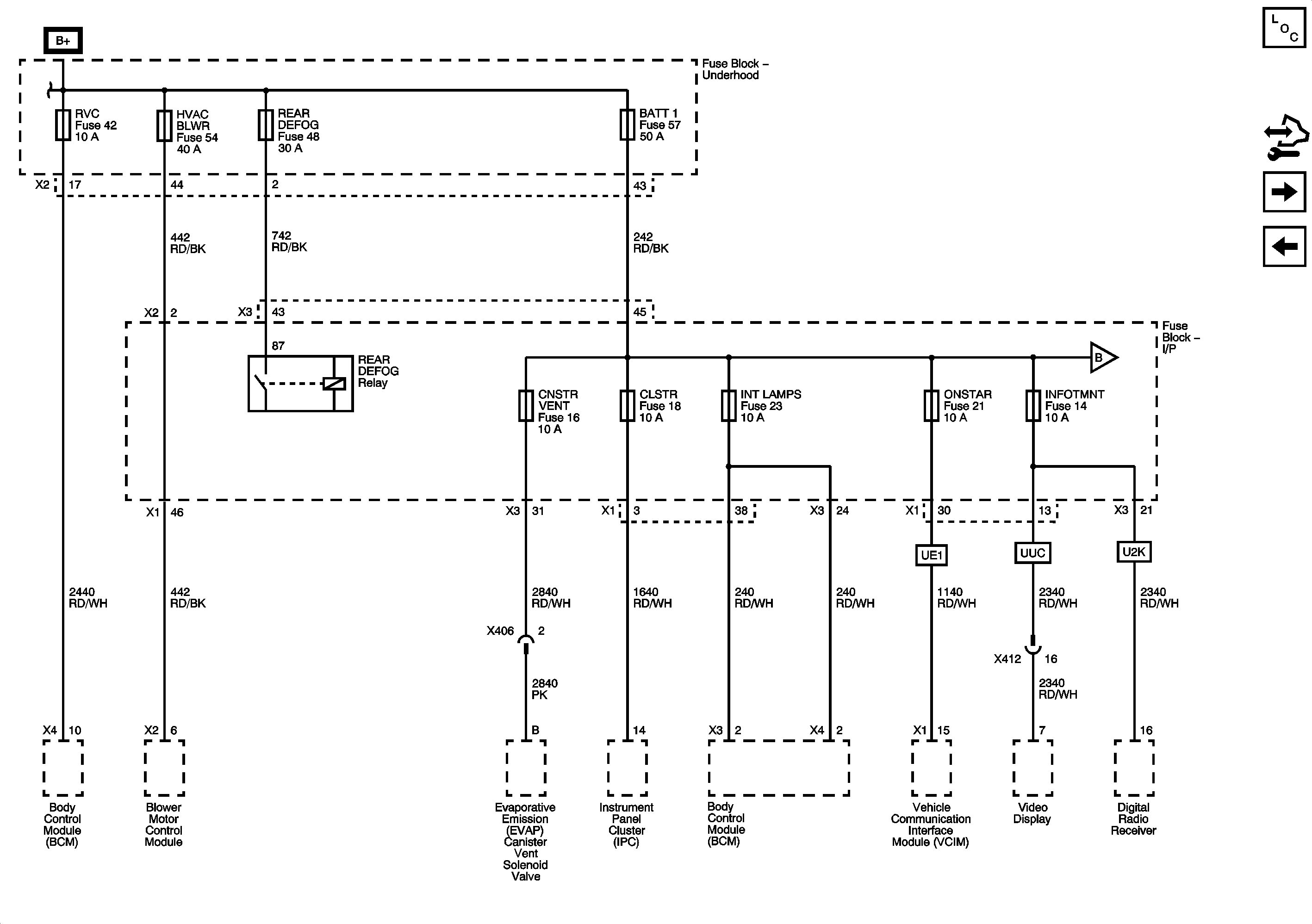
BATT 1, CNSTR VENT, CLSTR, HVAC BLWR, INFOTMNT, INT LAMP, ONSTAR, REAR DEFOG and RVC Fuses
B+ Bus - 2 of 2
Figure 4:

BATT 1, CNSTR VENT, CLSTR, HVAC BLWR, INFOTMNT, INT LAMPS, ONSTAR, REAR DEFOG and RVC Fuses


Object Number: 1923782  Size: FS
Master Electrical Component List
Control Module References
AMP, BCM, CHMSL/DM/LAMP, HVAC/RFA and RDO Fuses
ABS, ABS MTR, AUX PWR, AWD, ECM BATT, REAR APO, REAR HVAC and TCM BATT Fuses
Figure 5:

AMP, BCM, CHMSL/DM/LAMP, HVAC/RFA and RDO Fuse


Object Number: 1923789  Size: FS
Master Electrical Component List
Control Module References
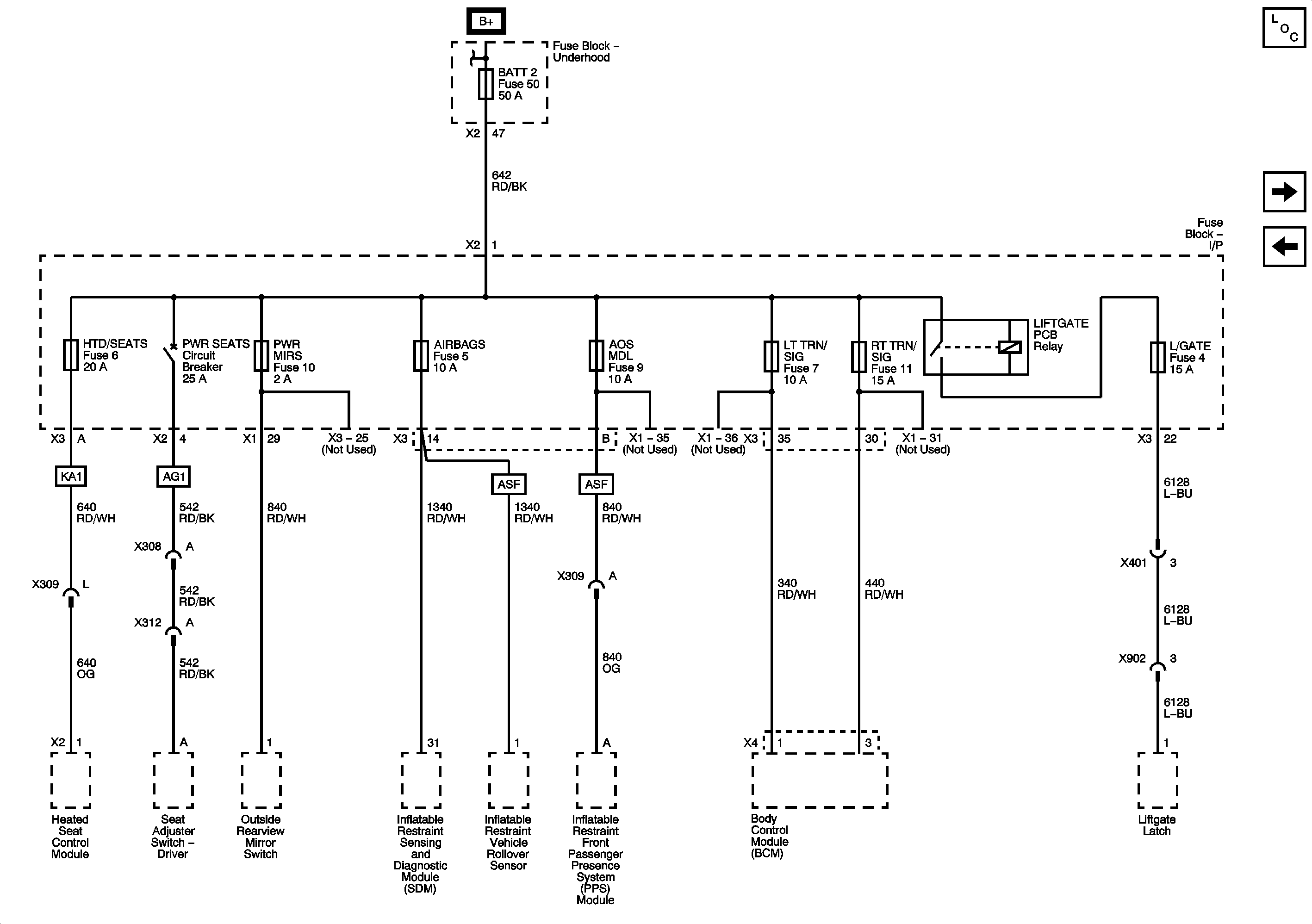
AOS MDL, BATT 2, HTD/SEATS, L/GATE, LT TRN/SIG, PWR MIRS, RT TRN/SIG and AIRBAGS Fuses and PWR SEATS Circuit Breaker
BATT 1, CNSTR VENT, CLSTR, HVAC BLWR, INFOTMNT, INT LAMP, ONSTAR, REAR DEFOG and RVC Fuses
Figure 6:

AOS MDL, BATT 2, HTD/SEATS, L/GATE, LT TRN/SIG, PWR MIRS, RT TRN/SIG and AIRBAGS Fuses and PWR SEATS Circuit Breaker


Object Number: 1923796  Size: FS
Master Electrical Component List
Control Module References
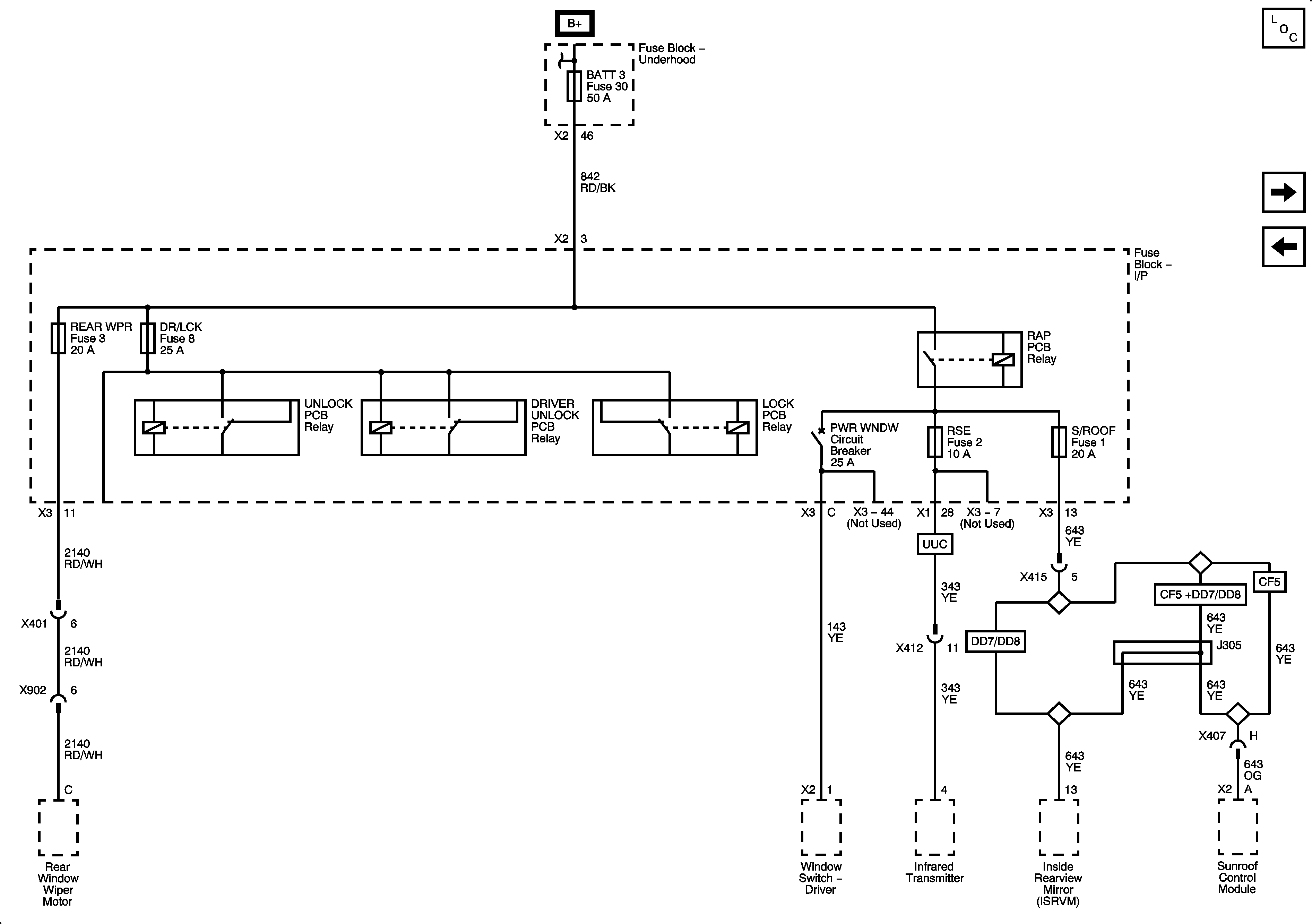
BATT 3, DR/LCK, REAR/WPR, RSE and S/ROOF Fuses and PWR WNDW Circuit Breaker
AMP, BCM, CHMSL/DM/LAMP, HVAC/RFA and RDO Fuses
Figure 7:

BATT 3, DR/LCK, REAR/WPR, RSE and S/ROOF Fuses and PWR WNDW Circuit Breaker


Object Number: 1923800  Size: FS
Master Electrical Component List
Control Module References
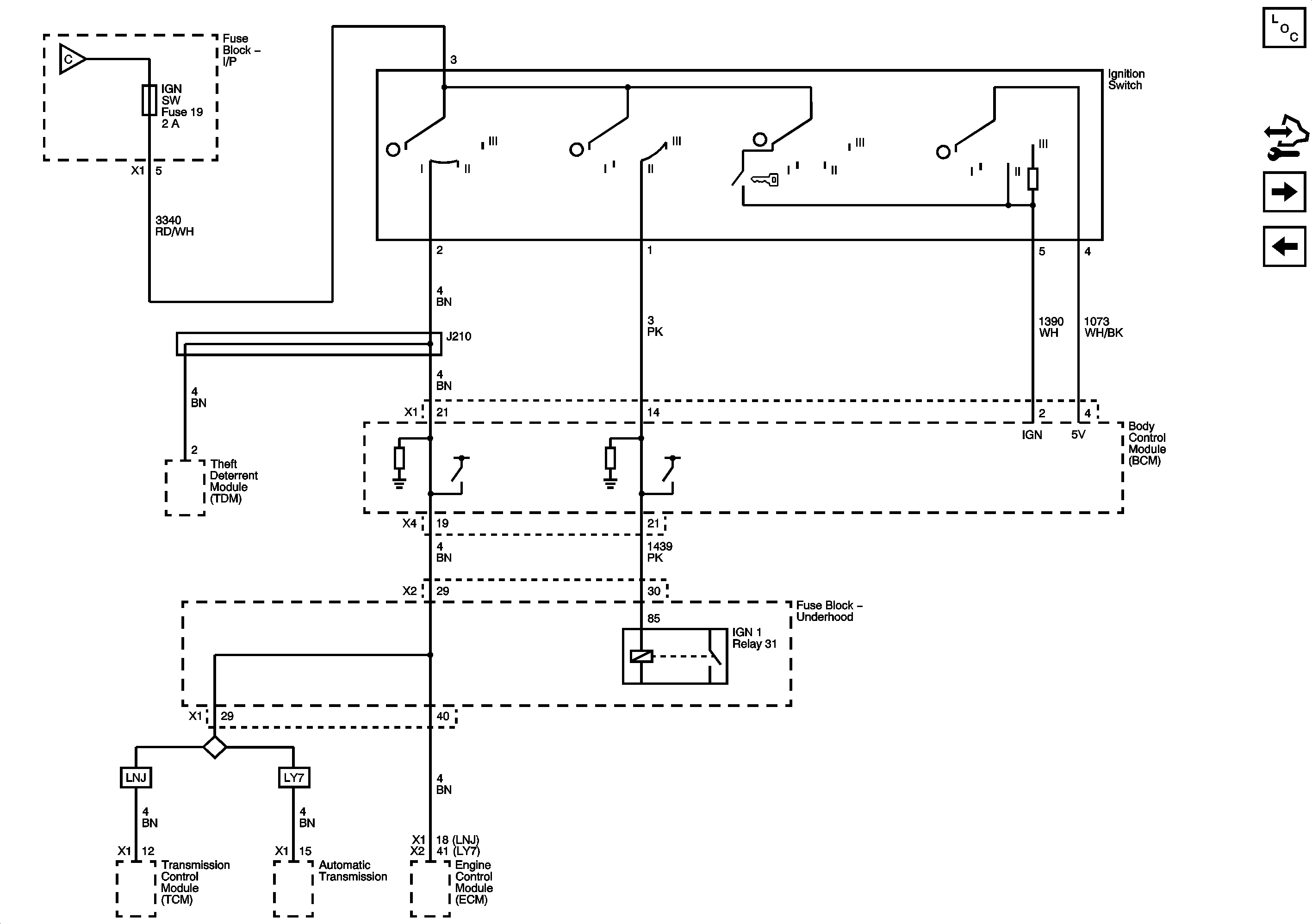
IGN SW Fuse and Ignition Switch
AOS MDL, BATT 2, HTD/SEATS, L/GATE, LT TRN/SIG, PWR MIRS, RT TRN/SIG and AIRBAGS Fuses and PWR SEATS Circuit Breaker
Figure 8:

IGN SW Fuse and Ignition Switch


Object Number: 1923805  Size: FS
Master Electrical Component List
Control Module References
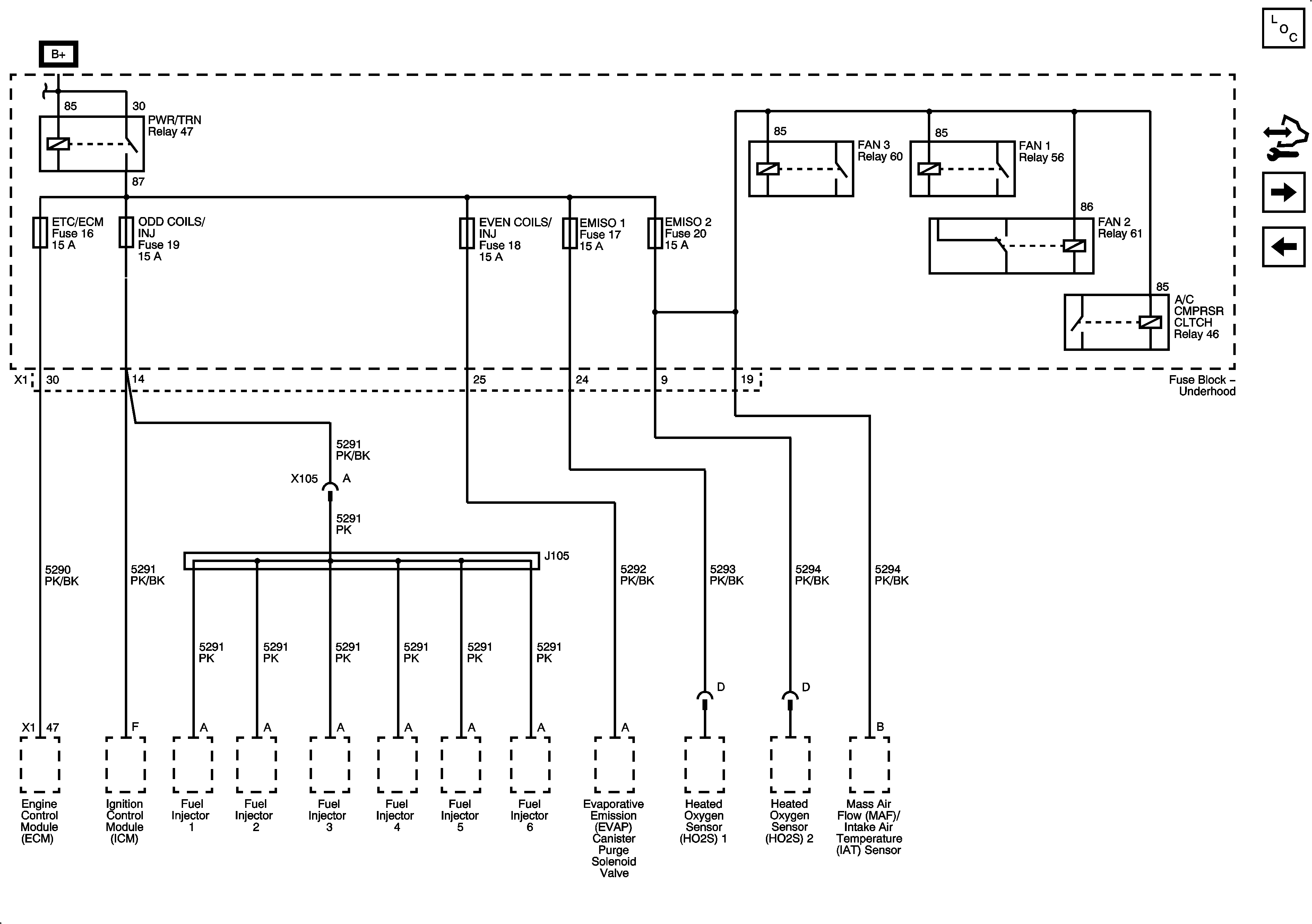
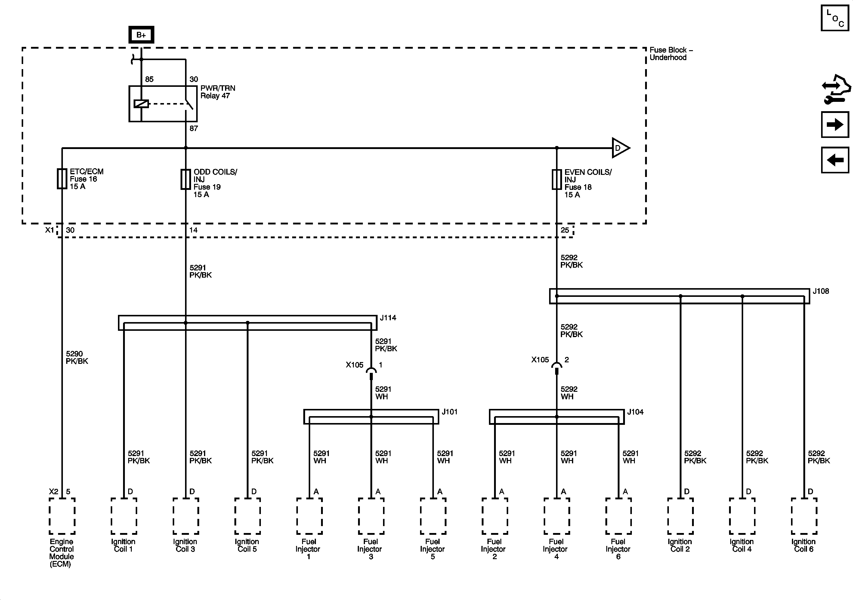
EMISO1, EMISO2, ETC/ECM, EVEN COILS/INJ and ODD COILS/INJ Fuses (LNJ)
BATT 3, DR/LCK, REAR/WPR, RSE and S/ROOF Fuses and PWR WNDW Circuit Breaker
Figure 9:

PWR/TRN RELAY , ETC/ECM, EVEN COILS/INJ and ODD COILS/INJ Fuses (LY7)


Object Number: 1958439  Size: FS
Figure 10:

EMISO1 AND EMISO2 Fuses (LY7)


Object Number: 1958446  Size: FS
Figure 11:

EMISO1, EMISO2, ETC/ECM, EVEN COILS/INJ AND ODD COILS/INJ Fuses (LNJ)


Object Number: 1923810  Size: FS
Master Electrical Component List
Control Module References
IGN 1 Relay BUS - MAF, PCM IGN, AIRBAG DISPLY and TRANS Fuses
IGN SW Fuse and Ignition Switch
Figure 12:

IGN 1 Relay Bus - MAF, PCM IGN, AIRBAG DISPLY and TRANS Fuses


Object Number: 1923815  Size: FS
Master Electrical Component List
Control Module References
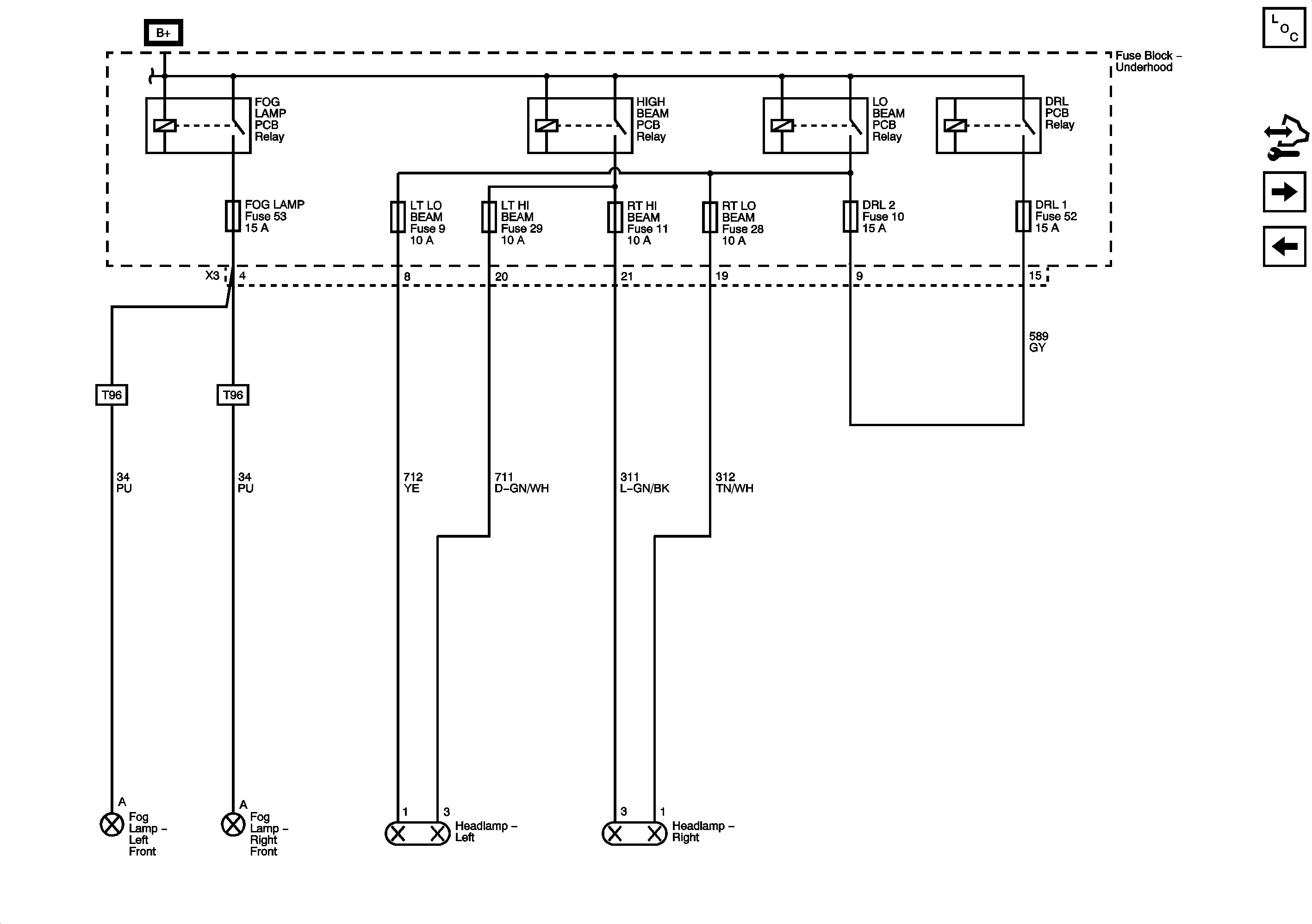
DRL 1, DRL 2, FOG LAMP, LT HI BEAM, LT LO BEAM, RT HI BEAM and RT LO BEAM Fuses
EMISO1, EMISO2, ETC/ECM, EVEN COILS/INJ and ODD COILS/INJ Fuses (LNJ)
Figure 13:

DRL 1, DRL 2, FOG LAMP, LT HI BEAM, LT LO BEAM, RT HI BEAM, and RT LO BEAM Fuses


Object Number: 1923820  Size: FS
Master Electrical Component List
Control Module References
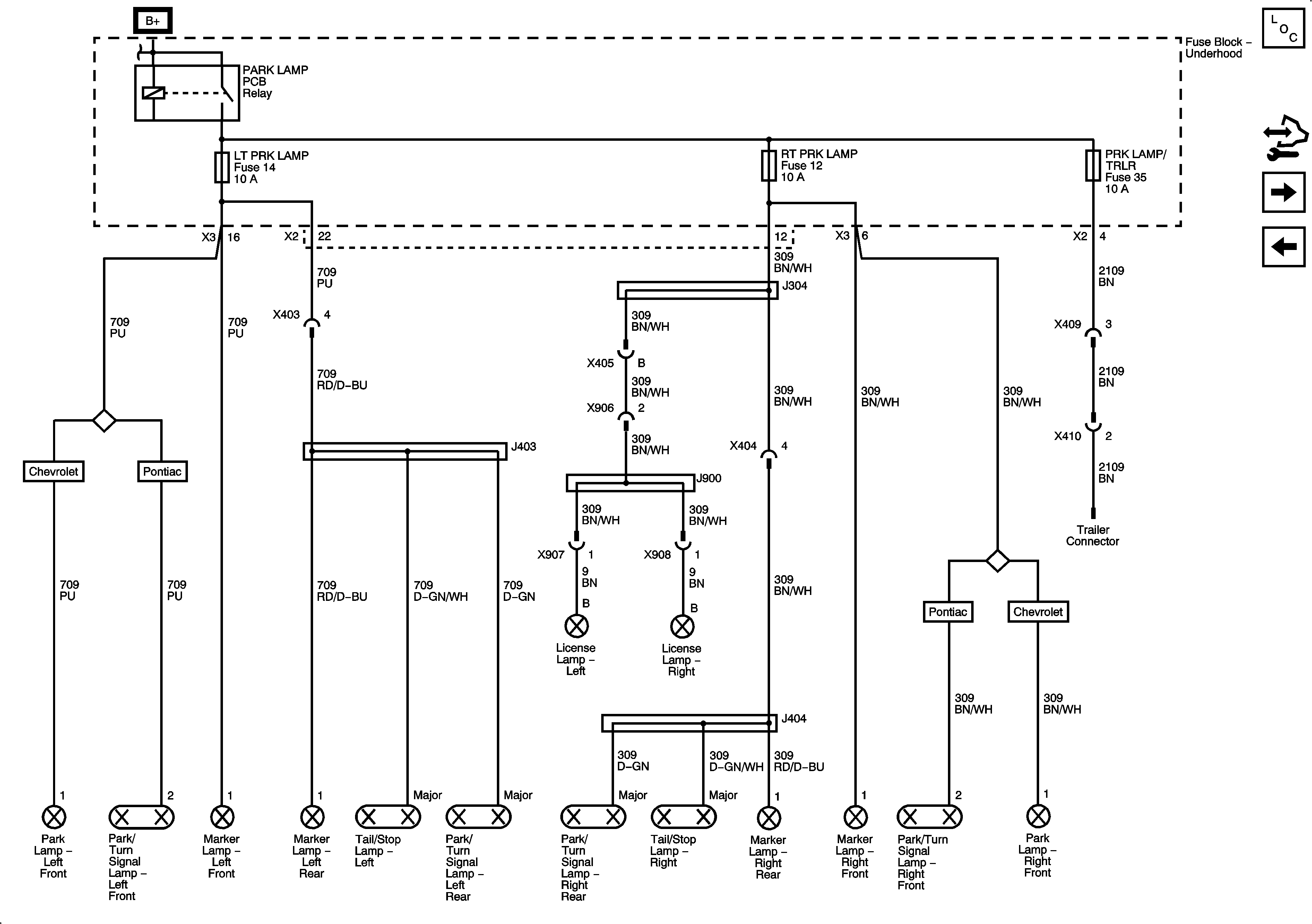
LT PRK LAMP, RT PRK LAMP and PRK LAMP TRLR Fuses
IGN 1 Relay BUS - MAF, PCM IGN, AIRBAG DISPLY and TRANS Fuses
Figure 14:

LT PRK LAMP, RT PRK LAMP and PRK LAMP/TRLR Fuses


Object Number: 1923822  Size: FS
Master Electrical Component List
Control Module References
HORN, LT TRLR STOP/TRN, RT TRLR STOP/TRN and STOP LAMP Fuses
DRL 1, DRL 2, FOG LAMP, LT HI BEAM, LT LO BEAM, RT HI BEAM and RT LO BEAM Fuses
Figure 15:

HORN, LT TRLR STOP/TRN, RT TRLR STOP/TRN and STOP LAMP Fuses


Object Number: 1923824  Size: FS
Master Electrical Component List
Control Module References
LT PRK LAMP, RT PRK LAMP and PRK LAMP TRLR Fuses