GM Service Manual Online
For 1990-2009 cars only
Makes
🢒
Pontiac
🢒
2008
🢒
Torrent
🢒
Body Systems
🢒
Vehicle Access
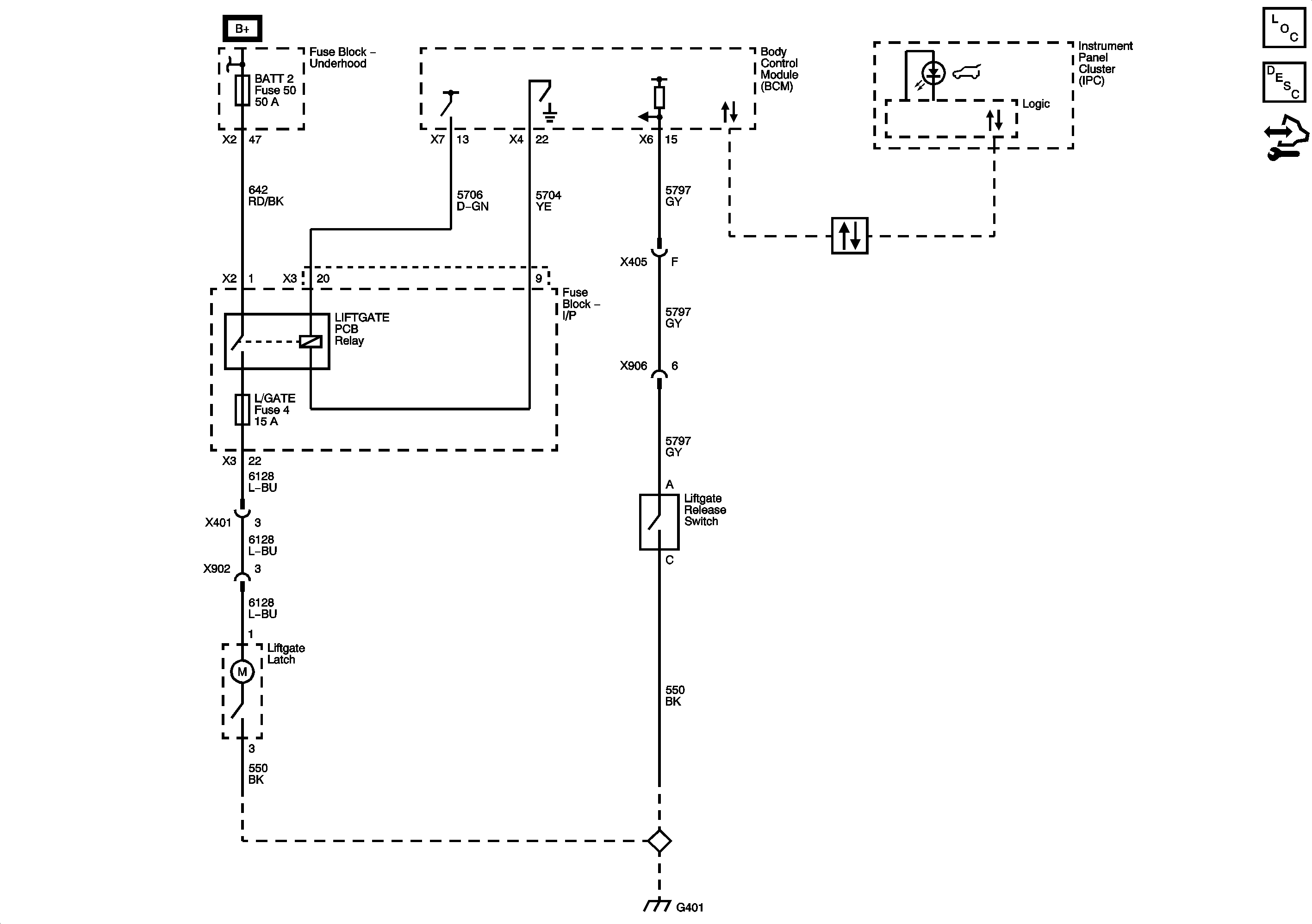
🢒 Release Systems Schematics
Master Electrical Component List
Rear Hatch/Gate Description and Operation
Control Module References