GM Service Manual Online
For 1990-2009 cars only
Figure 1:

G101


Object Number: 1923834  Size: FS
Master Electrical Component List
Control Module References
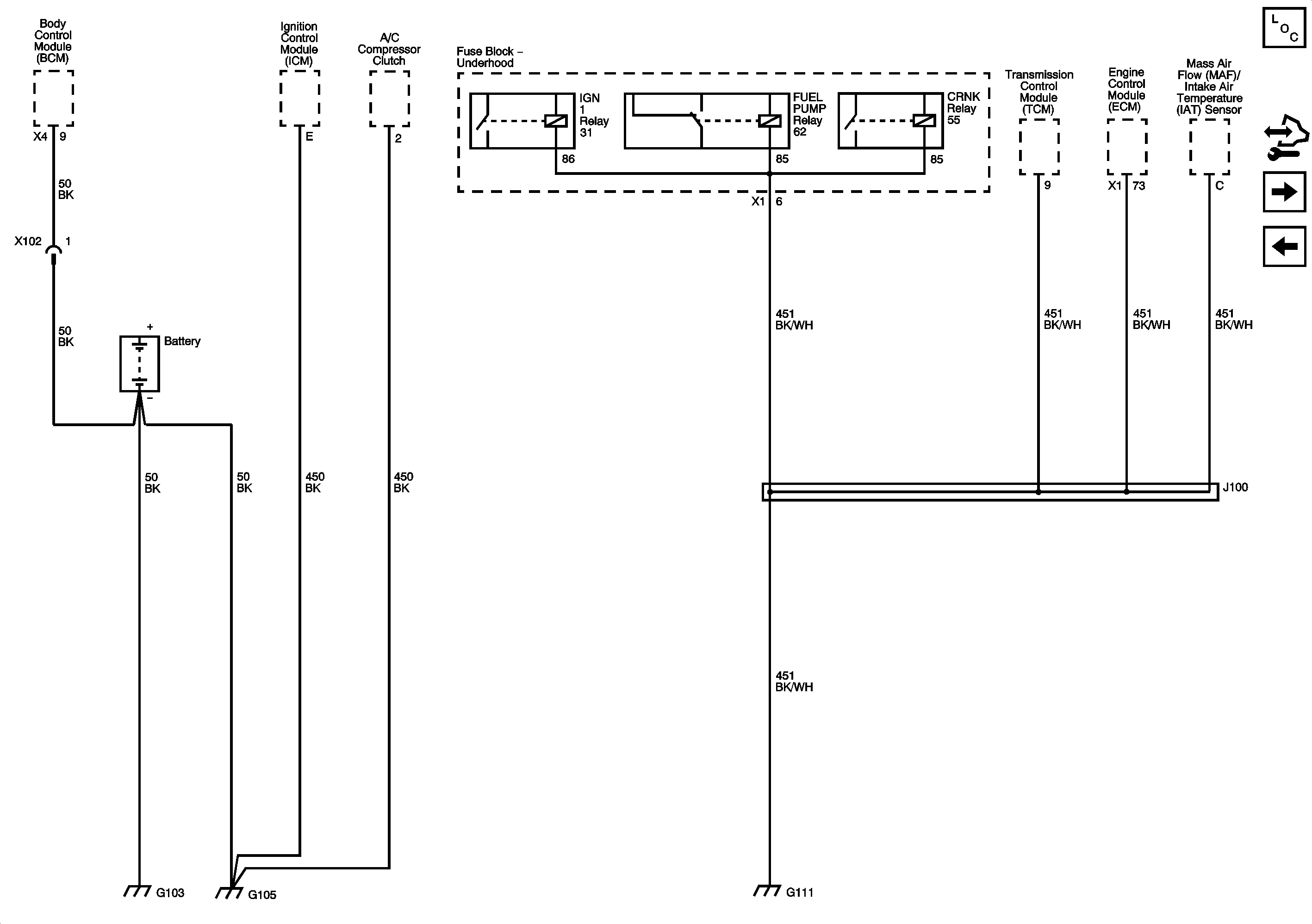
G103, G105, G111 (LNJ)
Figure 2:

G103, G105, G107, G108 and G109 (LY7)


Object Number: 1958449  Size: FS
Figure 3:

G103, G105, G111 (LNJ)


Object Number: 1923837  Size: FS
Master Electrical Component List
Control Module References
G201
G101
Figure 4:

G201


Object Number: 1923840  Size: FS
Master Electrical Component List
Control Module References
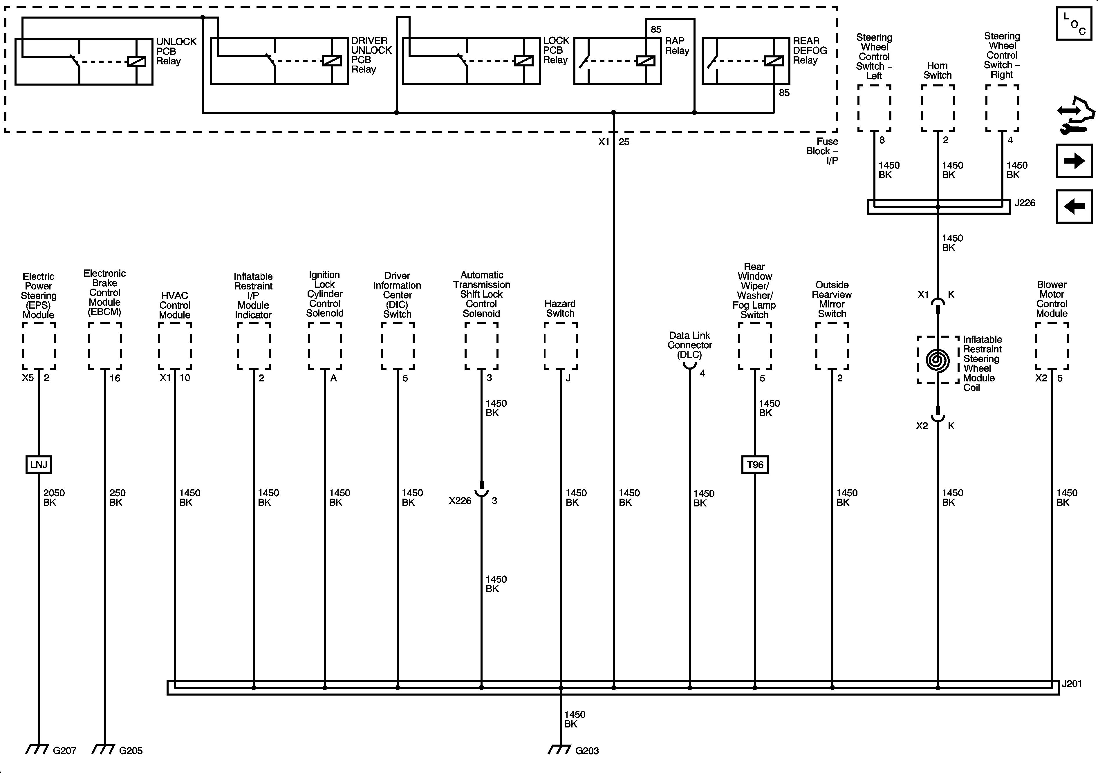
G203, G205, G207
G103, G105, G111 (LNJ)
Figure 5:

G203, G205, G207


Object Number: 1923843  Size: FS
Master Electrical Component List
Control Module References
G301
G201
Figure 6:

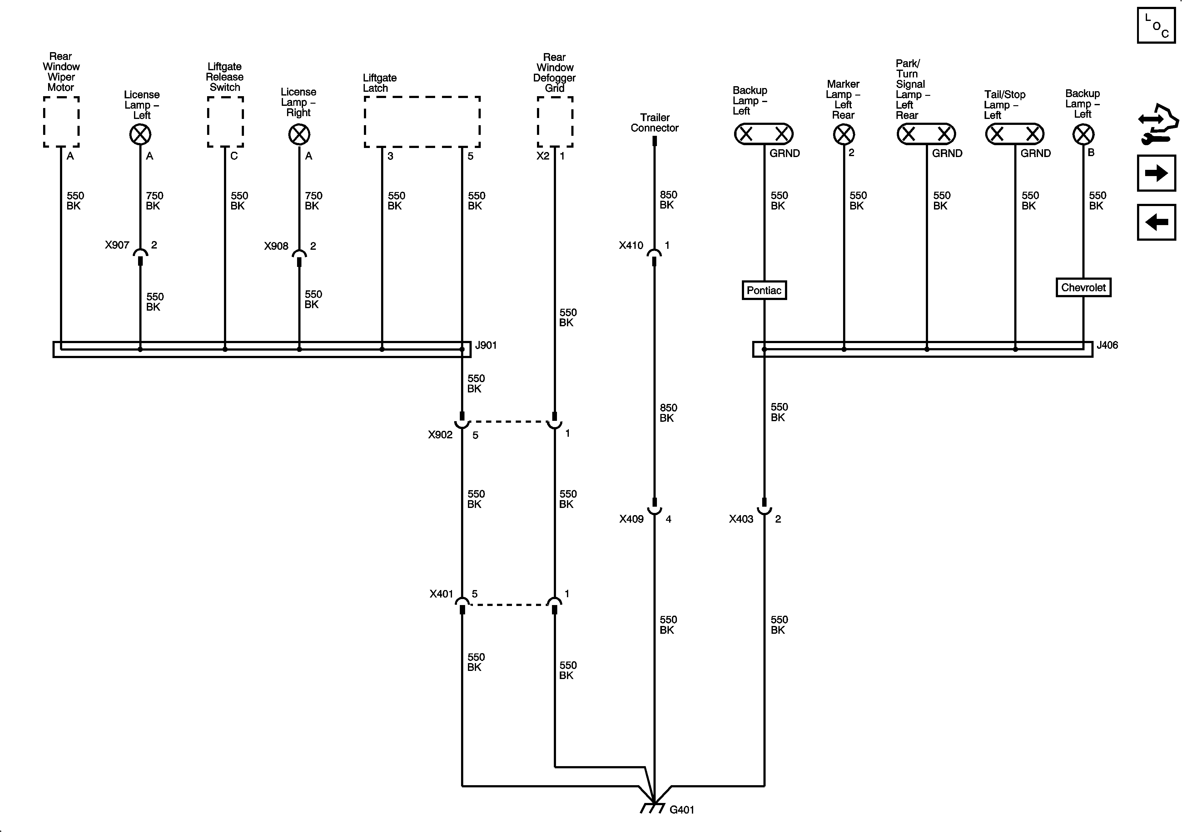
G301


Object Number: 1923846  Size: FS
Master Electrical Component List
Control Module References
G311
G203, G205, G207
Figure 7:

G311


Object Number: 1923850  Size: FS
Master Electrical Component List
Control Module References
G401
G301
Figure 8:

G401


Object Number: 1923853  Size: FS
Master Electrical Component List
Control Module References
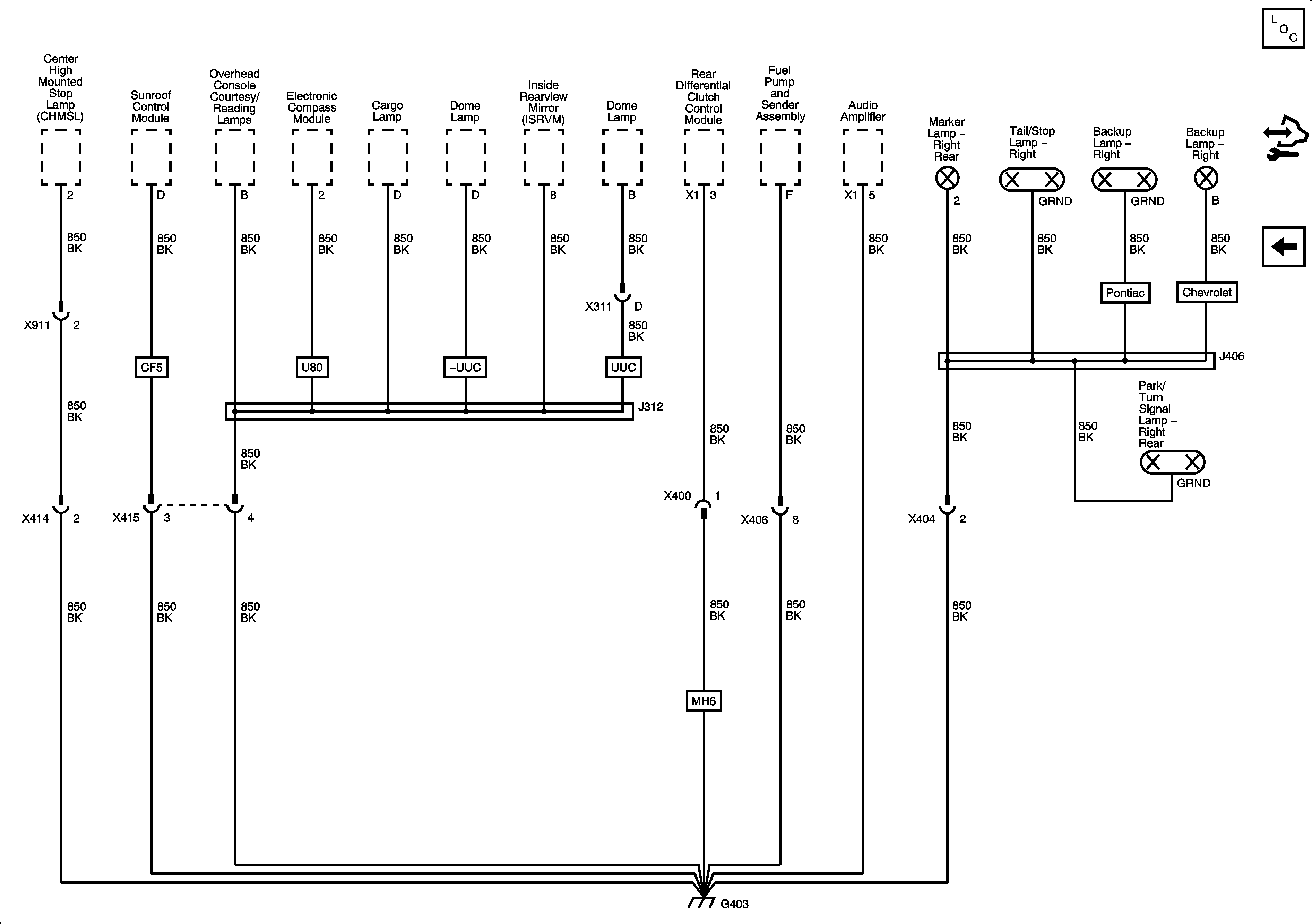
G403
G311
Figure 9:

G403


Object Number: 1923856  Size: FS
Master Electrical Component List
Control Module References
G401