GM Service Manual Online
For 1990-2009 cars only
Makes
🢒
Pontiac
🢒
2008
🢒
Torrent
🢒
Safety and Security
🢒
Supplemental Inflatable Restraints
🢒 SIR Schematics
Figure
1:
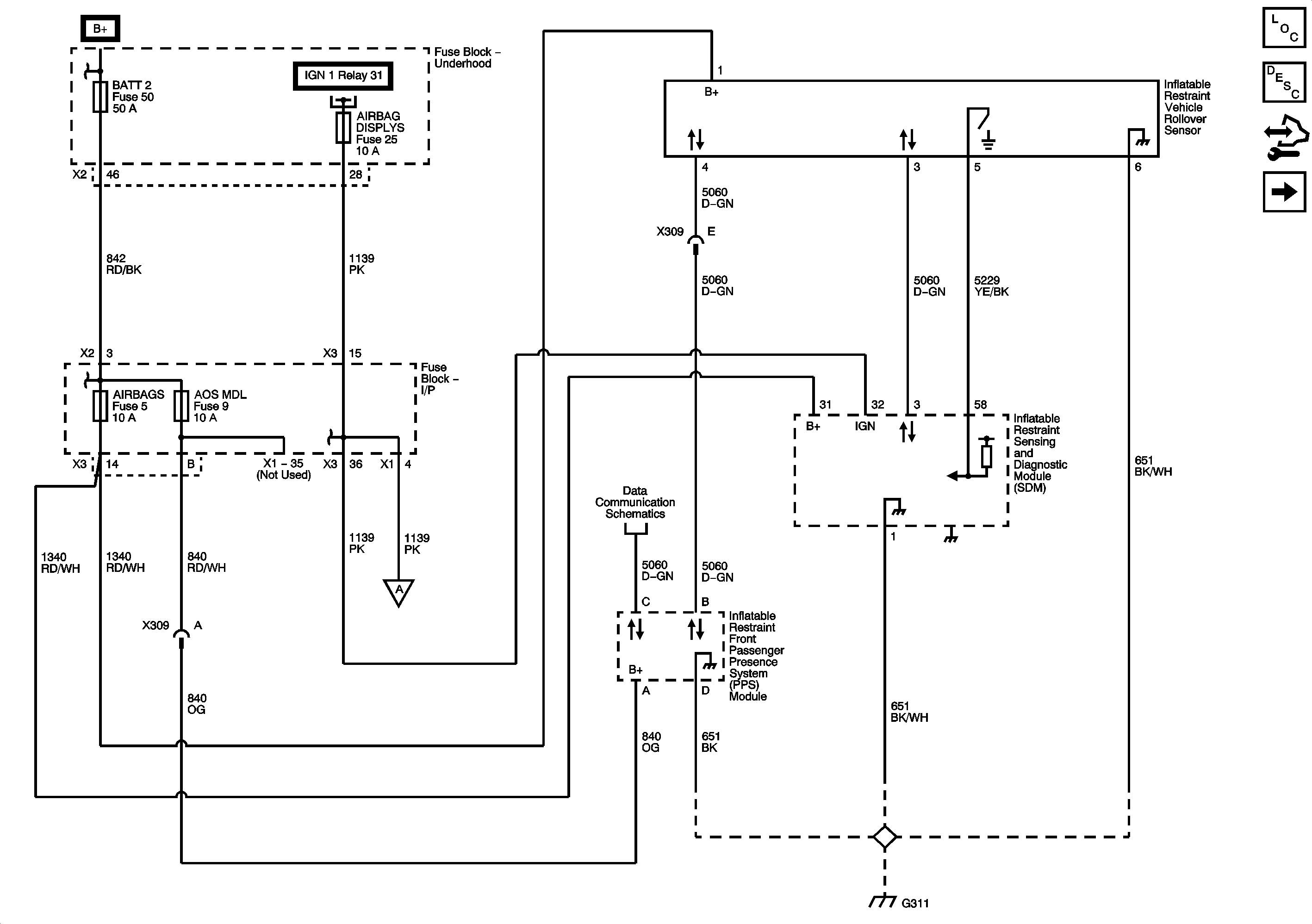
Power, Ground, Roll Over Sensor, and PPS
Master Electrical Component List
SIR System Description and Operation
Control Module References
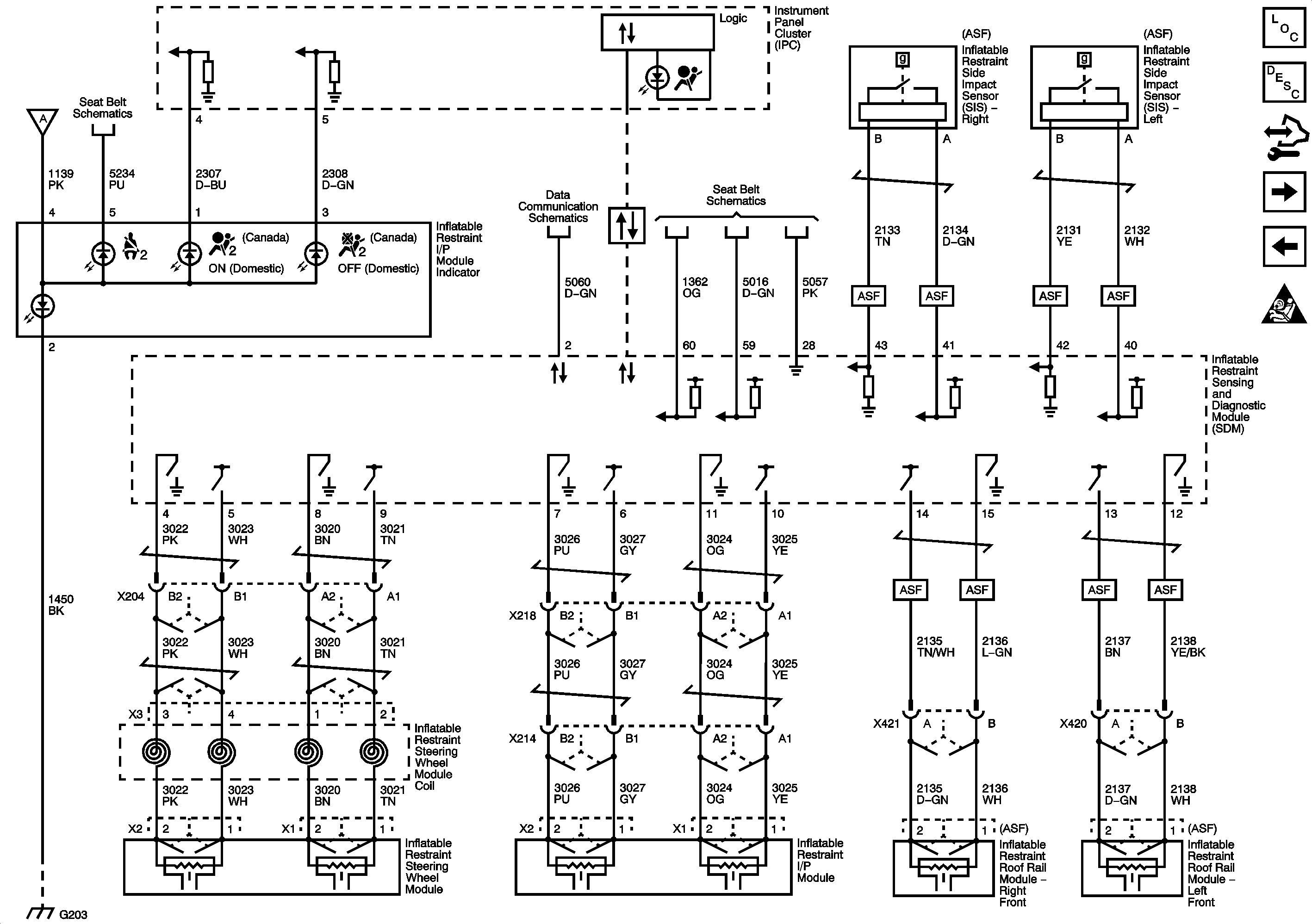
Modules and Sensors
Figure
2:
Modules and Sensors
Master Electrical Component List
SIR System Description and Operation
Control Module References
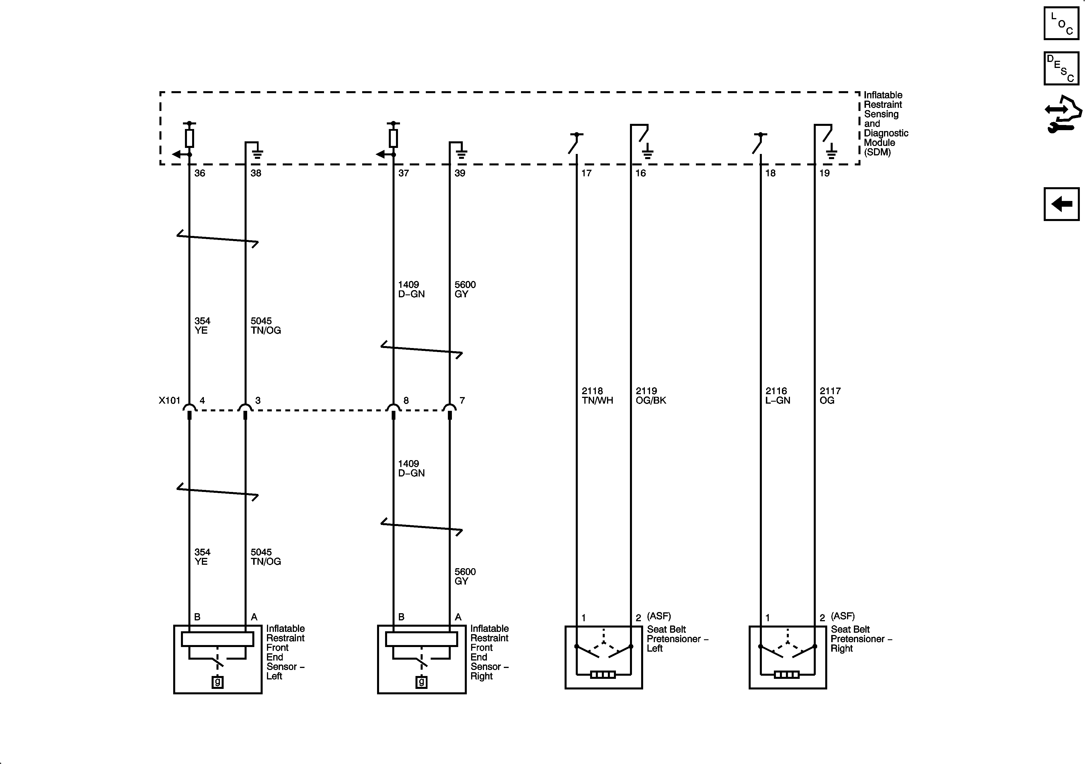
Pretensioners and Front End Sensor
Power, Ground, Roll Over Sensor and PPS
Figure
3:
Pretensioners and Front End Sensor
Master Electrical Component List
SIR System Description and Operation
Control Module References
Modules and Sensors