GM Service Manual Online
For 1990-2009 cars only

Removal Procedure


    Object Number: 1087764  Size: SH
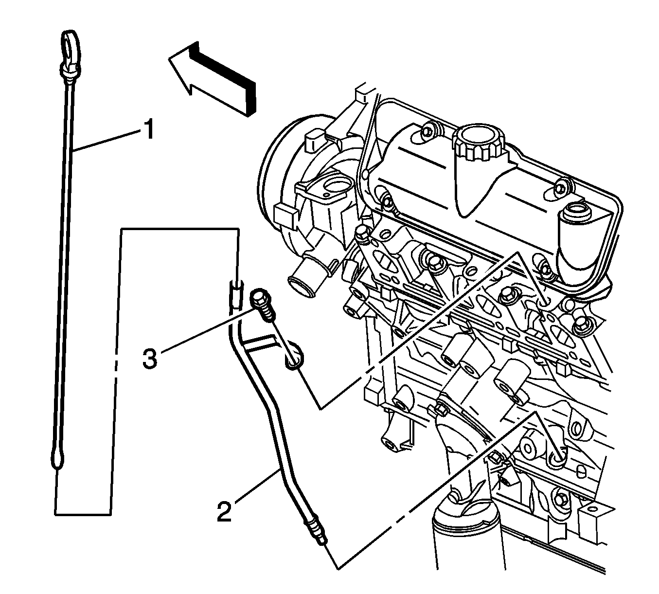
  1. Remove the oil level indicator (1).
  2. Remove the oil level indicator tube bolt (3).
  3. Remove the oil level indicator tube (2).
  4. If you are unable to remove the oil level indicator tube, perform the following steps:

    3.1. Remove the stud in order to allow for lateral movement of the oil level indicator tube.
    3.2. Apply penetrating oil to the bottom of the oil level indicator tube.
    3.3. Move the oil level indicator tube back and forth in order to loosen the oil level indicator tube.

Installation Procedure

  1. Clean the oil level indicator tube.
  2. Apply GM sealant around the oil level indicator tube 12.7 mm (0.50 in) below the bead. Refer to Adhesives, Fluids, Lubricants, and Sealers for the correct part number.

  3. Object Number: 1087764  Size: SH
  4. Install the oil level indicator tube (2) into the engine block.
  5. Caution: Refer to Fastener Caution in the Preface section.

  6. Install the oil level indicator tube bolt (3) and tighten to 25 N·m (18 lb ft).
  7. Install the oil level indicator (1).