GM Service Manual Online
For 1990-2009 cars only
Makes
🢒
Pontiac
🢒
2009
🢒
Torrent
🢒
Diagnostic Navigation
🢒
Vehicle Diagnostic Information
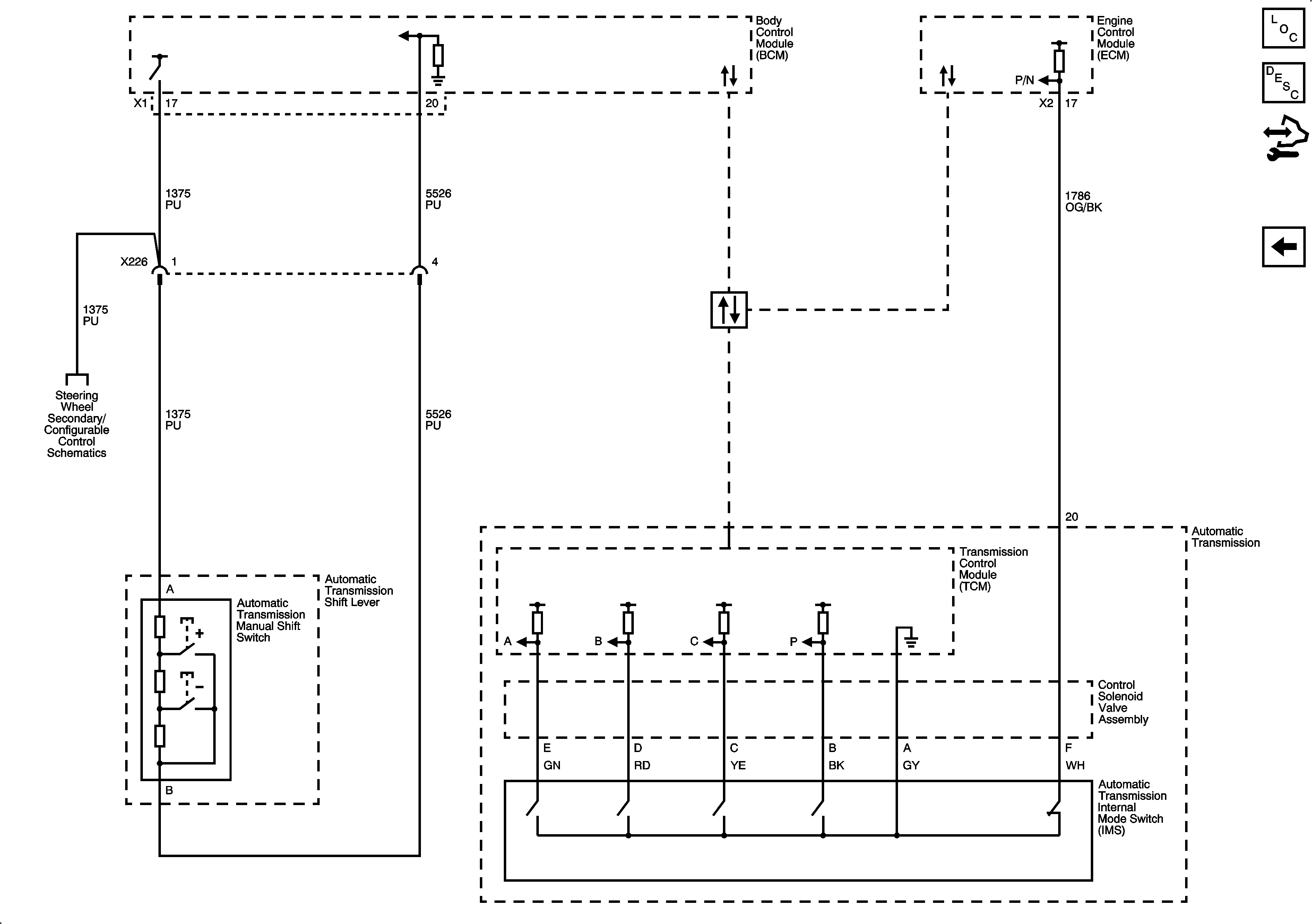
🢒 Automatic Transmission Controls Schematics
Figure
1:
Module Power, Ground, Data Communication, and MIL
Figure
2:
Pressure and Shift Controls
Figure
3:
ISS, OSS, TFP, TFT
Figure
4:
IMS and Tap Up/Tap Down