GM Service Manual Online
For 1990-2009 cars only
Figure 1:

Module Power, Ground, and MIL


Object Number: 2085764  Size: FS
Figure 2:

5-Volt Reference


Object Number: 2085769  Size: FS
Figure 3:

Low Reference


Object Number: 2085774  Size: FS
Figure 4:

MAF, MAP, ECT


Object Number: 2085777  Size: FS
Figure 5:

Oxygen Sensors


Object Number: 2085781  Size: FS
Figure 6:

TAC, Accelerator Pedal Sensor


Object Number: 2085782  Size: FS
Figure 7:

Ignition Control Module


Object Number: 2085787  Size: FS
Figure 8:

Knock, Camshaft, and Crankshaft Sensors


Object Number: 2085793  Size: FS
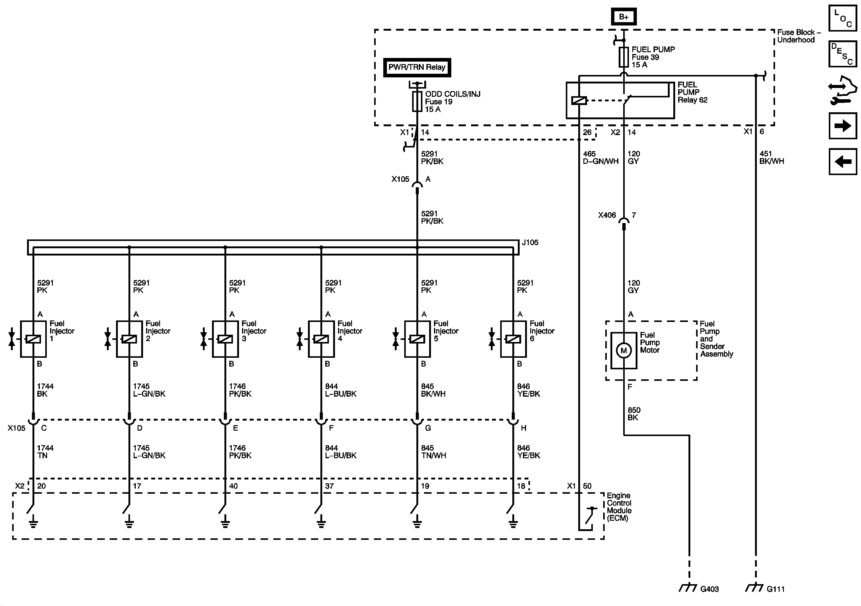
Figure 9:

Fuel Injectors and Fuel Pump


Object Number: 2085796  Size: FS
Figure 10:

EGR and EVAP Controls


Object Number: 2085800  Size: FS
Figure 11:

Controlled/Monitored Subsystem References


Object Number: 2085801  Size: FS