GM Service Manual Online
For 1990-2009 cars only
Makes
🢒
Pontiac
🢒
2009
🢒
Torrent
🢒
Body Systems
🢒
Mirrors
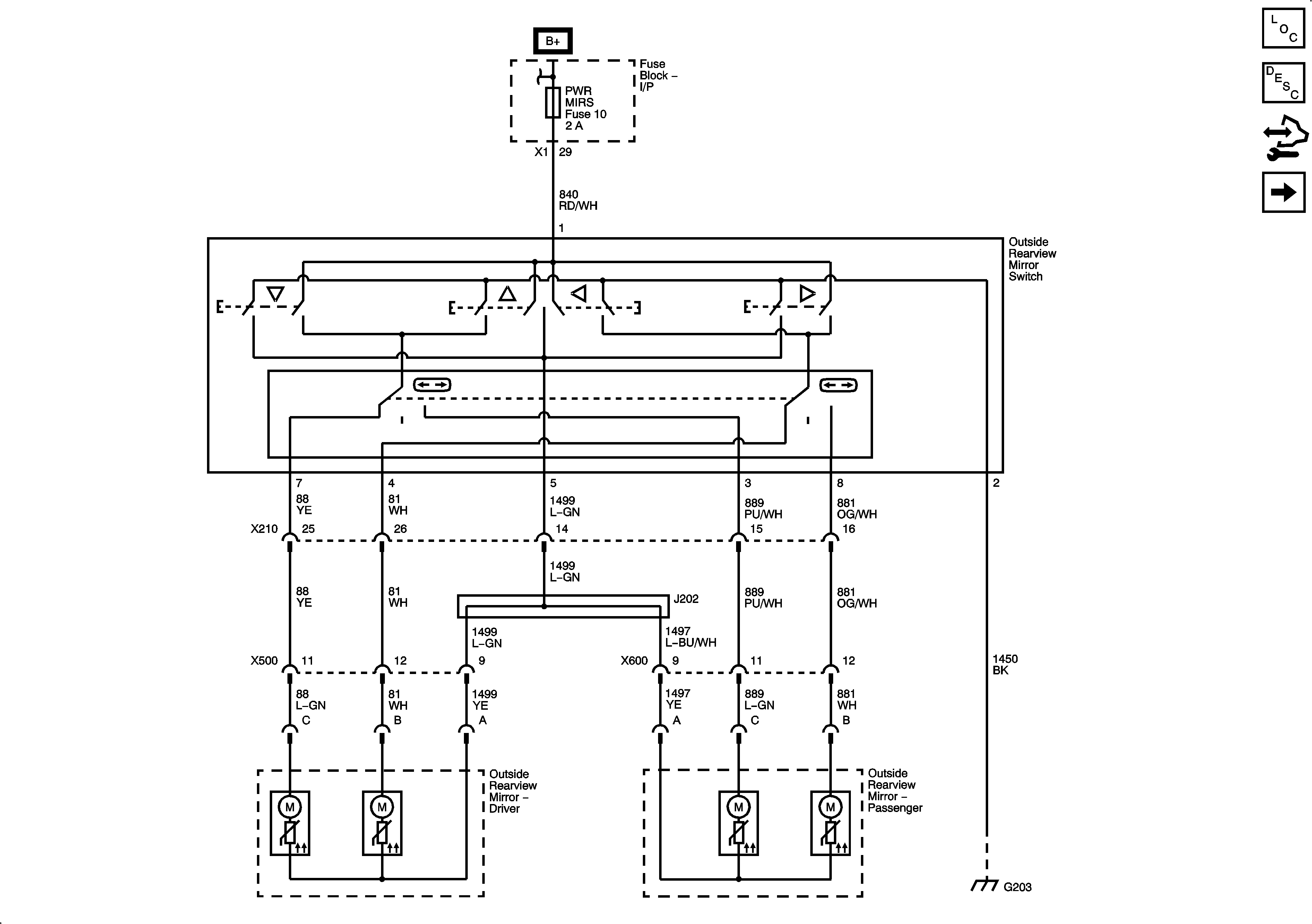
🢒 Outside Rearview Mirror Schematics
Figure
1:
Figure
2:
Heated Mirrors