GM Service Manual Online
For 1990-2009 cars only
Figure 1:

B+ BUS - 1 of 2


Object Number: 2085924  Size: FS
Figure 2:

B+ BUS - 2 of 2


Object Number: 2085931  Size: FS
Figure 3:

ABS, ABS MTR, AUX PWR, AWD, ECM BATT, REAR APO, REAR HVAC, and TCM BATT Fuses


Object Number: 2085934  Size: FS
Figure 4:

BATT 1, CNSTR VENT, CLSTR, HVAC BLWR, INFOTMNT, INT LAMPS, ONSTAR, REAR DEFOG and RVC Fuses


Object Number: 2085940  Size: FS
Figure 5:

AMP, BCM, CHMSL/DM/LAMP, HVAC/RFA and RDO Fuse


Object Number: 2085949  Size: FS
Figure 6:

AOS MDL, BATT 2, HTD/SEATS, L/GATE, LT TRN/SIG, PWR MIRS, RT TRN/SIG and AIRBAGS Fuses and PWR SEATS Circuit Breaker


Object Number: 2085952  Size: FS
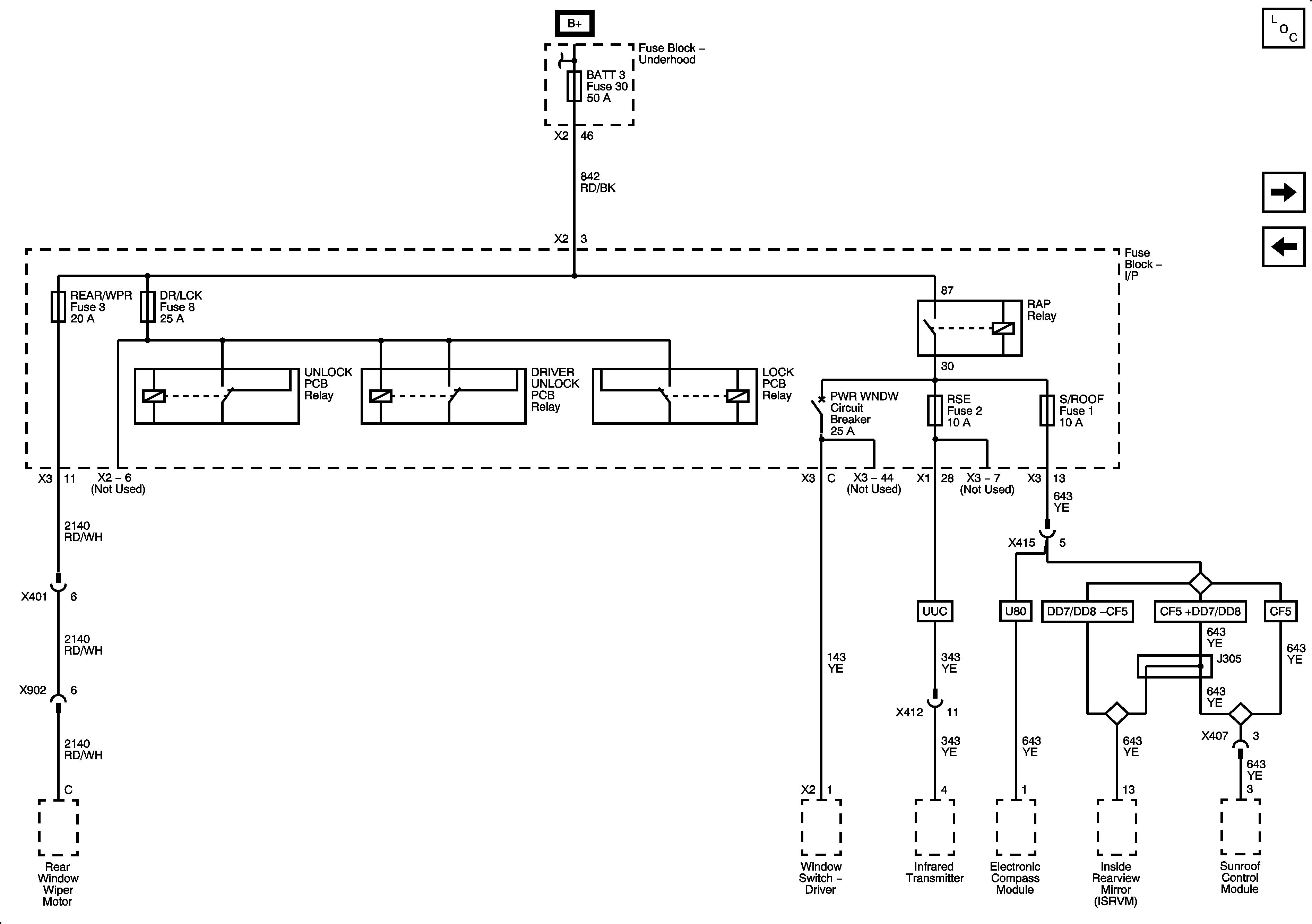
Figure 7:

BATT 3, DR/LCK, REAR/WPR, RSE and S/ROOF Fuses and PWR WNDW Circuit Breaker


Object Number: 2085957  Size: FS
Figure 8:

IGN SW Fuse and Ignition Switch


Object Number: 2085958  Size: FS
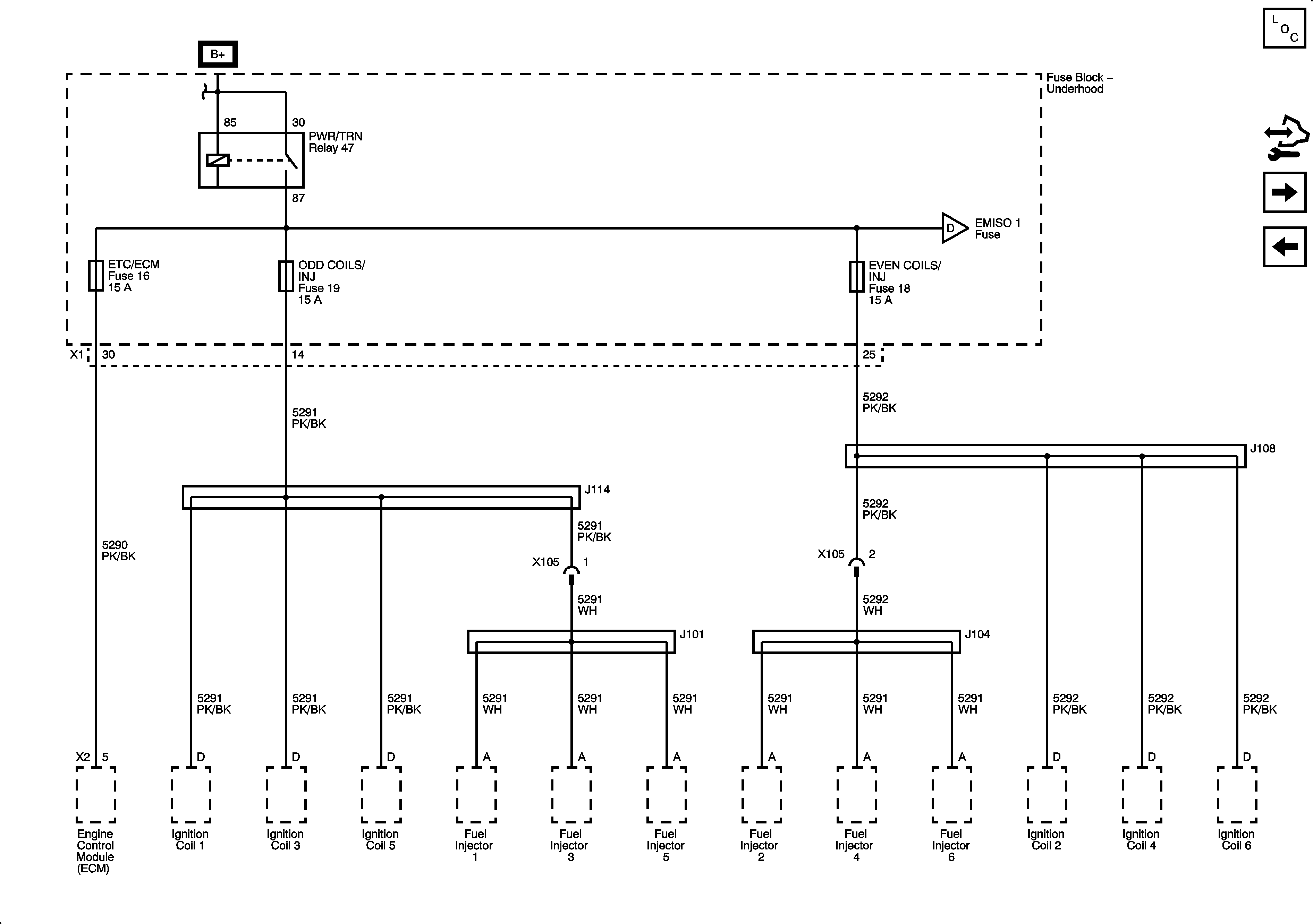
Figure 9:

PWR/TRN RELAY Bus -- ETC/ECM, EVEN COILS/INJ and ODD COILS/INJ Fuses (3.6L)


Object Number: 2086315  Size: FS
Figure 10:

EMISO1 AND EMISO2 Fuses (3.6L)


Object Number: 2085963  Size: FS
Figure 11:

PWR/TRN RELAY Bus -- EMISO1, EMISO2, ETC/ECM, EVEN COILS/INJ AND ODD COILS/INJ Fuses (3.4L)


Object Number: 2085967  Size: FS
Figure 12:

IGN 1 Relay Bus - MAF, PCM IGN, AIRBAG DISPLY and TRANS Fuses


Object Number: 2085972  Size: FS
Figure 13:

DRL 1, DRL 2, FOG LAMP, LT HI BEAM, LT LO BEAM, RT HI BEAM, and RT LO BEAM Fuses


Object Number: 2085978  Size: FS
Figure 14:

LT PRK LAMP, RT PRK LAMP and PRK LAMP/TRLR Fuses


Object Number: 2085986  Size: FS
Figure 15:

HORN, LT TRLR STOP/TRN, RT TRLR STOP/TRN and STOP LAMP Fuses


Object Number: 2085992  Size: FS