GM Service Manual Online
For 1990-2009 cars only
Makes
🢒
Pontiac
🢒
2009
🢒
Torrent
🢒
Roof
🢒
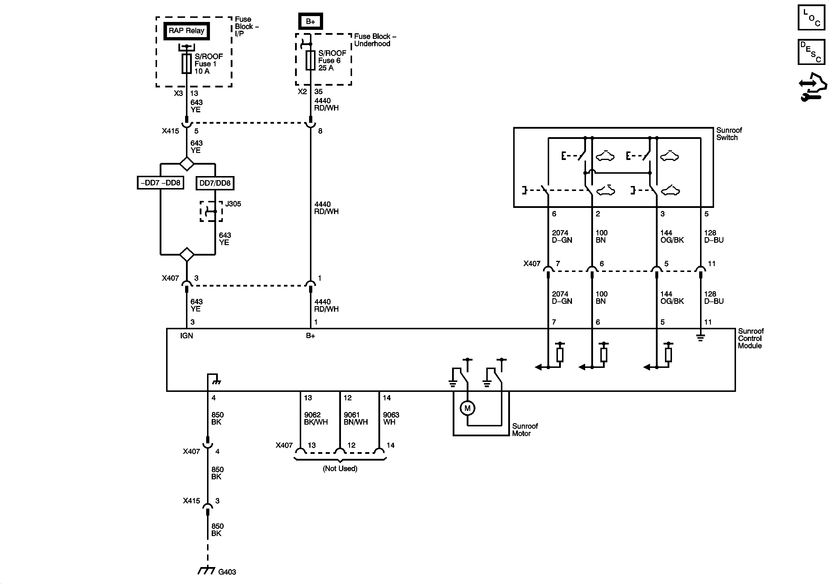
Sunroof
🢒 Sunroof Schematics