GM Service Manual Online
For 1990-2009 cars only
Makes
🢒
Pontiac
🢒
1997
🢒
Trans Sport Ext.
🢒 Sensors
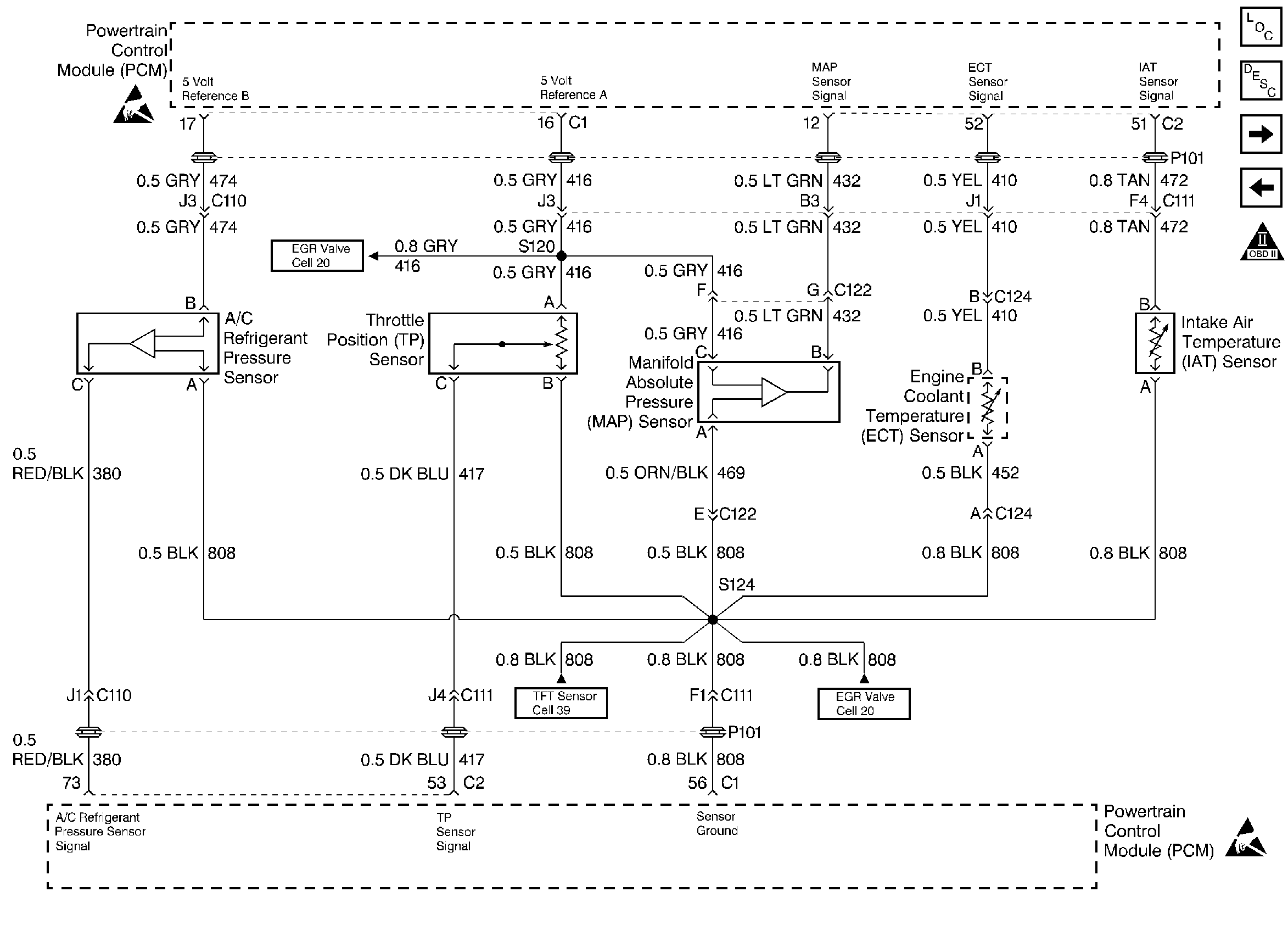
Sensors
Sensors
Engine Controls Components
MAF, EVAP, EGR
Fuel Pump Control
OBD II Symbol Description Notice
Handling ESD Sensitive Parts Notice
Handling ESD Sensitive Parts Notice