GM Service Manual Online
For 1990-2009 cars only

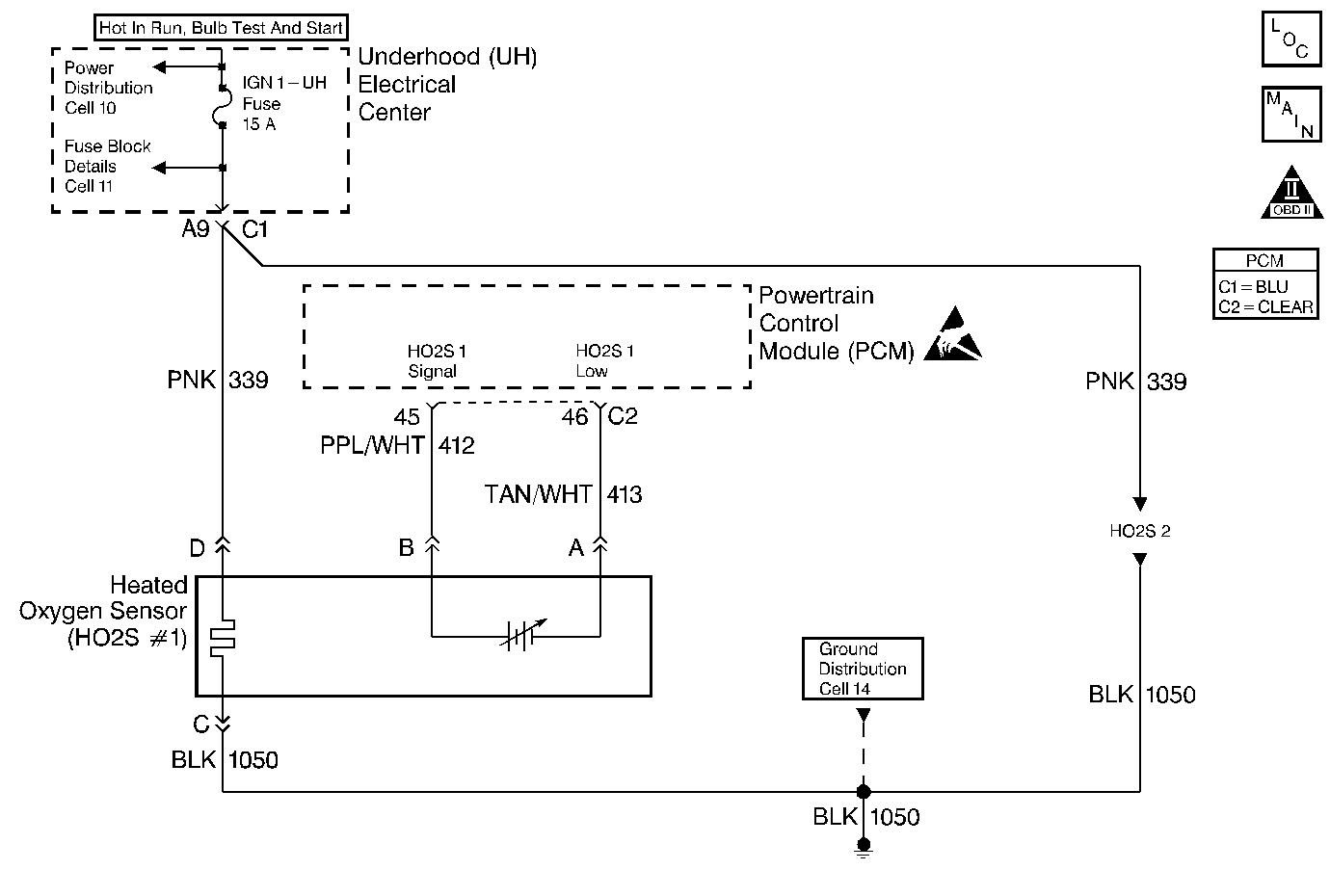
Object Number: 154877  Size: MF
Engine Controls Components
Engine Data Sensors-HO2S-1, HO2S-2
OBD II Symbol Description Notice
Handling ESD Sensitive Parts Notice

Circuit Description

The PCM supplies a bias voltage of about 450mV between the HO2S signal and low circuits. When measured with a 10 megaohm digital voltmeter, this may display as low as 350mV. The oxygen sensor varies the voltage within a range of about 1000mV when the exhaust is rich, down through about 100mV when exhaust is lean. The PCM constantly monitors the HO2S signal during closed loop operation and compensates for a rich or lean condition by decreasing or increasing injector pulse width as necessary. If the HO2S 1 voltage remains excessively low for an extended period of time, DTC P0131 will be set.

Conditions for Setting the DTC

    •  No active TP sensor, EVAP system, misfire, IAT sensor, MAP sensor, fuel trim, fuel injector, EGR Pintle Position, ECT sensor, CKP sensor or MAF sensor DTC(s) present.
    •  Closed loop commanded air/fuel ratio is between 14.5 and 14.8.
    •  Throttle angle is between 3% and 40%.
    •  HO2S 1 signal voltage remains below 175mV during normal closed loop operation.

OR

    •  Vehicle is operation in power enrichment mode.
    •  HO2S 1 signal voltage remains below 600mV.
    •  Either condition for up to 15 seconds.

Action Taken When the DTC Sets

    • The PCM will illuminate the malfunction indicator lamp (MIL) during the second consecutive trip in which the diagnostic test has been run and failed.
    • The PCM will store conditions which were present when the DTC set as Freeze Frame and Failure Records data.

Conditions for Clearing the MIL/DTC

    • The PCM will turn OFF the MIL during the third consecutive trip in which the diagnostic has been run and passed.
    • The History DTC will clear after 40 consecutive warm-up cycles have occurred without a malfunction.
    • The DTC can be cleared by using the scan tool.

Diagnostic Aids

Check for the following conditions:

    •  Heated oxygen sensor wiring. The sensor pigtail may be routed incorrectly and contacting the exhaust system.
    •  Poor PCM to engine block grounds.
    •  Fuel pressure. The system will go lean if pressure is too low. The PCM can compensate for some decrease. However, if fuel pressure is too low, a DTC P0131 may be set. Refer to Fuel System Pressure Test .
    •  Fuel injector(s). Refer to Fuel Injector Balance Test .
    •  Vacuum leaks. Check for disconnected or damaged vacuum hoses and for vacuum leaks at the intake manifold, throttle body, EGR system, and crankcase ventilation system. Refer to Emission Hose Routing Diagram .
    •  Exhaust leaks. An exhaust leak may cause outside air to be pulled into the exhaust gas stream past the HO2S, causing the system to appear lean. Check for exhaust leaks that may cause a false lean condition to be indicated.
    •  MAF sensor. Disconnect the MAF sensor and see if the lean condition is corrected. If so, replace MAF sensor. Refer to Mass Airflow Sensor Replacement .
         Fuel contamination. Water, even in small amounts, can be delivered to the fuel injectors. The water can cause a lean exhaust to be indicated. Excessive alcohol in the fuel can also cause this condition. Refer to Alcohol/Contaminants-in-Fuel Test .

If none of the above conditions are present, replace the affected HO2S. Refer to Heated Oxygen Sensor Replacement .

Test Description

Number(s) below refer to the step number(s) on the Diagnostic Table.

  1. DTC P0131 failing during power enrichment operation (TP angle above 60%) may indicate a condition described in Diagnostic Aids. If the DTC P0131 test passes while the Fail Records conditions are being duplicated, an intermittent condition is indicated. Reviewing the Fail Records vehicle mileage since the diagnostic test last failed may help determine how often the condition that caused the DTC to be set occurs. This may assist in diagnosing the condition.

  2. This vehicle is equipped with a PCM which utilizes an Electrically Erasable Programmable Read Only Memory (EEPROM). When the PCM is being replaced, the new PCM must be programmed. Refer to Powertrain Control Module Replacement/Programming .

DTC P0131 - HO2S Circuit Low Voltage Sensor 1

Step

Action

Value(s)

Yes

No

1

Was the Powertrain On Board Diagnostic (OBD) System Check performed?

--

Go to Step 2

Go to Powertrain On Board Diagnostic (OBD) System Check

2

  1. Engine at operating temperature, operate vehicle within parameters specified under DTC P0131 Conditions for Setting the DTC.
  2. Monitor HO2S 1 voltage display on the scan tool HO2S data list.

Does the HO2S 1 voltage remain at less than the specified value?

300 mV

Go to Step 4

Go to Step 3

3

  1. Turn on the ignition switch engine not running.
  2. Review and record scan tool Fail Records data.
  3. Operate vehicle within Fail Records conditions as noted.
  4. Using a scan tool, monitor Specific DTC info for DTC P0131 until the DTC P0131 test runs.

Note test result; does scan tool indicate DTC P0131 failed this ignition?

--

Go to Step 4

Go to Diagnostic Aids

4

  1. Disconnect HO2S 1.
  2. Jumper the HO2S 1 low circuit (PCM side) to ground.

Does the scan tool indicate HO2S 1 voltage near the specified value?

450 mV

Go to Diagnostic Aids

Go to Step 5

5

  1. Turn off the ignition switch.
  2. Disconnect the PCM.
  3. check the HO2S 1 signal circuit for a short to ground or a short to the sensor ground circuit.

Is the HO2S 1 signal circuit shorted?

--

Go to Step 6

Go to Step 7

6

Repair the HO2S 1 signal circuit. Refer to Repair Procedures in Electrical Diagnosis.

Is the action complete?

--

Go to Step 8

--

7

Replace the PCM.

Important: :  The replacement PCM must be programmed. Refer to Powertrain Control Module Replacement/Programming .

Is action complete?

--

Go to Step 8

--

8

  1. Turn on the ignition switch.
  2. Review and record scan tool Fail Records data.
  3. Clear DTCs.
  4. Operate the vehicle within Fail Records conditions as noted.
  5. Using a scan tool, monitor Specific DTC info for DTC P0131 until the DTC P0131 test runs

Note test result does the scan tool indicate DTC P0131 failed this ignition?

--

Go to Step 2

System OK