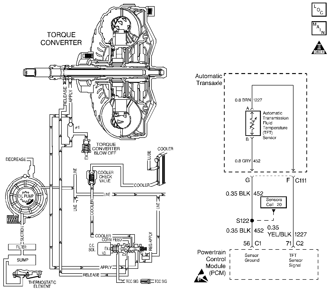
The Automatic Transmission Fluid Temperature (TFT) sensor is a negative coefficient thermistor. When the transmission fluid is cold, the sensor resistance is high. As the transmission fluid warms, the sensor resistance decreases. The TFT range is -40 to +150°C (-40 to +302°F).
When the PCM detects a high transmission temperature for an extended period of time on the TFT Sensor circuit, then DTC P0218 sets. DTC P0218 is a type D DTC.
| • | No TFT DTCs P0711, P0712 or P0713. |
| • | The transmission fluid temperature is hotter than 130°C (266°F) for more than 10 minutes. |
The PCM does not illuminate the Malfunction Indicator Lamp (MIL).
A scan tool can clear the DTC from the PCM history. The PCM clears the DTC from the PCM history if the vehicle completes 40 warm-up cycles without a failure reported.
| • | Inspect the wiring for poor electrical connections at the PCM. Inspect the wiring at the Automatic Transmission 7-way connector. Look for the following conditions: |
| - | A bent terminal |
| - | A backed out terminal |
| - | A damaged terminal |
| - | Poor terminal tension |
| - | A chafed wire |
| - | A broken wire inside the insulation |
| • | Test the TFT Sensor at various temperature levels in order to evaluate the possibility of a skewed, mis-scaled or stuck sensor. |
| • | When diagnosing for an intermittent short or open condition, massage the wiring harness while watching the test equipment for a change. |
| • | Inspect the transmission cooling system for blockage and restrictions. |
The numbers below refer to the step numbers on the diagnostic table.
This step determines if an electrical condition exists.
This step checks the TFT Sensor against the Temperature vs Resistance Chart to Diagnose the possibility of a skewed (misscaled) sensor.
Step | Action | Value(s) | Yes | No | ||||||||||||||
|---|---|---|---|---|---|---|---|---|---|---|---|---|---|---|---|---|---|---|
1 | Was the Powertrain On-Board Diagnostic (OBD) System Check performed? | -- | ||||||||||||||||
2 | Have you performed the transmission fluid checking procedure? | -- | Go to Transmission Fluid Check | |||||||||||||||
Allow the transmission to cool for at least 45 minutes.
Important: Before clearing the DTCs, use the scan tool in order to record the Freeze Frame and Failure Records for reference. The Clear Info function will erase the data. Is the Automatic Transmission Fluid Temperature (TFT) equal to or greater than the specified value? | 130°C (266°F) | |||||||||||||||||
4 | Inspect for the following conditions:
Was a condition found and corrected? | -- | Go to diagnostic Aids | |||||||||||||||
Let the transmission cool to ambient temperature.
Is the measured resistance within the specified range? | 3164-3867 ohms @ 20°C (68°F) (If temperature and resistance are different, refer to Temperature vs Resistance Table) | |||||||||||||||||
6 | Check circuit 1227 for a possible short to ground. Was a condition found and corrected? | -- | ||||||||||||||||
7 | Replace the PCM. Refer to Powertrain Control Module Replacement/Programming , Section 6. Is the replacement complete? | -- | -- | |||||||||||||||
8 | Replace the TFT Sensor. Refer to Solenoids and Wiring Harness, Section 7. Is the replacement complete? | -- | -- | |||||||||||||||
9 | In order to verify your repair, perform the following procedure:
Has the test run and passed? | -- | System OK |