GM Service Manual Online
For 1990-2009 cars only
Makes
🢒
Pontiac
🢒
1998
🢒
Trans Sport Ext.
🢒 Cell 103
Cell 103
Cell 103
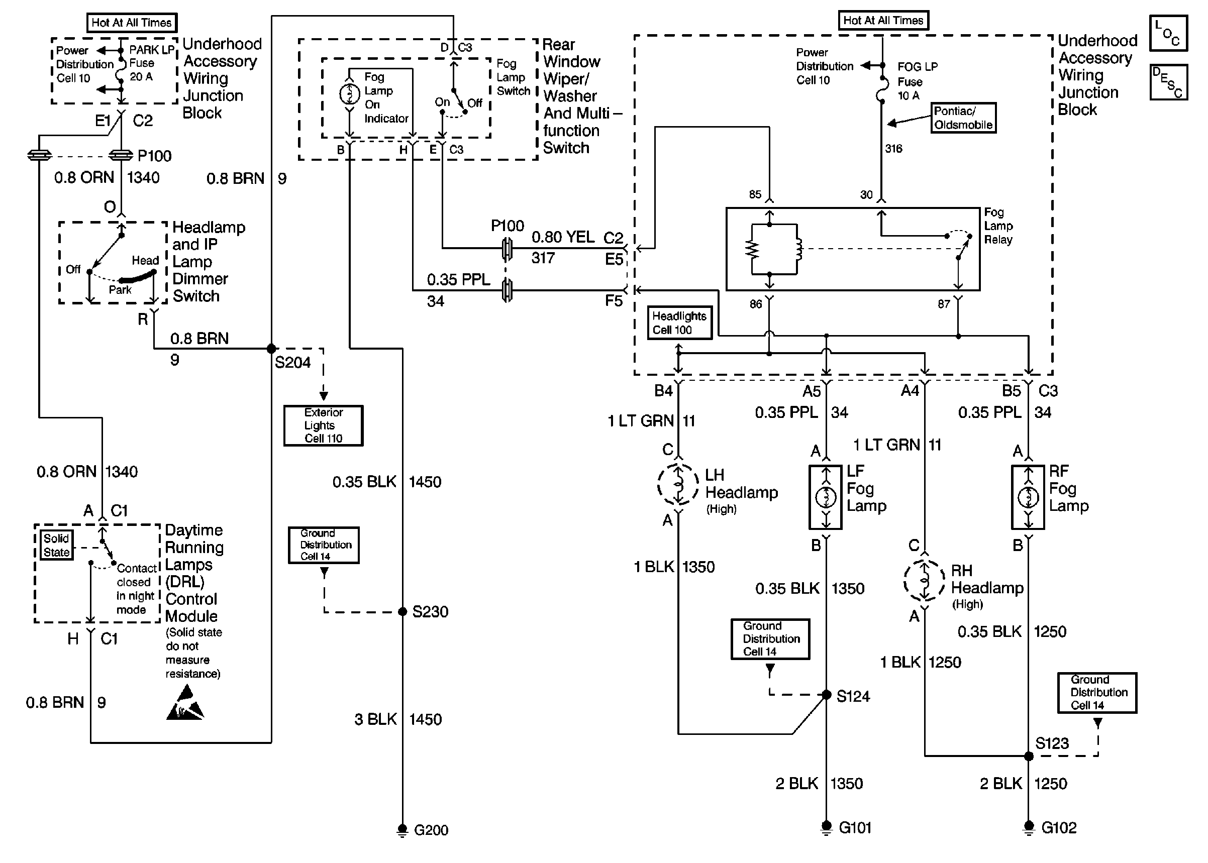
Lighting Systems Components
Fog Lights Circuit Description
Cell 14: G200
Cell 14: G101 and G102
Cell 14: G101 and G102
Cell 110: License Lamps, Relay Center
Cell 100: Headlamps
Handling ESD Sensitive Parts Notice