GM Service Manual Online
For 1990-2009 cars only
Makes
🢒
Pontiac
🢒
1998
🢒
Trans Sport Ext.
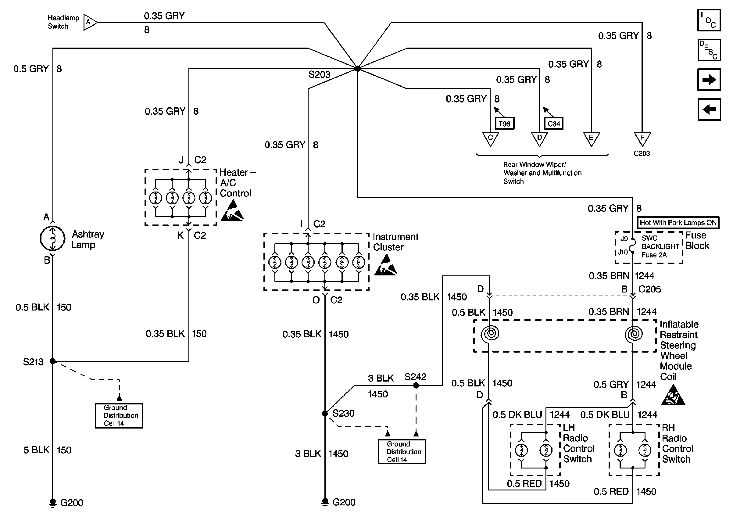
🢒 Cell 117: Heater-A/C Control, Radio Control Switches and InstrumeNt Cluster
Cell 117: Heater-A/C Control, Radio Control Switches and InstrumeNt Cluster
Cell 117: Heater-A/C Control, Radio Control Switches and Instrument Cluster
Lighting Systems Components
Interior Lights Dimming Circuit Description
Cell 117: Rear Window Wiper/Washer and Multifunction Switch, Window Switches, Door Lock Switches
Cell 117: Headlamp and IP Lamp Dimmer Switch, Driver Information Display
Cell 117: Rear Window Wiper/Washer and Multifunction Switch, Window Switches, Door Lock Switches
Cell 117: Rear Window Wiper/Washer and Multifunction Switch, Window Switches, Door Lock Switches
Cell 117: Rear Window Wiper/Washer and Multifunction Switch, Window Switches, Door Lock Switches
Cell 117: Rear Window Wiper/Washer and Multifunction Switch, Window Switches, Door Lock Switches
Cell 117: Headlamp and IP Lamp Dimmer Switch, Driver Information Display
Handling ESD Sensitive Parts Notice
Handling ESD Sensitive Parts Notice
SIR Handling Caution
Cell 14: G200
Cell 14: G200