GM Service Manual Online
For 1990-2009 cars only
Makes
🢒
Pontiac
🢒
1998
🢒
Trans Sport Ext.
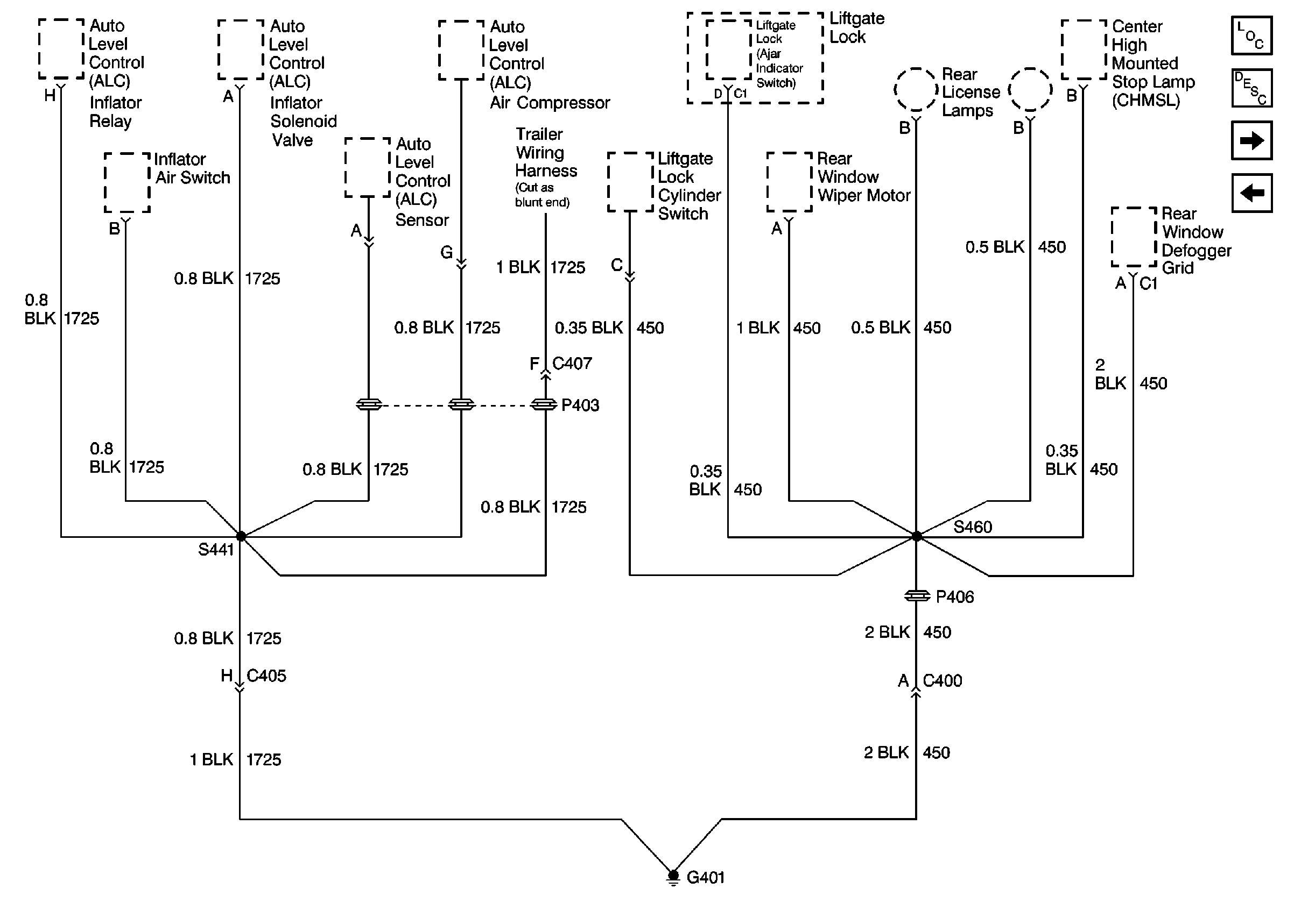
🢒 Cell 14: G401
Cell 14: G401
Cell 14: G401
Power and Grounding Components
Cell 14: G401 and G402
Cell 14: G302