GM Service Manual Online
For 1990-2009 cars only

Removal Procedure

  1. Remove the engine and transaxle from the vehicle. Refer to Engine Replacement in Engine Mechanical.
  2. Place a drain pan or suitable container under the transfer case assembly.

  3. Object Number: 840167  Size: SH
  4. Remove the transfer case drain plug and gasket (1).
  5. Drain the transfer case.

  6. Object Number: 840615  Size: SH
  7. Remove the left rear engine mount bracket (1) from the engine block.

  8. Object Number: 840160  Size: SH
  9. Remove the upper 2 bolts (1) from the transfer case bracket.
  10. Remove the lower 3 bolts (3) from the transfer case bracket.
  11. Remove the bracket from the transfer case.
  12. Remove the 4 right transfer case bracket bolts (2), then remove the bracket from the transfer case.

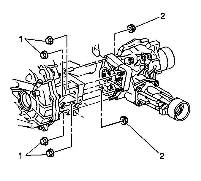
  13. Object Number: 840677  Size: SH
  14. Remove the 2 front transfer case retaining nuts (2).
  15. Remove the 4 rear transfer case retaining nuts (1).
  16. Using a soft faced hammer, gently dislodge the transfer case from the transaxle assembly.
  17. Slide the transfer case horizontally to remove it from the mounting studs.

Installation Procedure


    Object Number: 840160  Size: SH
  1. Install the right side transfer case mounting bracket to the transfer case.
  2. Install the 2 bracket-to-transfer case retaining bolts (2).
  3. Notice: Use the correct fastener in the correct location. Replacement fasteners must be the correct part number for that application. Fasteners requiring replacement or fasteners requiring the use of thread locking compound or sealant are identified in the service procedure. Do not use paints, lubricants, or corrosion inhibitors on fasteners or fastener joint surfaces unless specified. These coatings affect fastener torque and joint clamping force and may damage the fastener. Use the correct tightening sequence and specifications when installing fasteners in order to avoid damage to parts and systems.

    Tighten
    Tighten the bolts to 34 N·m (25 lb ft).

  4. Install the upper transfer case bracket.
  5. Install the 3 lower bracket bolts (3).
  6. Tighten
    Tighten the bolts to 34 N·m (25 lb ft).

  7. Raise the transfer case into position and slide it onto the transaxle.

  8. Object Number: 840677  Size: SH
  9. Install the 6 transfer case-to-transaxle nuts (1) and (2).
  10. Tighten
    Tighten the 6 transfer case-to-transaxle nuts to 69 N·m (51 lb ft).


    Object Number: 840615  Size: SH
  11. Install the left rear engine mount bracket (1) to the engine block.
  12. Tighten
    Tighten the 3 bolts to 64 N·m (47 lb ft).


    Object Number: 840160  Size: SH
  13. Install the 2 upper transfer case bracket bolts (1).
  14. Tighten
    Tighten the bolts to 34 N·m (25 lb ft).

  15. Install the right side transfer case mounting bracket-to-engine block mounting bolts.
  16. Tighten
    Tighten the bolts to 34 N·m (25 lb ft).

  17. Install the engine and transaxle assembly into the vehicle. Refer to Engine Replacement in Engine Mechanical.

  18. Object Number: 828067  Size: SH
  19. Install the transfer case drain plug with a new gasket (1) in the transfer case.
  20. Tighten
    Tighten the drain plug to 49 N·m (36 lb ft).

  21. Remove the oil level/filler plug from the transfer case (2).
  22. Add approximately 0.8 liters (1.7 pints) of 80W-90 API GL5 lubricant, or the equivalent, into the transfer case oil level/filler plug hole. The oil level should be even with the bottom of the oil level/filler plug hole (2).
  23. Install the transfer case oil level/filler plug (2) with a new gasket into the transfer case.
  24. Tighten
    Tighten the transfer case oil level/filler plug (2) to 34 N·m (25 lb ft).

  25. Lower the vehicle.