GM Service Manual Online
For 1990-2009 cars only
Makes
🢒
Pontiac
🢒
2003
🢒
Vibe - AWD
🢒
Body and Accessories
🢒
Wipers/Washer Systems
🢒 Wiper/Washer Schematics
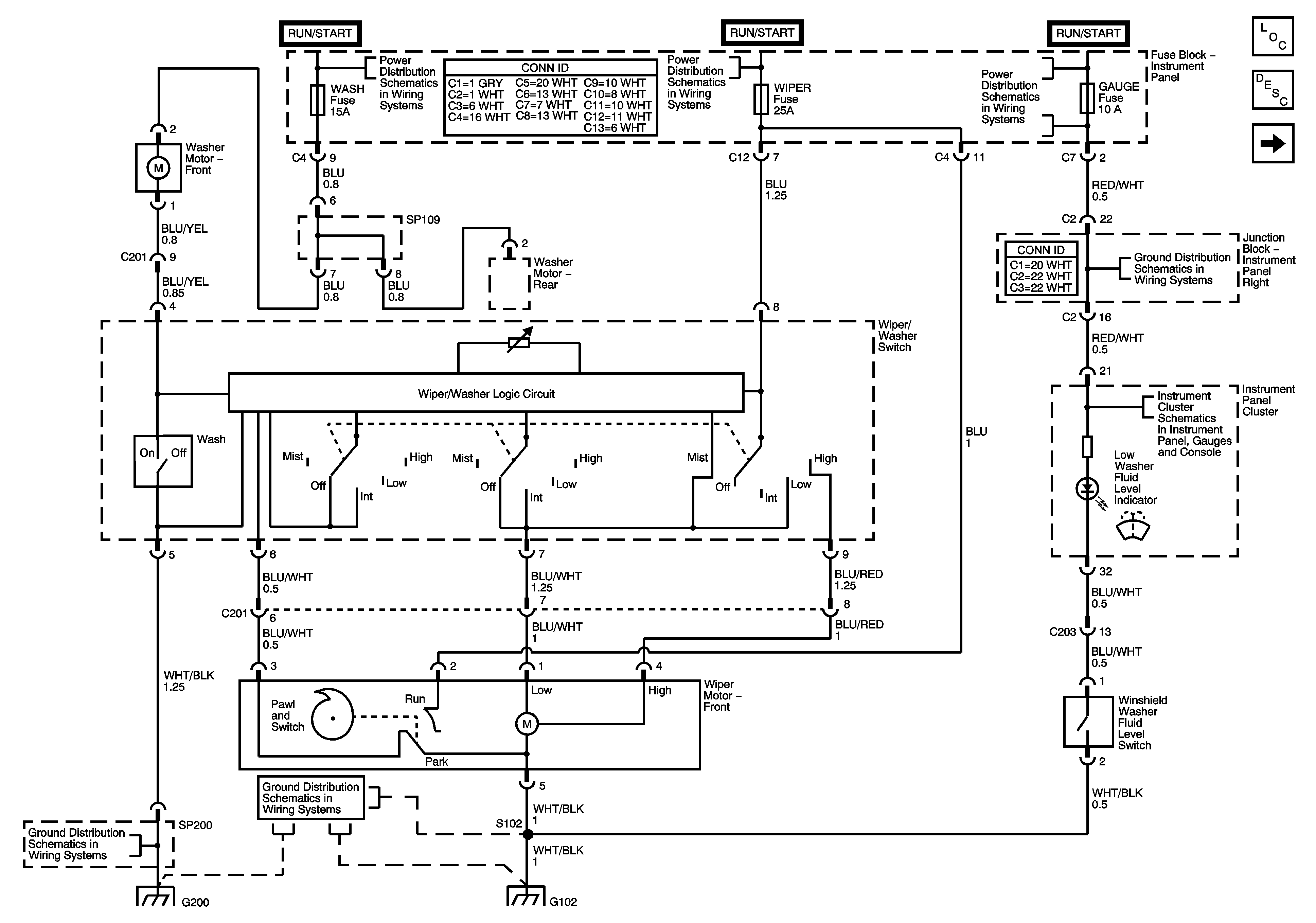
Figure
1:
Front Wiper Motor
Master Electrical Component List
Wiper/Washer System Description and Operation
Rear Wiper Motor
WASH, RR WIP, WIPER, ECU-IG, GAUGE, HEATER, and DEF Fuses
SP200 and G200
G100, G101, G102 and G103
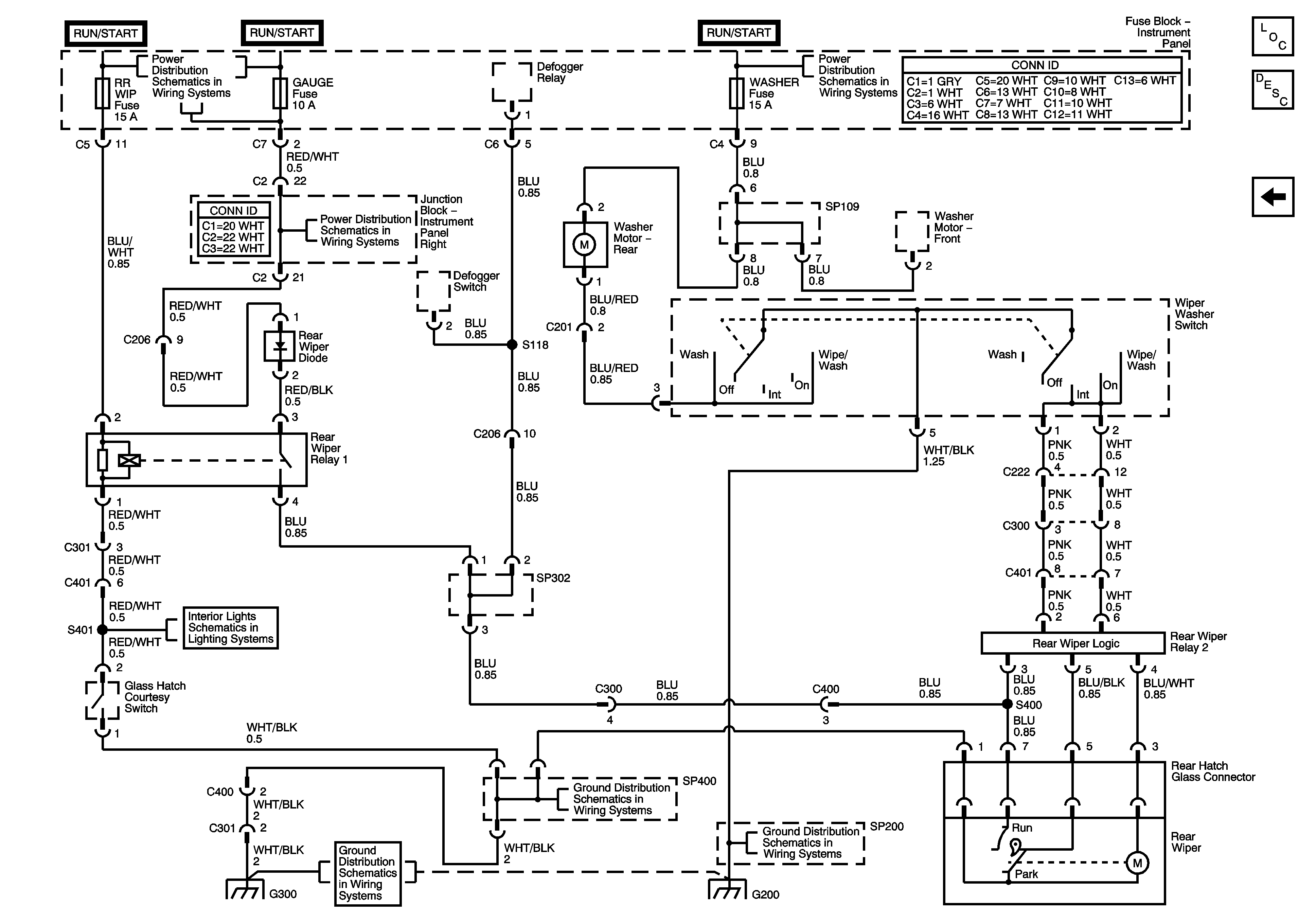
Figure
2:
Rear Wiper Motor
Master Electrical Component List
Rear Wiper/Washer System Description and Operation
Front Wiper Motor
WASH, RR WIP, WIPER, ECU-IG, GAUGE, HEATER, and DEF Fuses
Heater Relay, Right Instrument Panel Junction Block
SP400
G202, G300 and G301
SP200 and G200
WASH, RR WIP, WIPER, ECU-IG, GAUGE, HEATER, and DEF Fuses