GM Service Manual Online
For 1990-2009 cars only
Makes
🢒
Pontiac
🢒
2003
🢒
Vibe - AWD
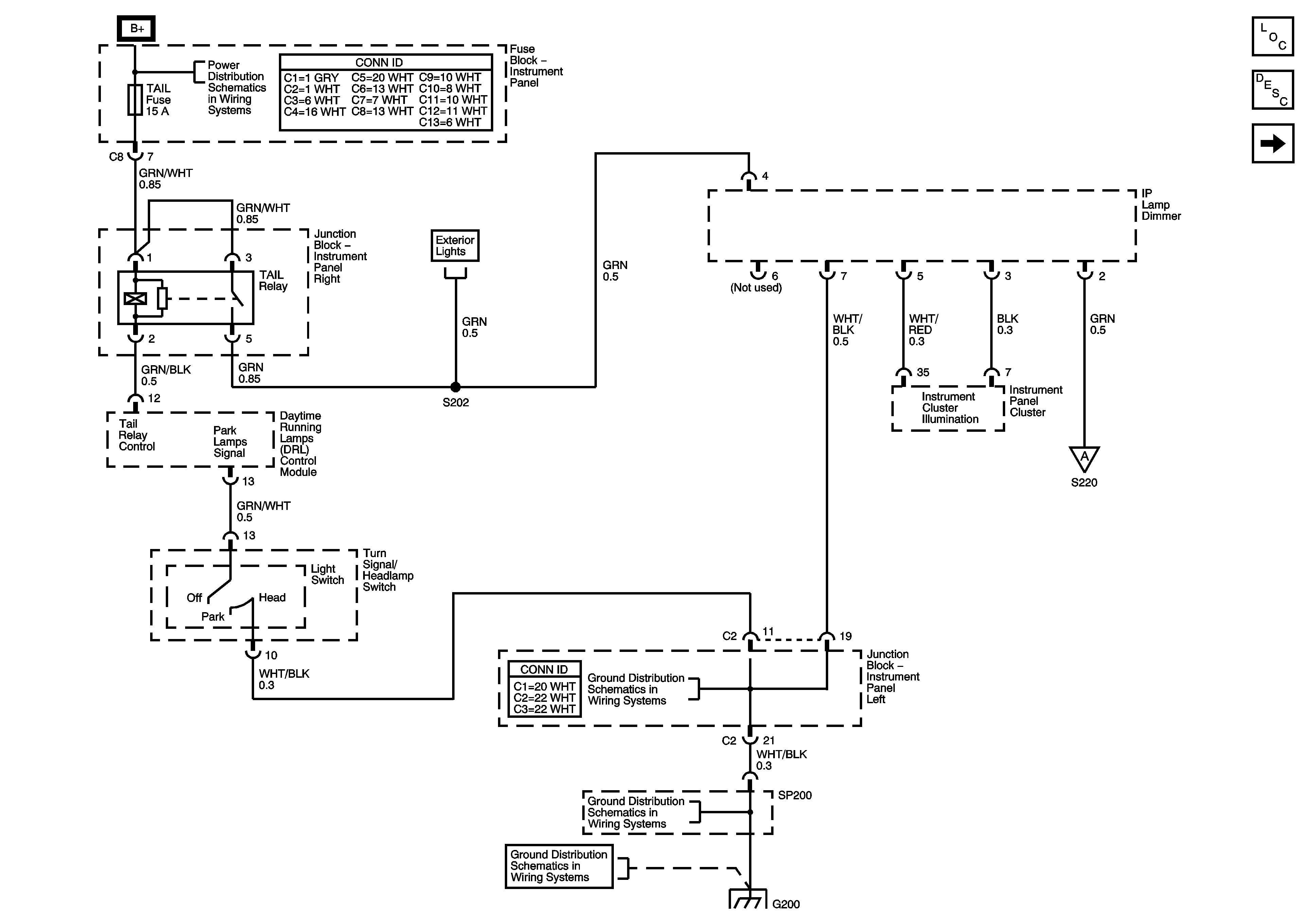
🢒 IP Lamp Dimmer
IP Lamp Dimmer
I/P Lamp Dimmer
Master Electrical Component List
Interior Lighting Systems Description and Operation
Illumination Lamps
POWER, AM-1, DOOR, TAIL, P/POINT, ECU-B, STOP, OBD and INV Fuses
TAIL Relay and Turn Signal/Headlamp Switch
Left Instrument Panel Junction Block
SP200 and G200
IP Illumination, Low Washer Fluid, Oil Pressure Indicators