| Figure 1: |
Powertrain Control Module (PCM) Power and Ground
|
| Figure 2: |
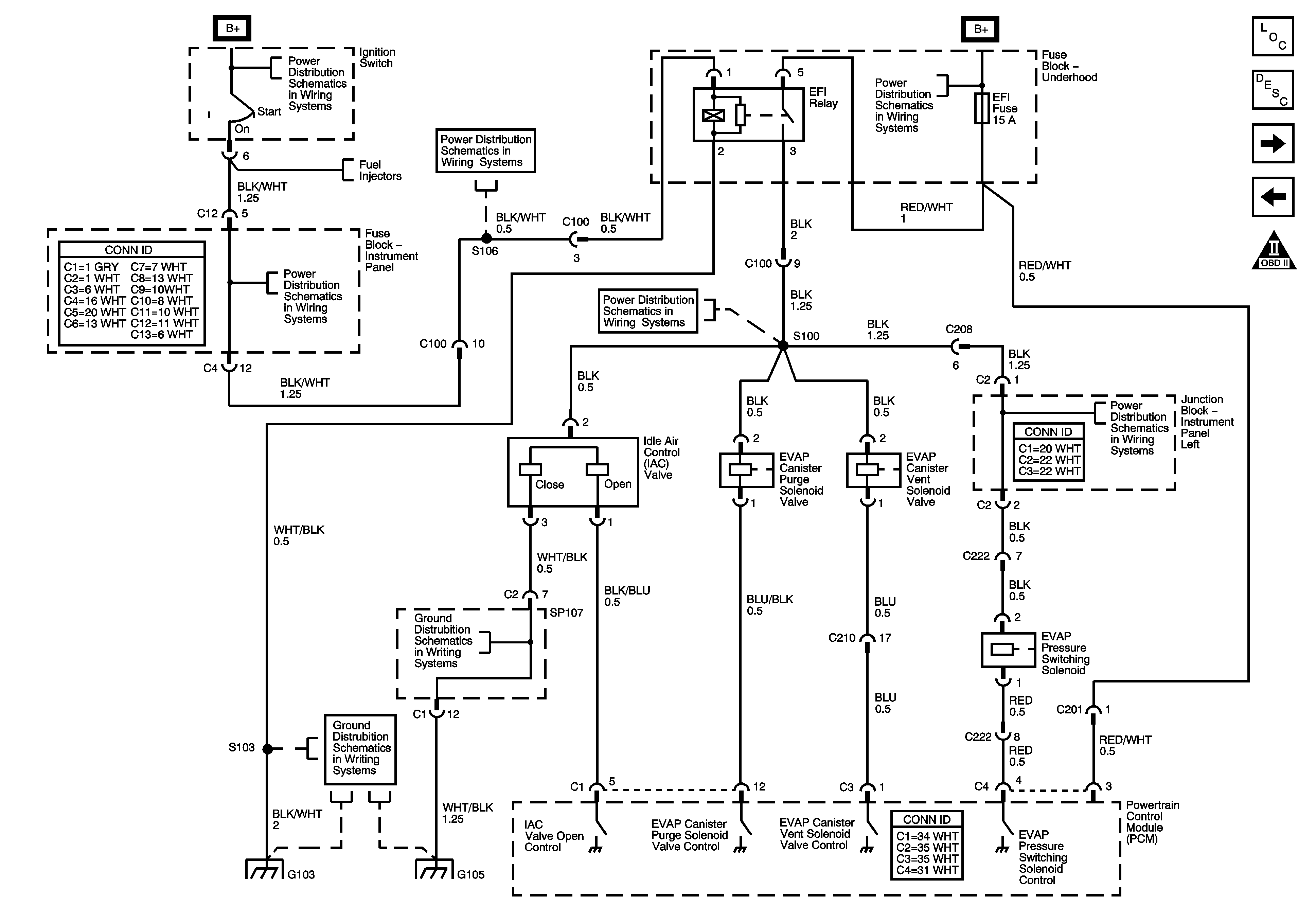
EFI Relay, S 100
|
| Figure 3: |
Data Link Connector - 1 of 2
|
| Figure 4: |
Data Link Connector - 1 of 2
|
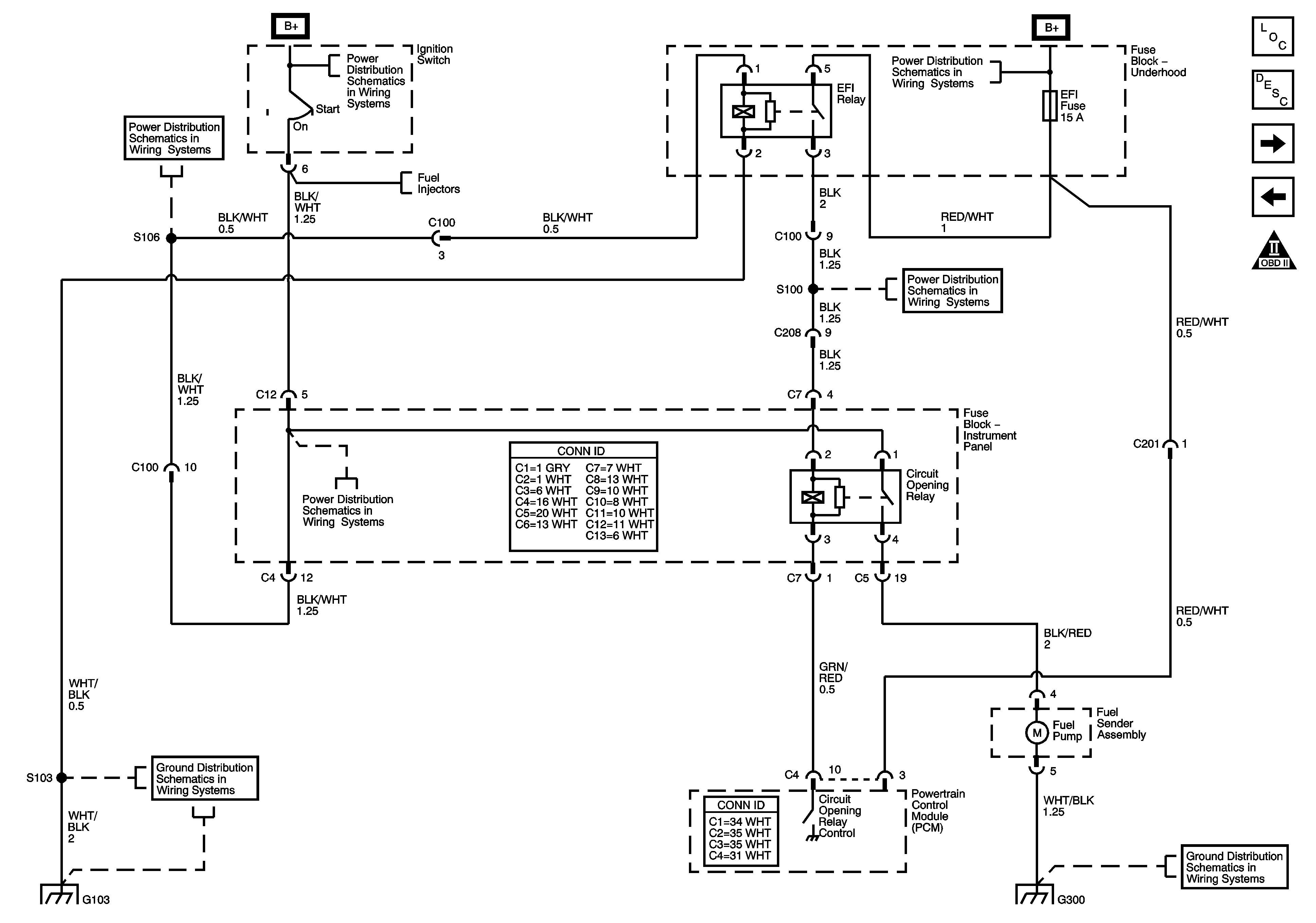
| Figure 5: |
Circuit Opening Relay, Fuel Sender Assembly
|
| Figure 6: |
Fuel Injectors
|
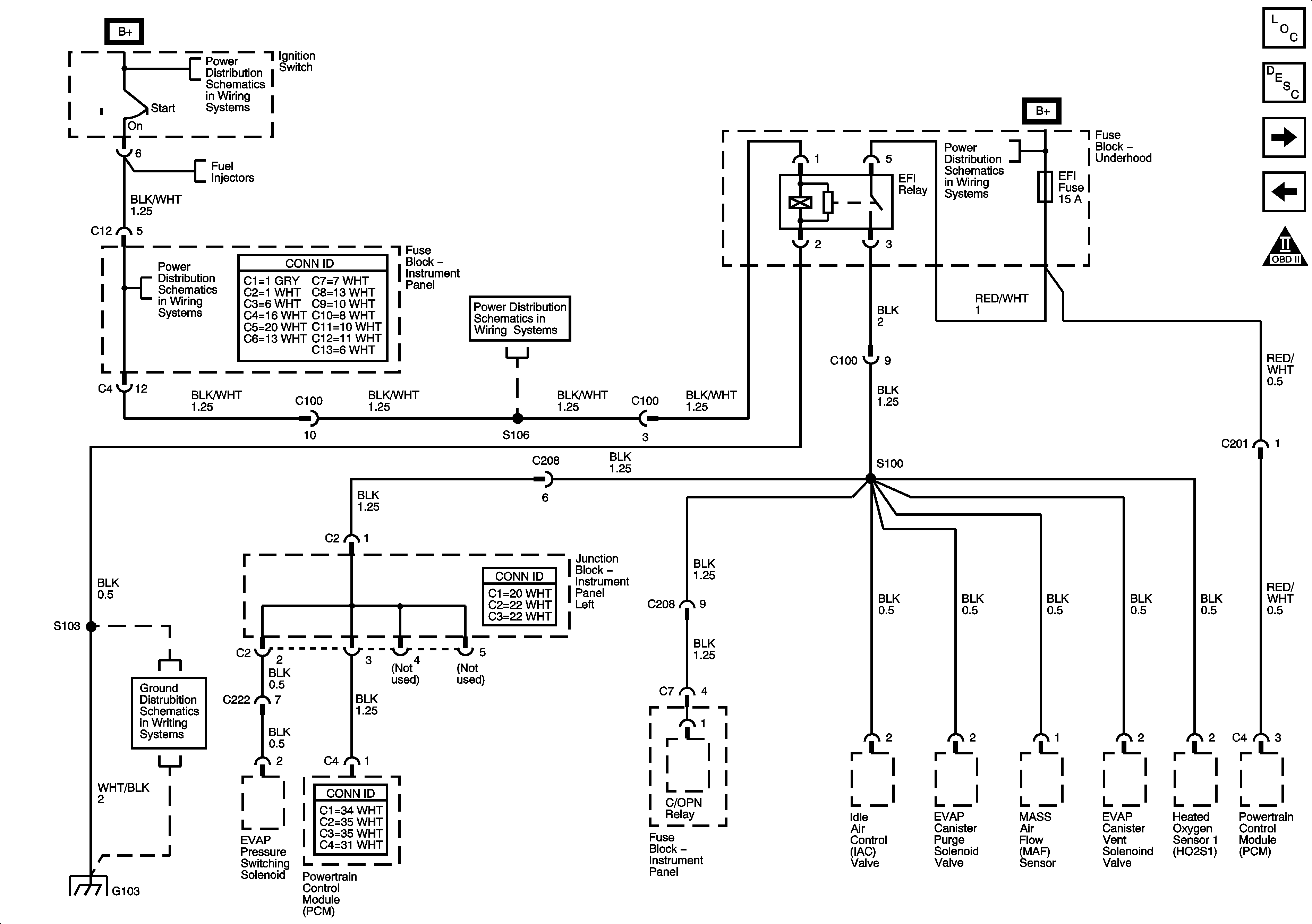
| Figure 7: |
Idle Air Control (IAC) Valve, EVAP Solenoids
|
| Figure 8: |
Ignition System
|
| Figure 9: |
ECT, Evaporator Temperature, Fuel Tank Pressure
TP Sensors
|
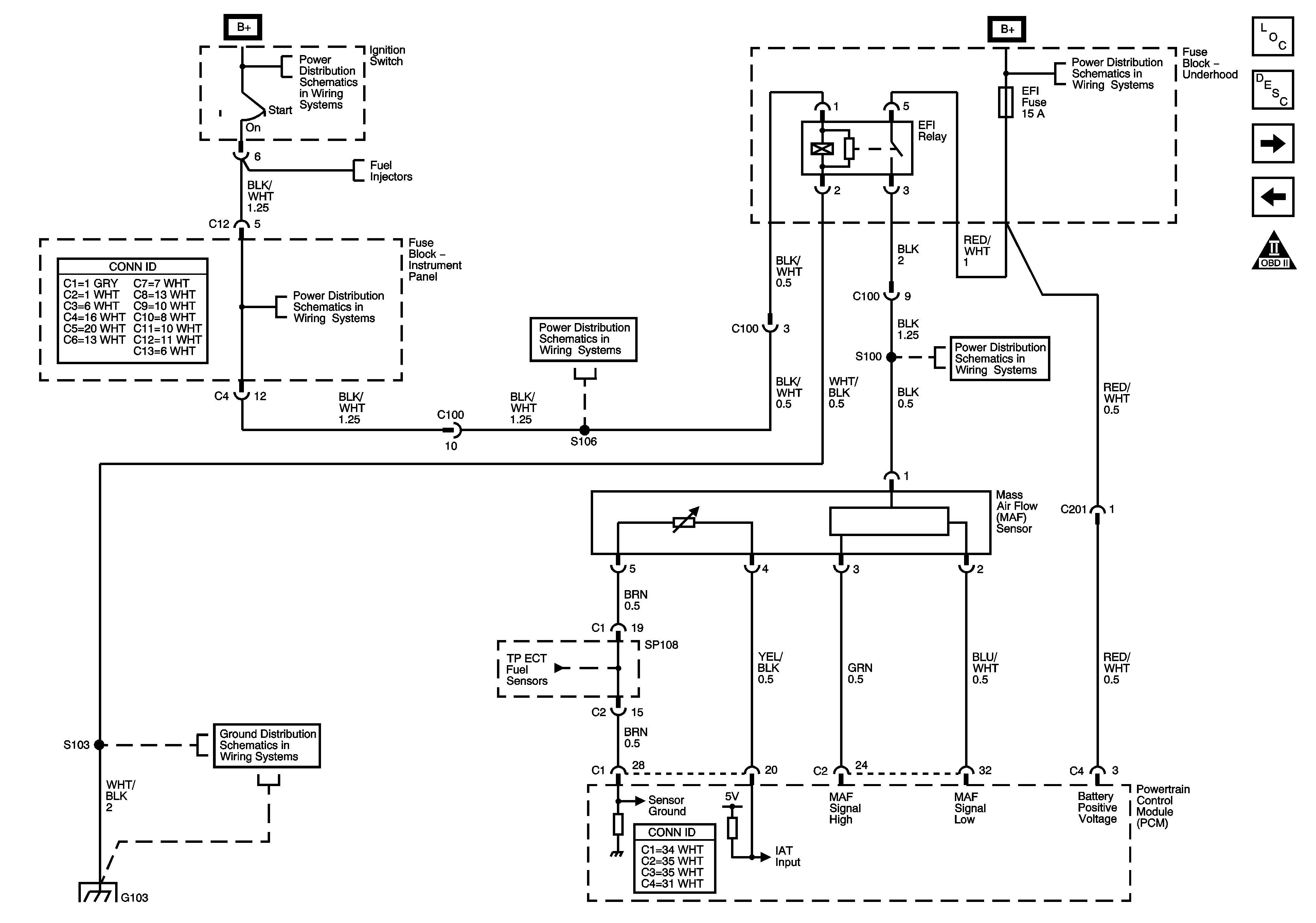
| Figure 10: |
Mass Air Flow (MAF) Sensor
|
| Figure 11: |
KS, CMP, CKP Sensors, CMP Actuator Solenoid Valve
|
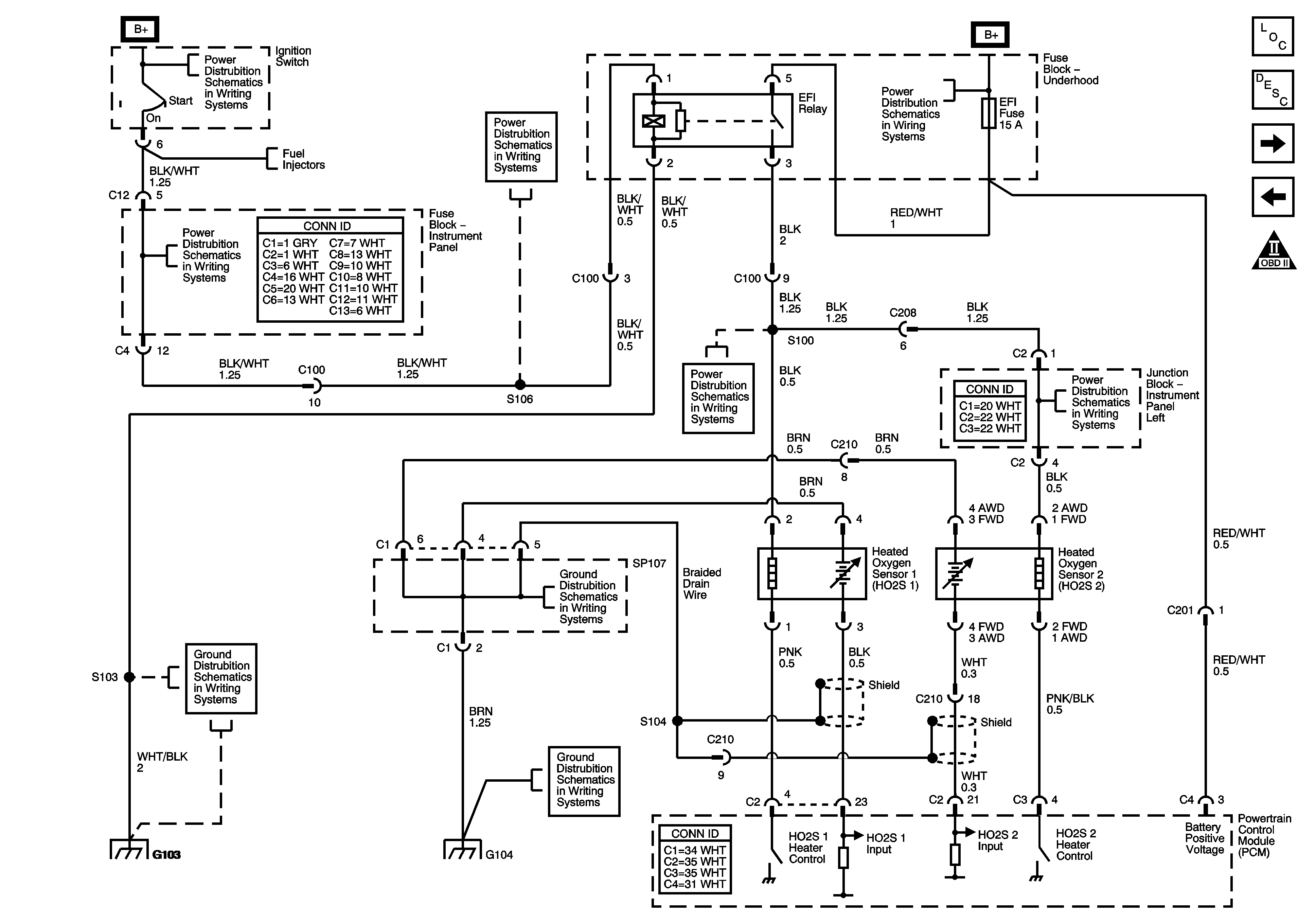
| Figure 12: |
Heated Oxygen Sensors
|
| Figure 13: |
Park/Neutral Position Switch
|
| Figure 14: |
Vehicle Speed Input, Tachometer Signal
|
| Figure 15: |
Automatic Transmission Controls FWD
|
| Figure 16: |
Automatic Transmission Controls AWD
|
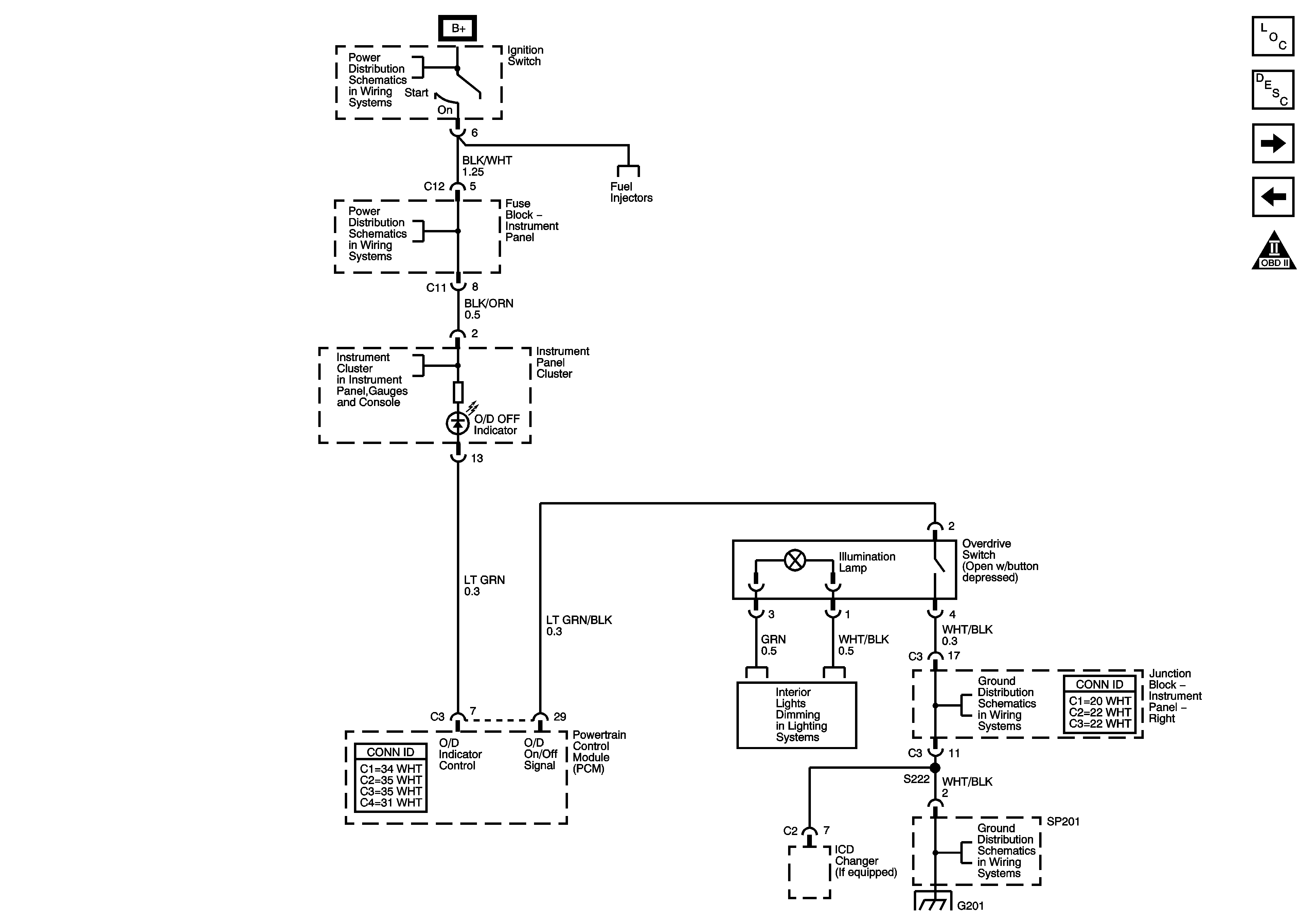
| Figure 17: |
Overdrive Switch
|
| Figure 18: |
Powertrain Control Module (PCM) Idle-Up Inputs
|