GM Service Manual Online
For 1990-2009 cars only
Makes
🢒
Pontiac
🢒
2004
🢒
Vibe - AWD
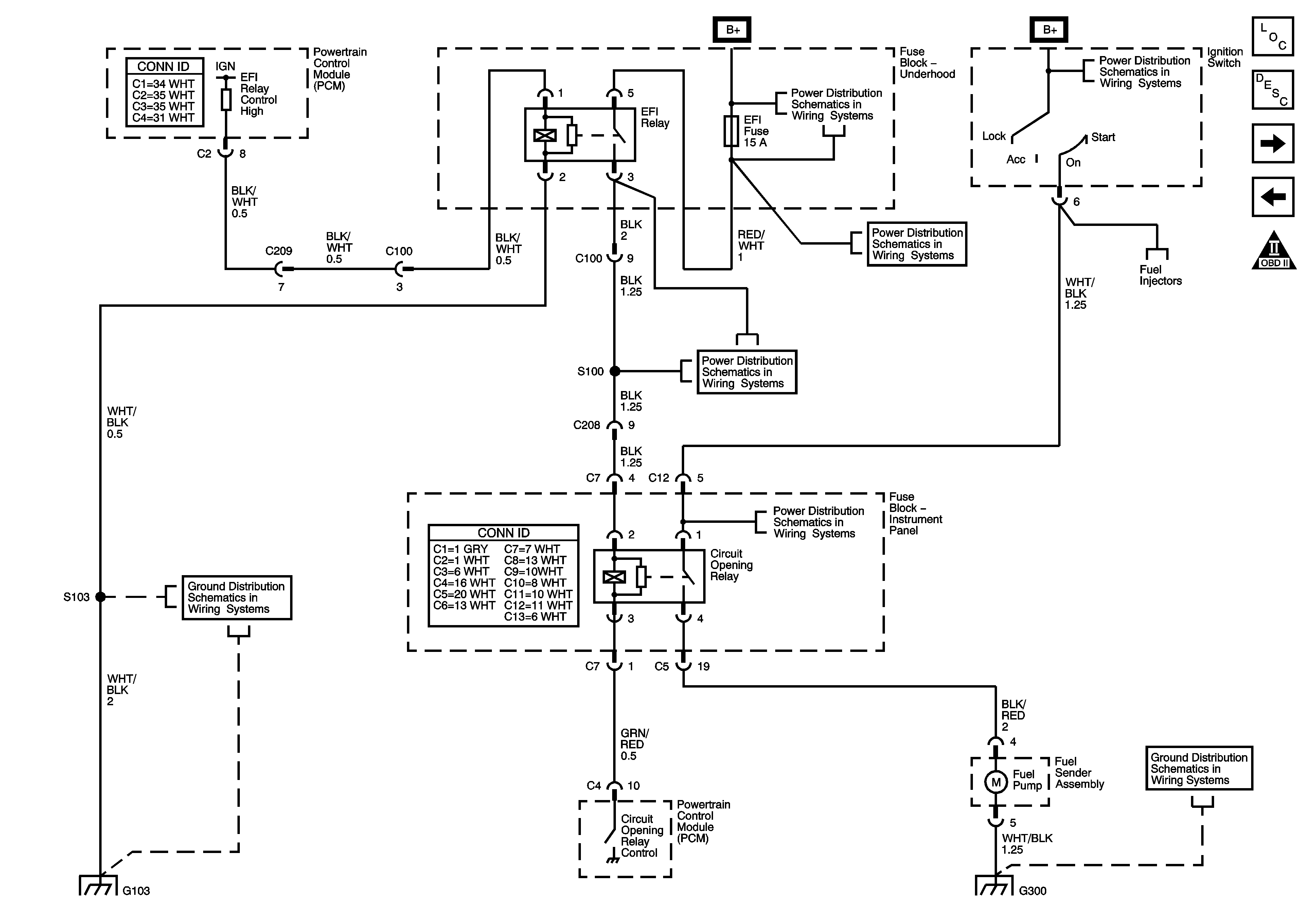
🢒 Circuit Opening Relay and Fuel Sender Assembly
Circuit Opening Relay and Fuel Sender Assembly
Circuit Opening Relay, Fuel Sender Assembly
Master Electrical Component List
Fuel Injectors
Data Link Connector (DLC) (2 of 2)
OBD II Symbol Description Notice
G103
Air Pump, Headlamps, Alt S, EFI, Hazard Fuses
Ignition Switch (1 of 2)
Air Pump, Headlamps, Alt S, EFI, Hazard Fuses
S 100
Ignition Switch (2 of 2)
G202, G300, G301 and G302