GM Service Manual Online
For 1990-2009 cars only
Makes
🢒
Pontiac
🢒
2004
🢒
Vibe - AWD
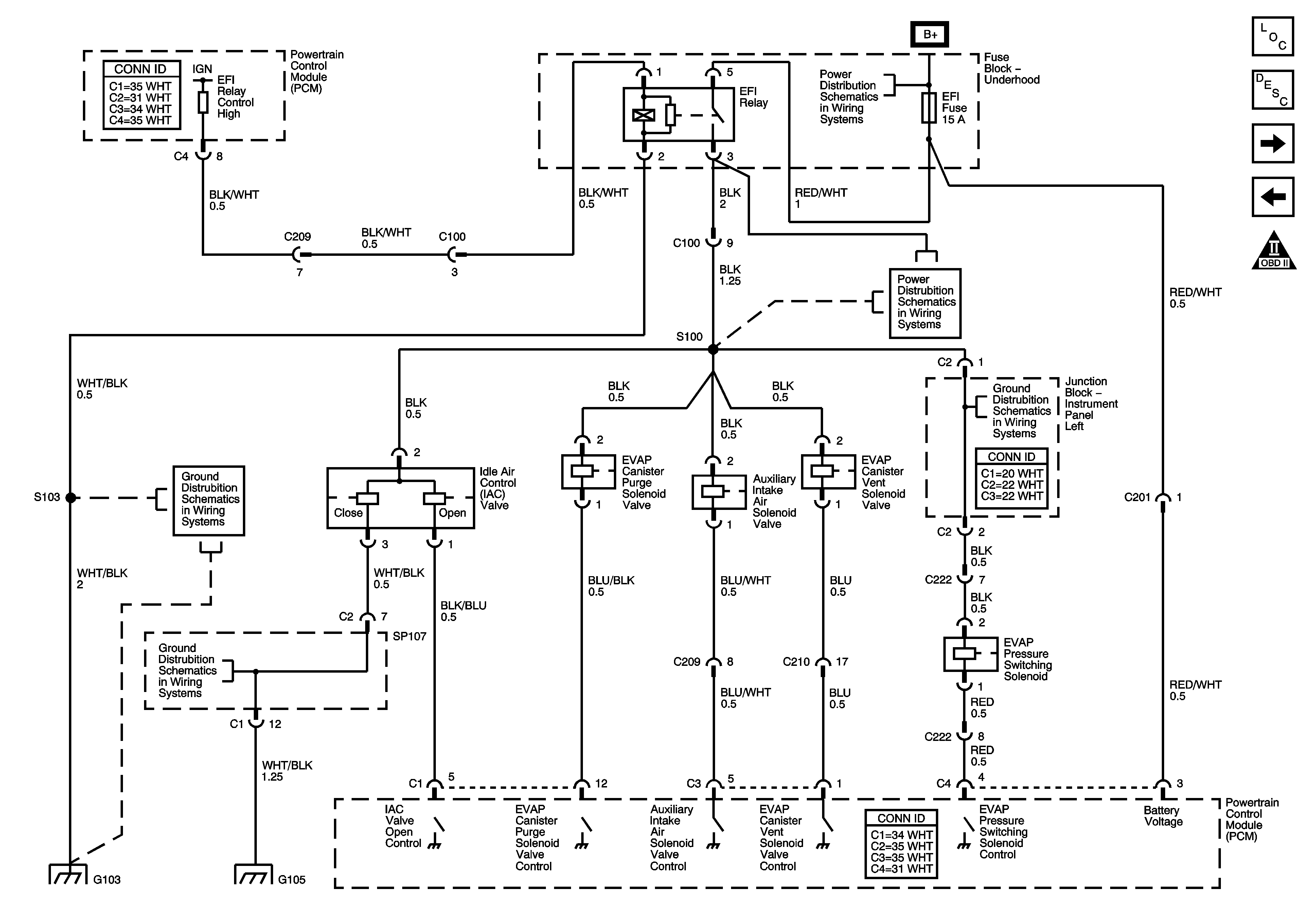
🢒 Idle Air Control (IAC) Valve and EVAP Solenoids
Idle Air Control (IAC) Valve and EVAP Solenoids
Idle Air Control (IAC) Valve, EVAP Solenoids
Master Electrical Component List
Ignition Coils
Fuel Injectors
OBD II Symbol Description Notice
Alt, ABS 2, RDI Fan, ABS 1, Fog Fuses
G105, G106 and G107
Air Pump, Headlamps, Alt S, EFI, Hazard Fuses
S 100
S 100