GM Service Manual Online
For 1990-2009 cars only

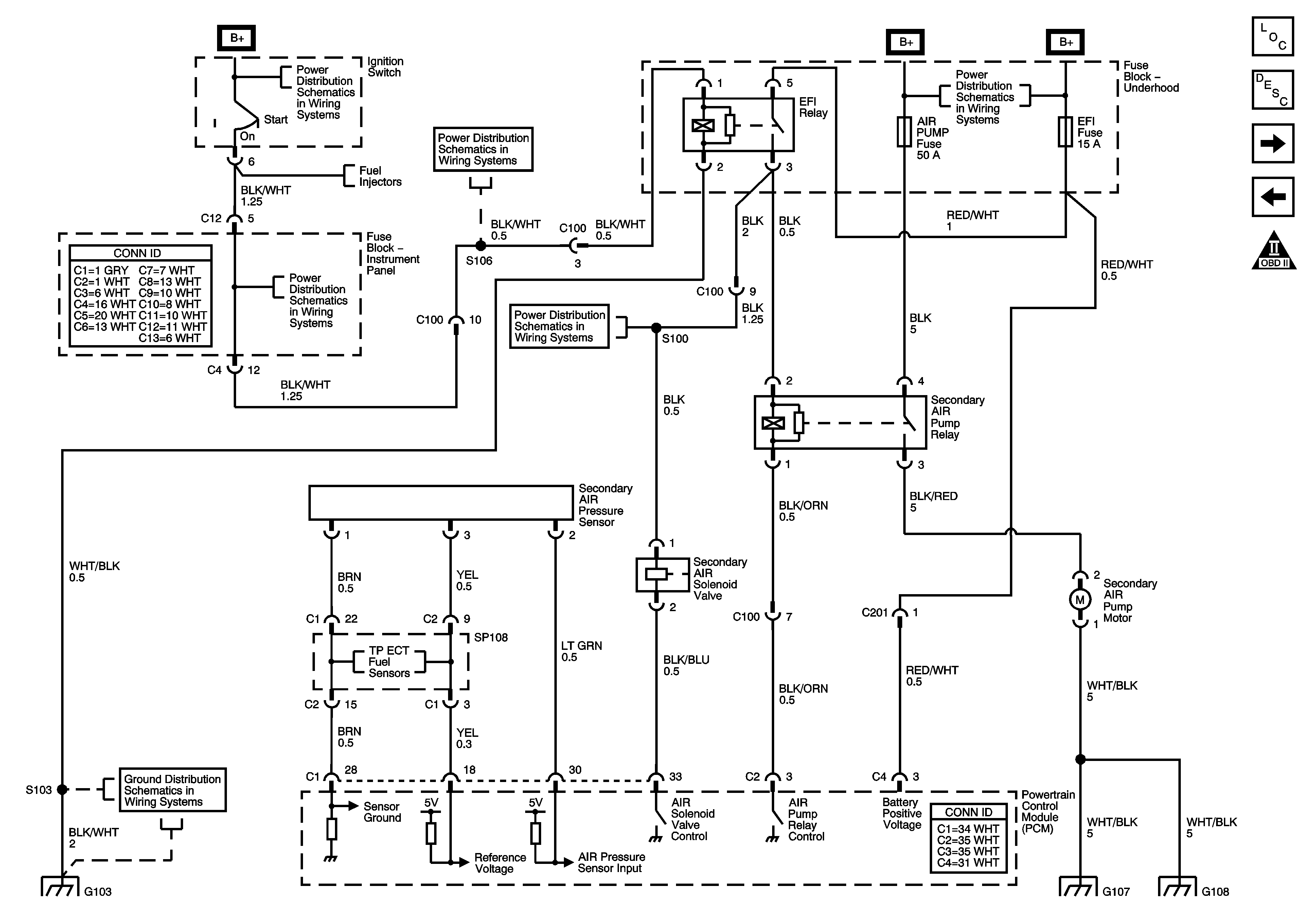
Air Pump Relay, Solenoid Valve, Pressure Sensor and Motor

Air Pump Relay, Solenoid Valve, Pressure Sensor and Motor


Object Number: 1234942  Size: FS
Master Electrical Component List
ECT, Evaporator Temperature, Fuel Tank Pressure, TP and Air Pump Sensors
Ignition Coils
OBD II Symbol Description Notice
Ignition Switch (1 of 2)
Ignition Switch (2 of 2)
Ignition Switch (2 of 2)
S 100
G103
Air Pump, Headlamps, Alt S, EFI, Hazard Fuses