GM Service Manual Online
For 1990-2009 cars only

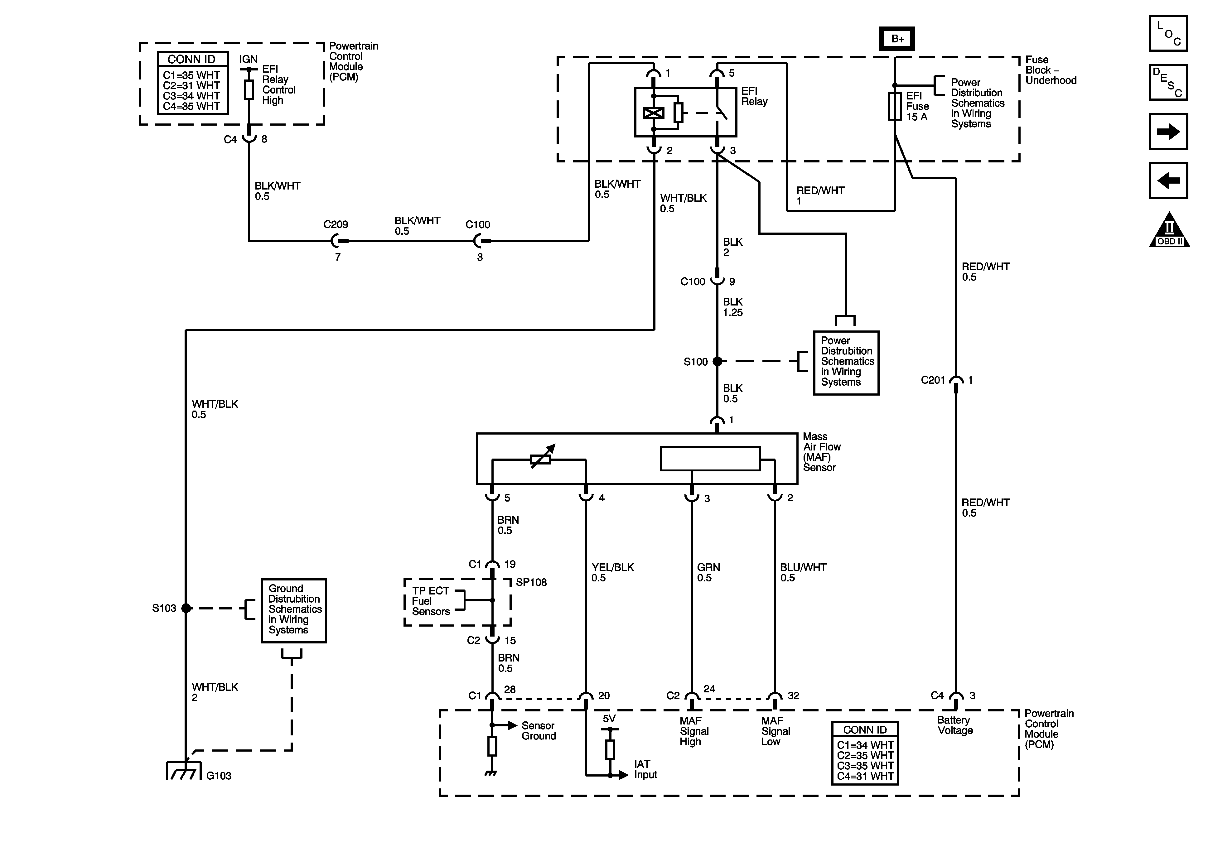
Mass Air Flow (MAF) Sensor

Mass Air Flow (MAF) Sensor


Object Number: 1234936  Size: FS
Master Electrical Component List
KS, CMP, CKP Sensors and CMP Actuator Solenoid Valve
ECT, Evaporator Temperature, Fuel Tank Pressure, TP and Air Pump Sensors
OBD II Symbol Description Notice
G103
Air Pump, Headlamps, Alt S, EFI, Hazard Fuses
S 100