GM Service Manual Online
For 1990-2009 cars only

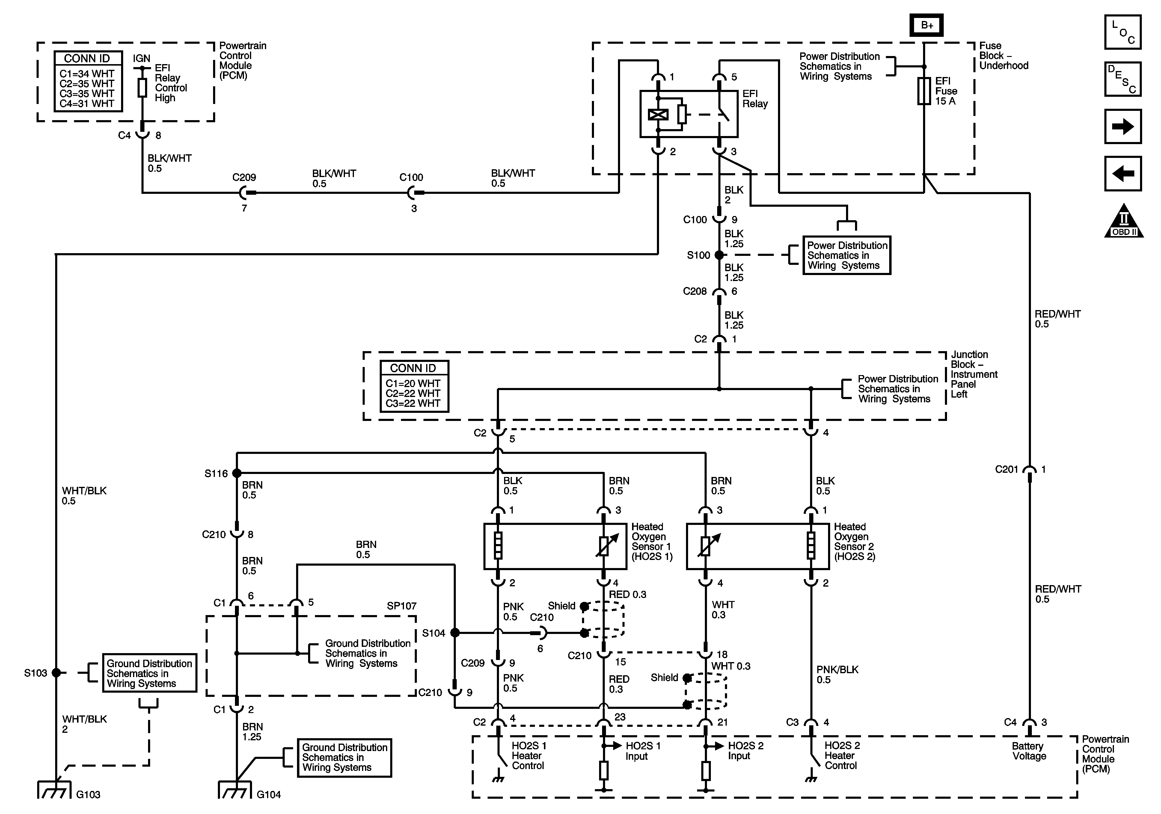
Heated Oxygen Sensors

Heated Oxygen Sensors


Object Number: 1234939  Size: FS
Master Electrical Component List
Vehicle Speed Input and Tachometer Signal
KS, CMP, CKP Sensors and CMP Actuator Solenoid Valve
OBD II Symbol Description Notice
G103
G104
G104
Air Pump, Headlamps, Alt S, EFI, Hazard Fuses
S 100
S 100