GM Service Manual Online
For 1990-2009 cars only

Throttle Body Assembly Replacement FWD

Removal Procedure


    Object Number: 621681  Size: SH
  1. Remove the 2 nuts and the 2 retainers from the engine cover (1).
  2. Remove the engine cover (1) from the engine.

  3. Object Number: 1455362  Size: SH
  4. Loosen the clamp and remove the air inlet duct (2) from the throttle body assembly (1).

  5. Object Number: 1455363  Size: SH
  6. Disconnect the electrical connector (2) of the throttle actuator control (TAC) module.
  7. Drain the cooling system. Refer to Cooling System Draining and Filling in Engine Cooling.
  8. Disconnect the 2 coolant hoses (3) from the throttle body (1).

  9. Object Number: 1455365  Size: SH
  10. Remove the upper 2 fasteners (2) and the lower 2 fasteners (4) from the throttle body (3).
  11. Remove the throttle body (3) and the gasket (1) from the intake manifold.
  12. Clean any remaining throttle body gasket from the intake manifold.

Installation Procedure


    Object Number: 1455365  Size: SH
  1. Install a new throttle body gasket (1) onto the intake manifold.
  2. Install the throttle body (3) onto the intake manifold.
  3. Notice: Refer to Fastener Notice in the Preface section.

  4. Secure the throttle body to the manifold with 4 fasteners (2, 4).
  5. Install the 4 throttle body fasteners.

    Tighten
    Tighten the fasteners to 9 N·m (80 lb in).


    Object Number: 1455363  Size: SH
  6. Connect the 2 coolant hoses (3) to the throttle body (1).
  7. Connect the TAC module electrical connector (2).

  8. Object Number: 1455362  Size: SH
  9. Install the air inlet duct (2) to the throttle body (1).
  10. Refill the cooling system. Refer to Cooling System Draining and Filling in Engine Cooling.

  11. Object Number: 621681  Size: SH
  12. Install the engine cover (1) to the engine.
  13. Secure the engine cover (1) with the 2 nuts.
  14. Tighten
    Tighten the fasteners to 7 N·m (62 lb in).

  15. Install the 2 retainers to the engine cover.

Throttle Body Assembly Replacement AWD

Removal Procedure


    Object Number: 621681  Size: SH
  1. Remove the 2 nuts and the 2 retainers from the engine cover (1).
  2. Remove the engine cover (1) from the engine.

  3. Object Number: 833115  Size: SH
  4. Remove the air inlet duct (4) from the throttle body assembly (6).
  5. Remove the positive crankcase ventilation (PCV) breather hose (1).
  6. Remove the throttle position (TP) sensor connector (3).
  7. Rotate the throttle lever and disconnect the accelerator cable and the throttle valve cable, if equipped.
  8. Disconnect the electrical connector (5) of the idle air control (IAC) valve.
  9. Drain the cooling system. Refer to Cooling System Draining and Filling in Engine Cooling.
  10. Remove the 2 coolant hoses (2) from the throttle body.

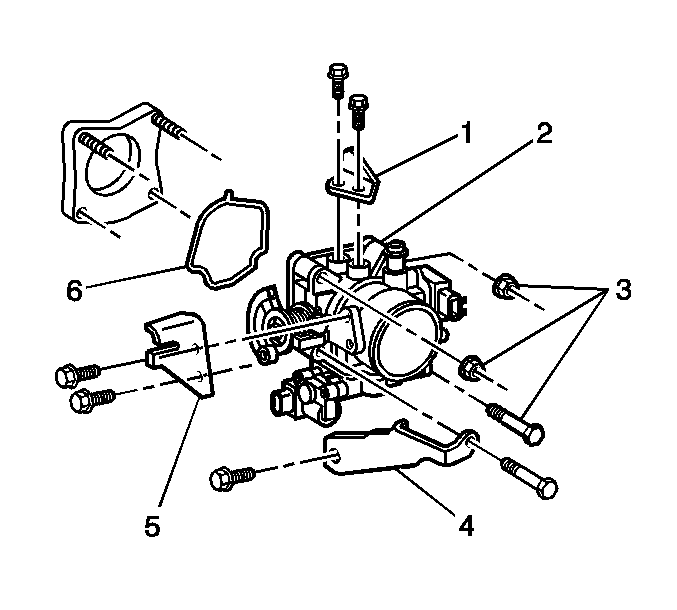
  11. Object Number: 833116  Size: SH
  12. Remove the 2 bolts and the accelerator control cable bracket (5).
  13. Remove the 2 fasteners and the throttle body bracket (4).
  14. Remove the 3 throttle body fasteners (3).
  15. Remove the 2 fasteners and the manifold support bracket (3).
  16. Remove the throttle body (2) and the gasket (6) from the intake manifold.
  17. Clean any remaining throttle body gasket from the intake manifold.

Installation Procedure


    Object Number: 833109  Size: SH
  1. Install a new throttle body gasket (1) onto the intake manifold (2).

  2. Object Number: 833116  Size: SH
  3. Install the throttle body (2) onto the intake manifold with the 3 fasteners (3).
  4. Install the throttle body bracket (4) and the 2 bolts to the throttle body.
  5. Notice: Use the correct fastener in the correct location. Replacement fasteners must be the correct part number for that application. Fasteners requiring replacement or fasteners requiring the use of thread locking compound or sealant are identified in the service procedure. Do not use paints, lubricants, or corrosion inhibitors on fasteners or fastener joint surfaces unless specified. These coatings affect fastener torque and joint clamping force and may damage the fastener. Use the correct tightening sequence and specifications when installing fasteners in order to avoid damage to parts and systems.

  6. Install the 5 throttle body fasteners.
  7. Tighten
    Tighten the fasteners to 30 N·m (22 lb ft).

  8. Install the manifold support bracket (1) to the throttle body with 2 bolts.
  9. Install the 2 fasteners.

    Tighten
    Tighten the fasteners to 30 N·m (22 lb ft).

  10. Install the accelerator control cable bracket (5) to the throttle body with 2 bolts.
  11. Install the 2 fasteners.

    Tighten
    Tighten the fasteners to 13 N·m (10 lb ft).


    Object Number: 833115  Size: SH
  12. Connect the 2 coolant hoses (2) to the throttle body (6).
  13. Connect the PCV breather hose (1) to the throttle body (6).
  14. Connect the IAC valve electrical connector (5).
  15. Connect the TP sensor electrical connector (3).
  16. Install the air inlet duct (4).
  17. Refill the cooling system. Refer to Cooling System Draining and Filling in Engine Cooling.

  18. Object Number: 621681  Size: SH
  19. Install the engine cover (1) to the engine.
  20. Secure the engine cover (1) with the 2 nuts.
  21. Tighten
    Tighten the fasteners to 7 N·m (62 lb in).

  22. Install the 2 retainers to the engine cover.