GM Service Manual Online
For 1990-2009 cars only
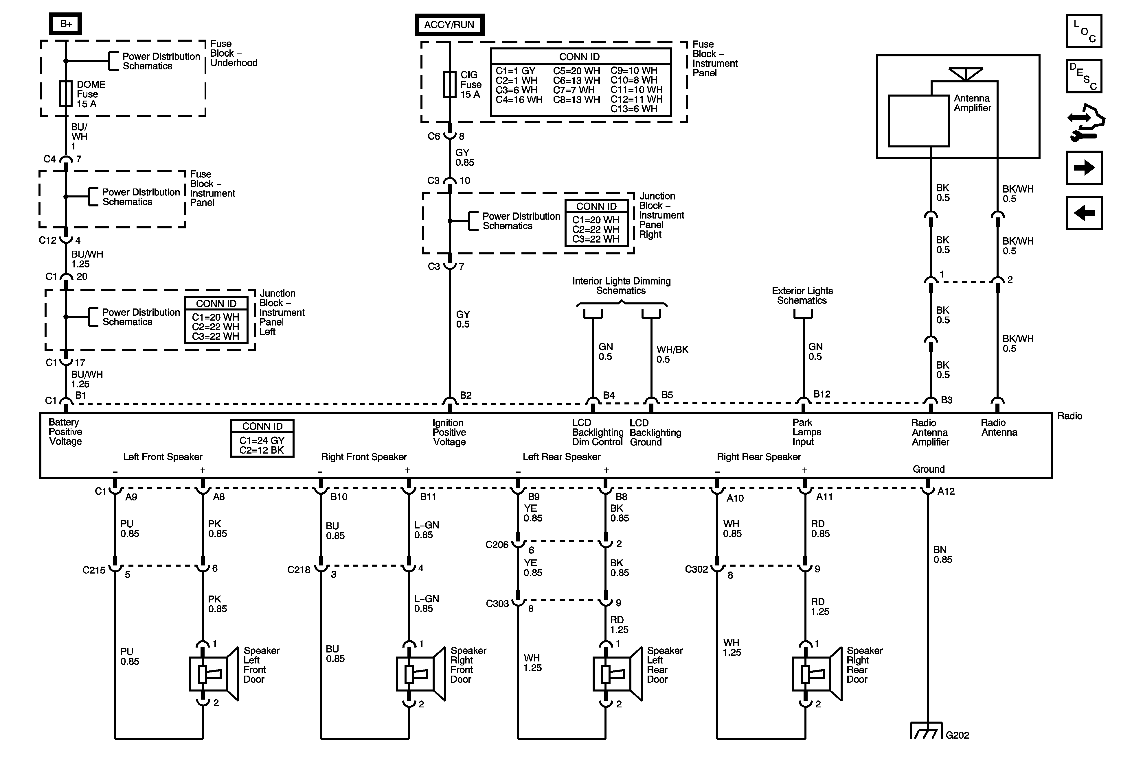
Figure 1:

Navigation Radio - U1A, UZ6


Object Number: 1426727  Size: FS
Master Electrical Component List
Radio/Audio System Description and Operation
Control Module References
Radio - UW4
Horn, Dome, Main, Amp, Onstar Fuses
Horn, Dome, Main, Amp, Onstar Fuses
Horn, Dome, Main, Amp, Onstar Fuses
Ignition Switch (1 of 2)
Illumination Lamps
Park Lamps
G202, G300, G301, G302
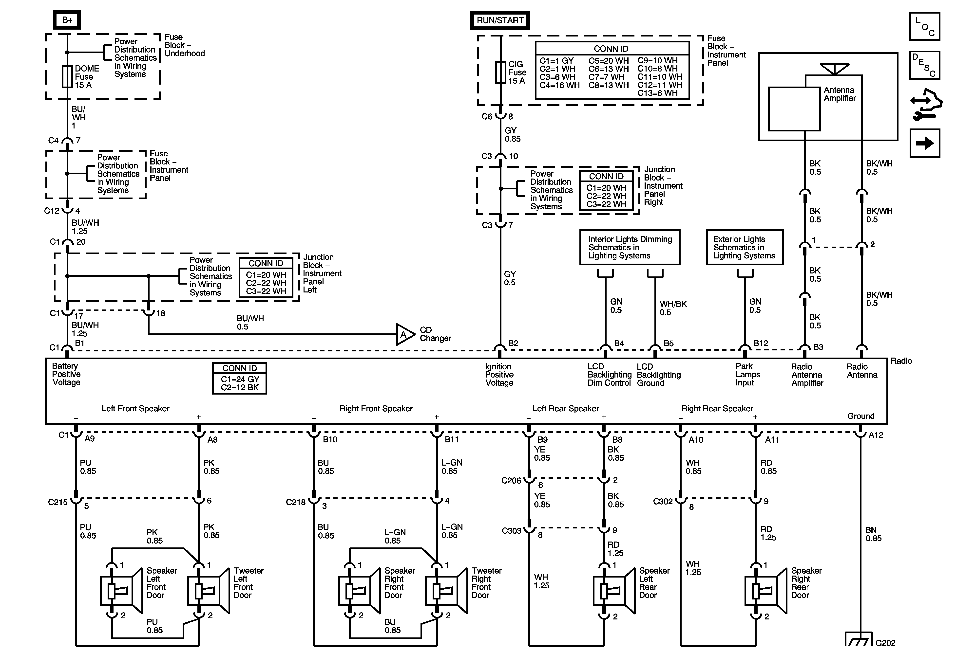
Figure 2:

Radio - UW4


Object Number: 1426723  Size: FS
Master Electrical Component List
Radio/Audio System Description and Operation
Control Module References
Radio - Monsoon U1P/U65
Navigation Radio - U1A/UZ6
Horn, Dome, Main, Amp, Onstar Fuses
Horn, Dome, Main, Amp, Onstar Fuses
Horn, Dome, Main, Amp, Onstar Fuses
Ignition Switch (1 of 2)
Illumination Lamps
Park Lamps
G202, G300, G301, G302
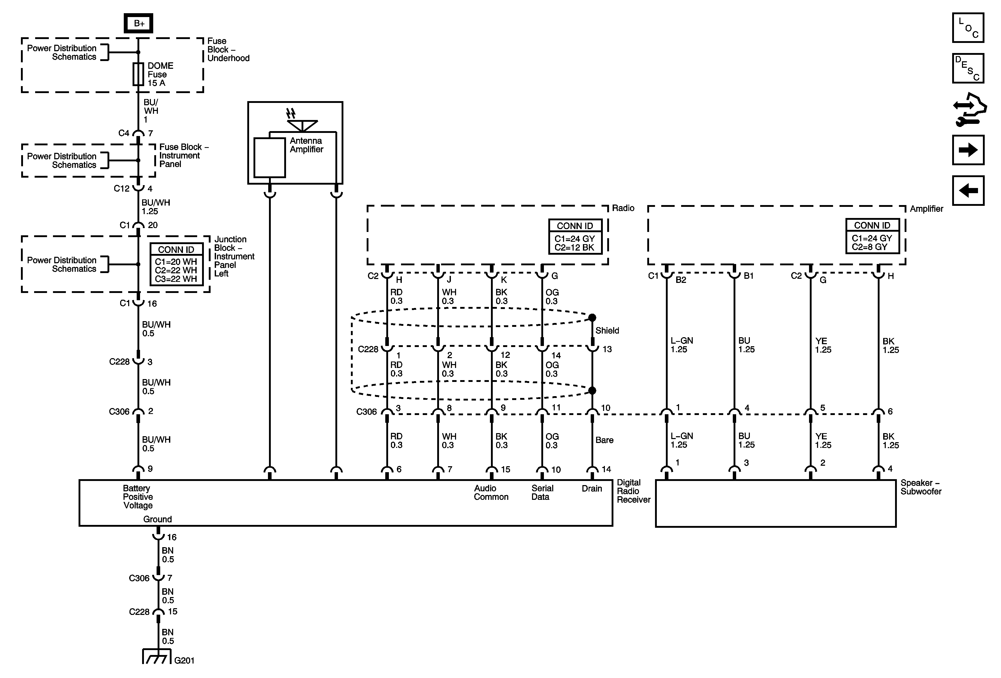
Figure 3:

Radio - Monsoon U1P, U65


Object Number: 1426725  Size: FS
Master Electrical Component List
Radio/Audio System Description and Operation
Control Module References
Digital Radio Receiver and Subwoofer - U1P/U2K/U65
Radio - UW4
Horn, Dome, Main, Amp, Onstar Fuses
SP201 and G201
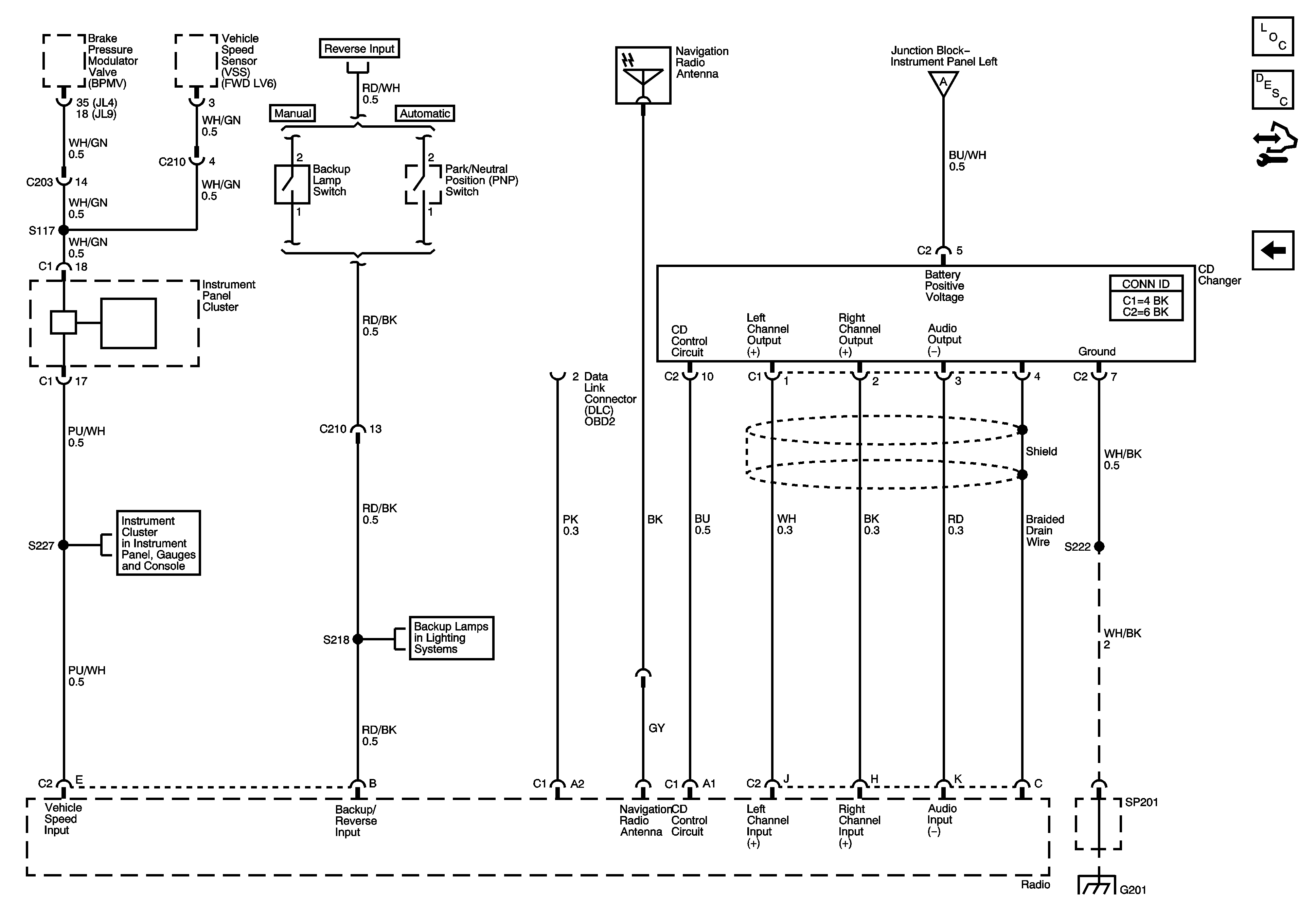
Figure 4:

Digital Radio Receiver and Subwoofer -- U1P, U2K, U65


Object Number: 1426726  Size: FS
Master Electrical Component List
Radio/Audio System Description and Operation
Control Module References
Navigation Radio and Remote CD Changer-U1A/UC6
Radio - Monsoon U1P/U65
Horn, Dome, Main, Amp, Onstar Fuses
Horn, Dome, Main, Amp, Onstar Fuses
Horn, Dome, Main, Amp, Onstar Fuses
SP201 and G201
Figure 5:

Navigation Radio and Remote CD Changer -- U1A, UC6


Object Number: 1426733  Size: FS
Master Electrical Component List
Radio/Audio System Description and Operation
Control Module References
Radio - UW4
Dome/Courtesy Lamp Switches