GM Service Manual Online
For 1990-2009 cars only
Makes
🢒
Pontiac
🢒
2005
🢒
Vibe - AWD
🢒
Accessories
🢒
Power Outlets
🢒 Cigar Lighter/Power Outlet Schematics
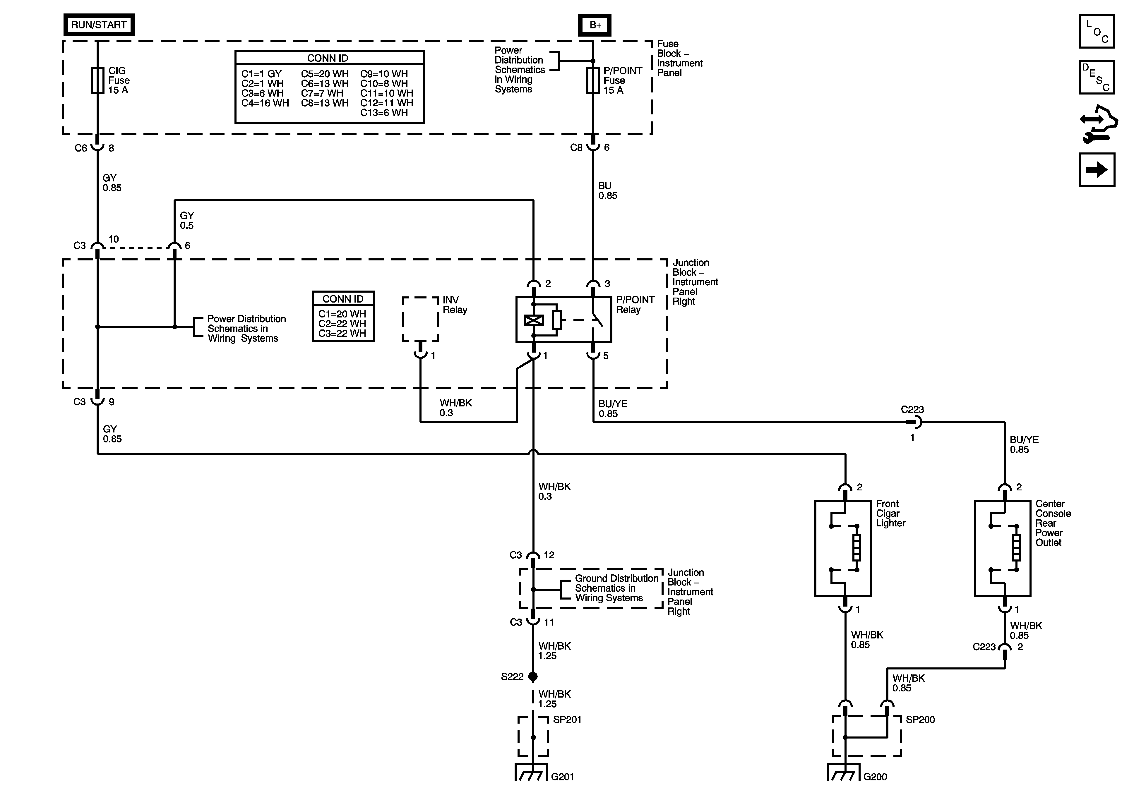
Figure
1:
Front Cigar Lighter and Center Console Rear Power Outlet
Master Electrical Component List
Power Outlets Description and Operation
Control Module References
Accessory Power Outlet
Ignition Switch (1 of 2)
Power, AM 1, Door, Tail, P/Point, ECU-B, Stop, OBD, INV, Fuses
Junction Block - Instrument Panel Right
SP201 and G201
SP201 and G201
Figure
2:
Accessory Power Outlet
Master Electrical Component List
Power Outlets Description and Operation
Control Module References
Front Cigar Lighter and Center Console Rear Power Outlet
Wash, RR Wip, Wiper, ECU-IG, Gauge, Heater, DEF Fuses
Junction Block - Instrument Panel Right
Illumination Lamps
SP201 and G201
Junction Block - Instrument Panel Right
SP201 and G201