GM Service Manual Online
For 1990-2009 cars only
Makes
🢒
Pontiac
🢒
2005
🢒
Vibe - AWD
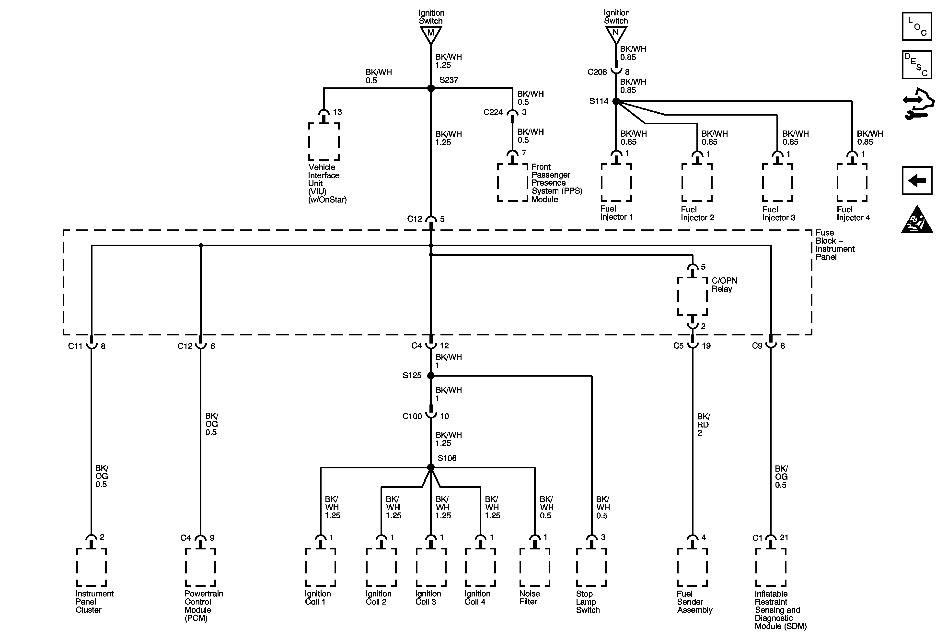
🢒 Ignition Switch 2 of 2
Ignition Switch 2 of 2
Ignition Switch 2 of 2
Master Electrical Component List
Control Module References
Ignition Switch 1 of 2
Power and Grounding Schematic Icons