GM Service Manual Online
For 1990-2009 cars only
Figure 1:

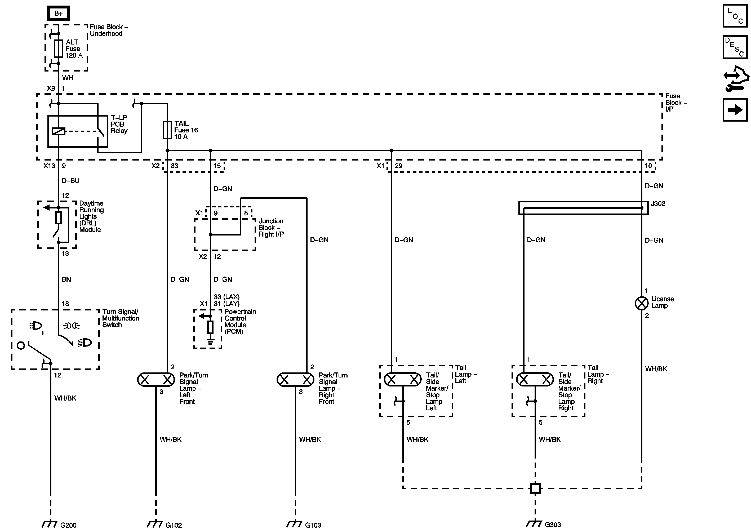
Park Lamps, License Lamps


Object Number: 2035281  Size: FS
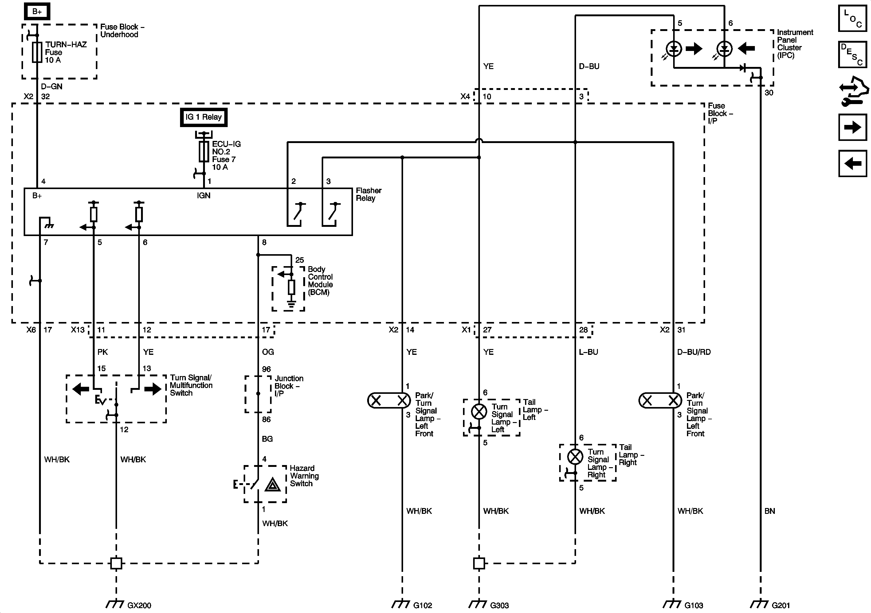
Figure 2:

Turn Signal Headlamp Switch, Turn Lamps, Flasher Relay


Object Number: 2035288  Size: FS
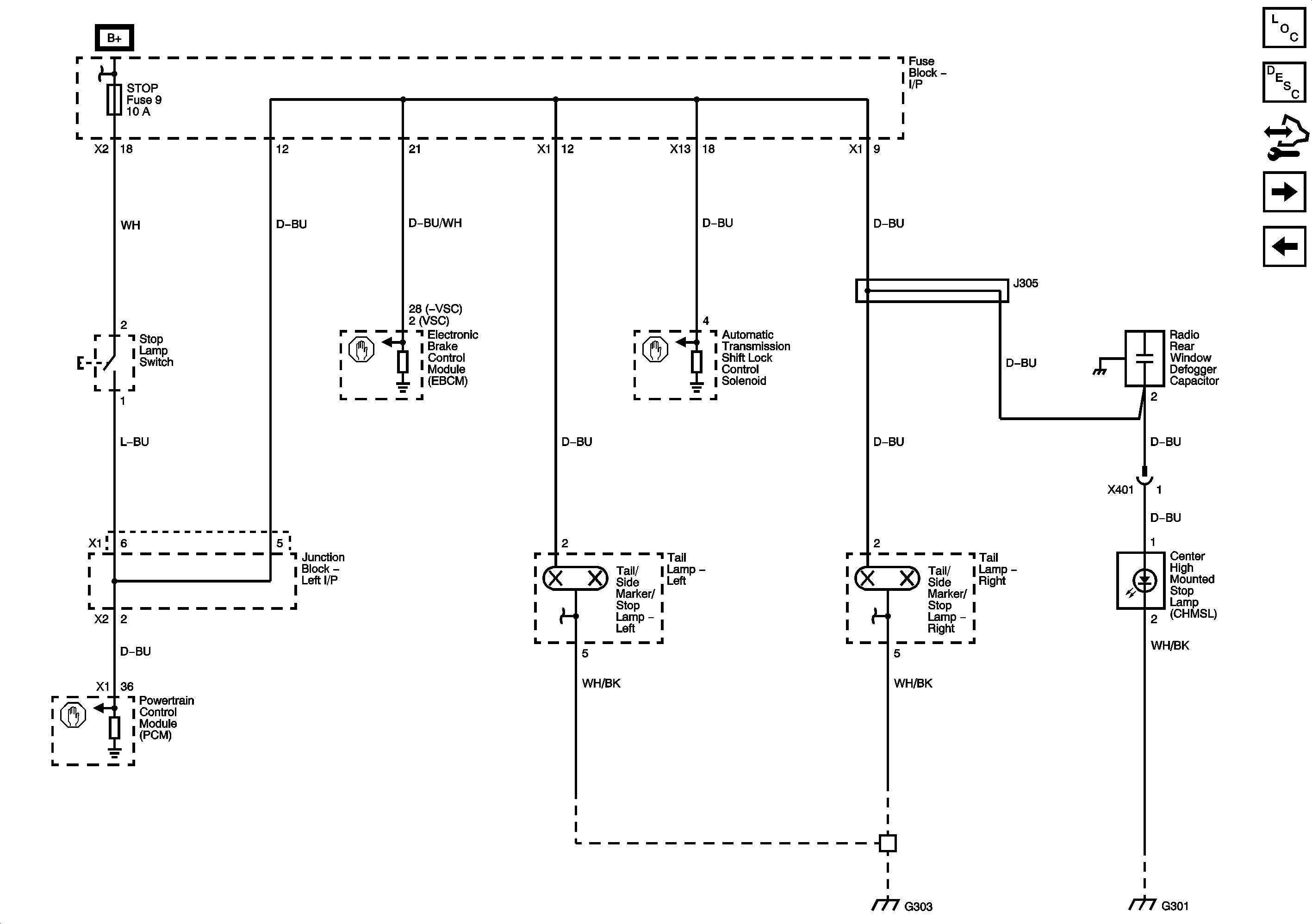
Figure 3:

Stop Lamps, Stop Lamp Switch


Object Number: 2035291  Size: FS
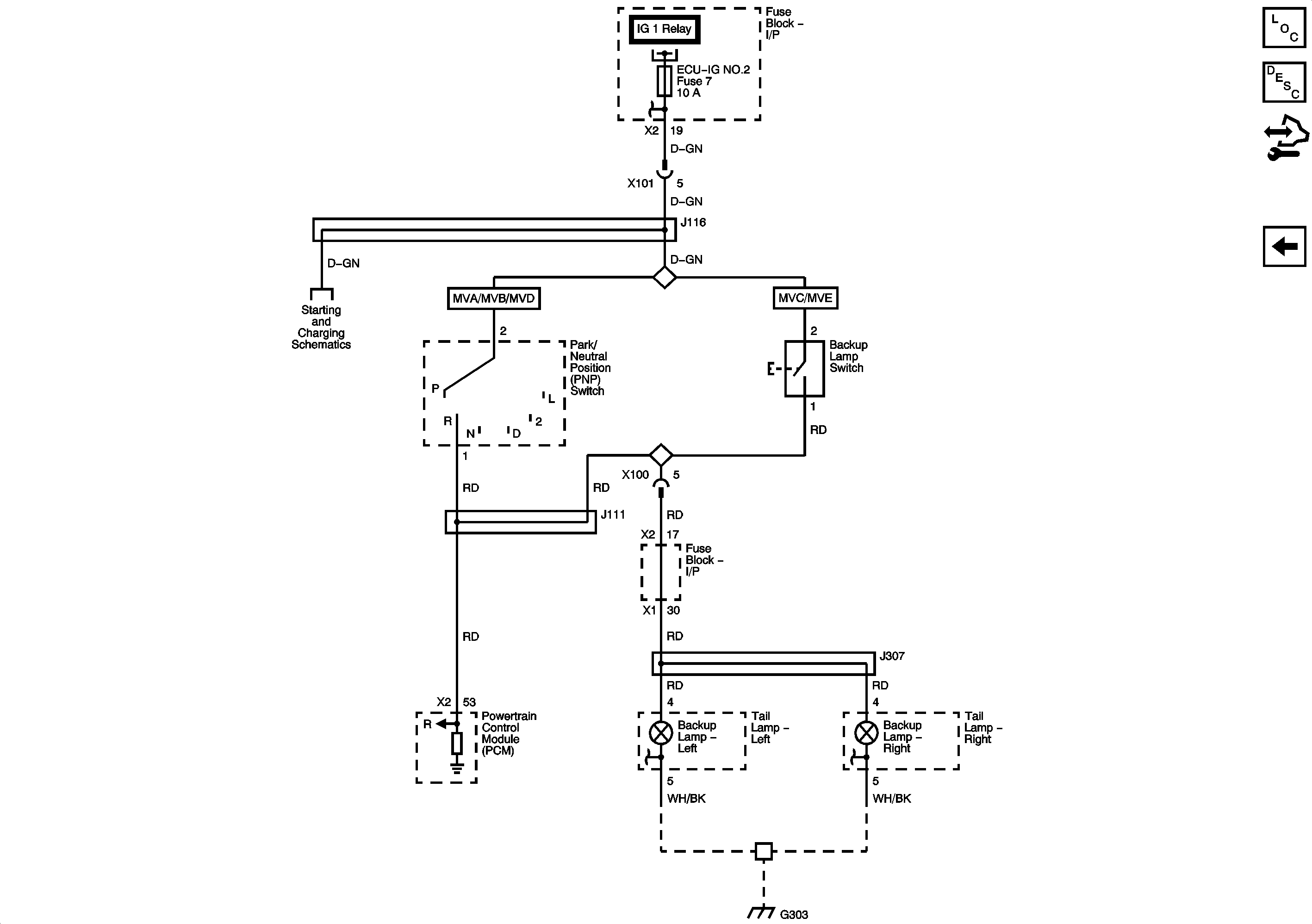
Figure 4:

Backup Lamps


Object Number: 2035282  Size: FS