GM Service Manual Online
For 1990-2009 cars only
Makes
🢒
Pontiac
🢒
2009
🢒
Vibe - AWD
🢒
Transmission
🢒
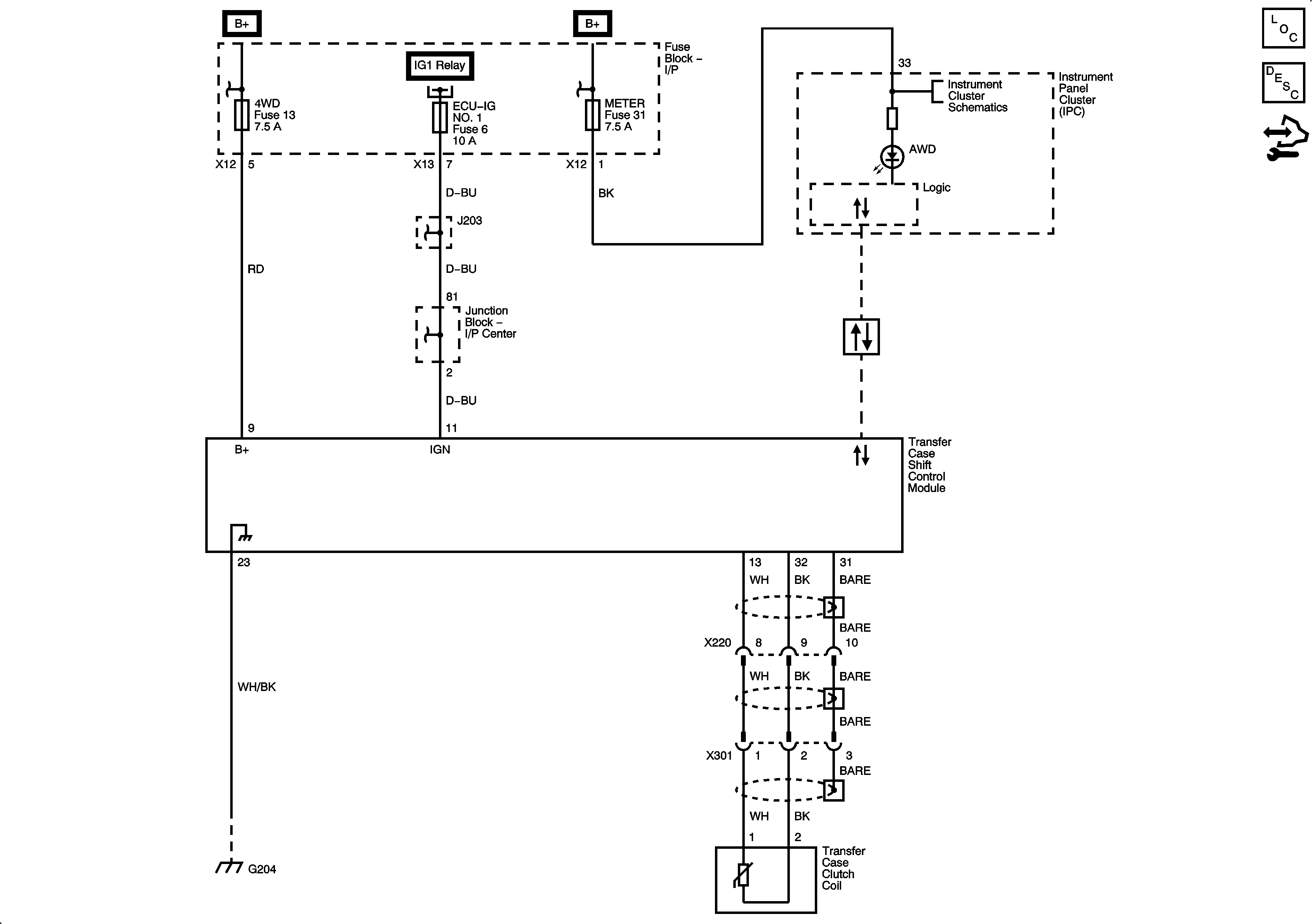
Transfer Case - Toyota MF1A
🢒 Transfer Case Control Schematics