GM Service Manual Online
For 1990-2009 cars only
Makes
🢒
Pontiac
🢒
2009
🢒
Vibe - AWD
🢒
Steering
🢒
Power Steering
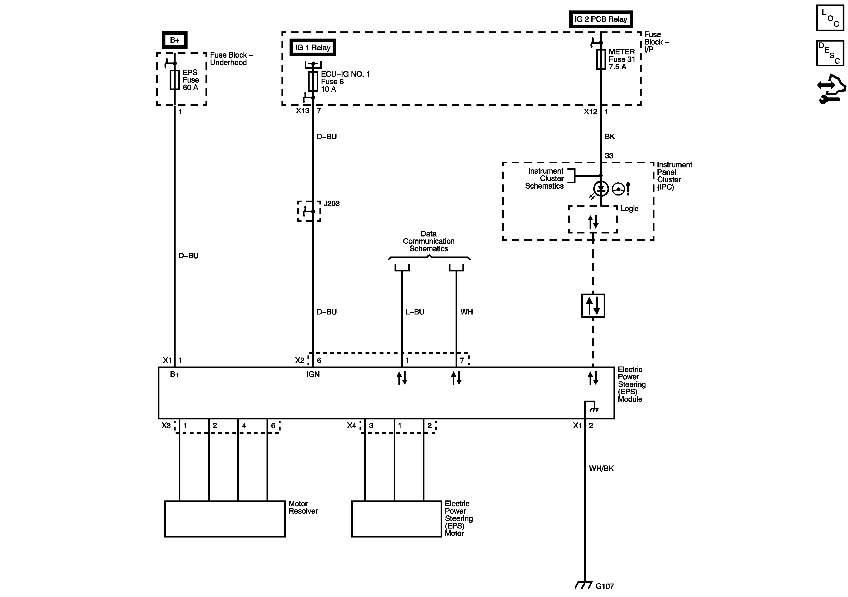
🢒 Power Steering Schematics