GM Service Manual Online
For 1990-2009 cars only
Makes
🢒
Pontiac
🢒
2003
🢒
Vibe - FWD
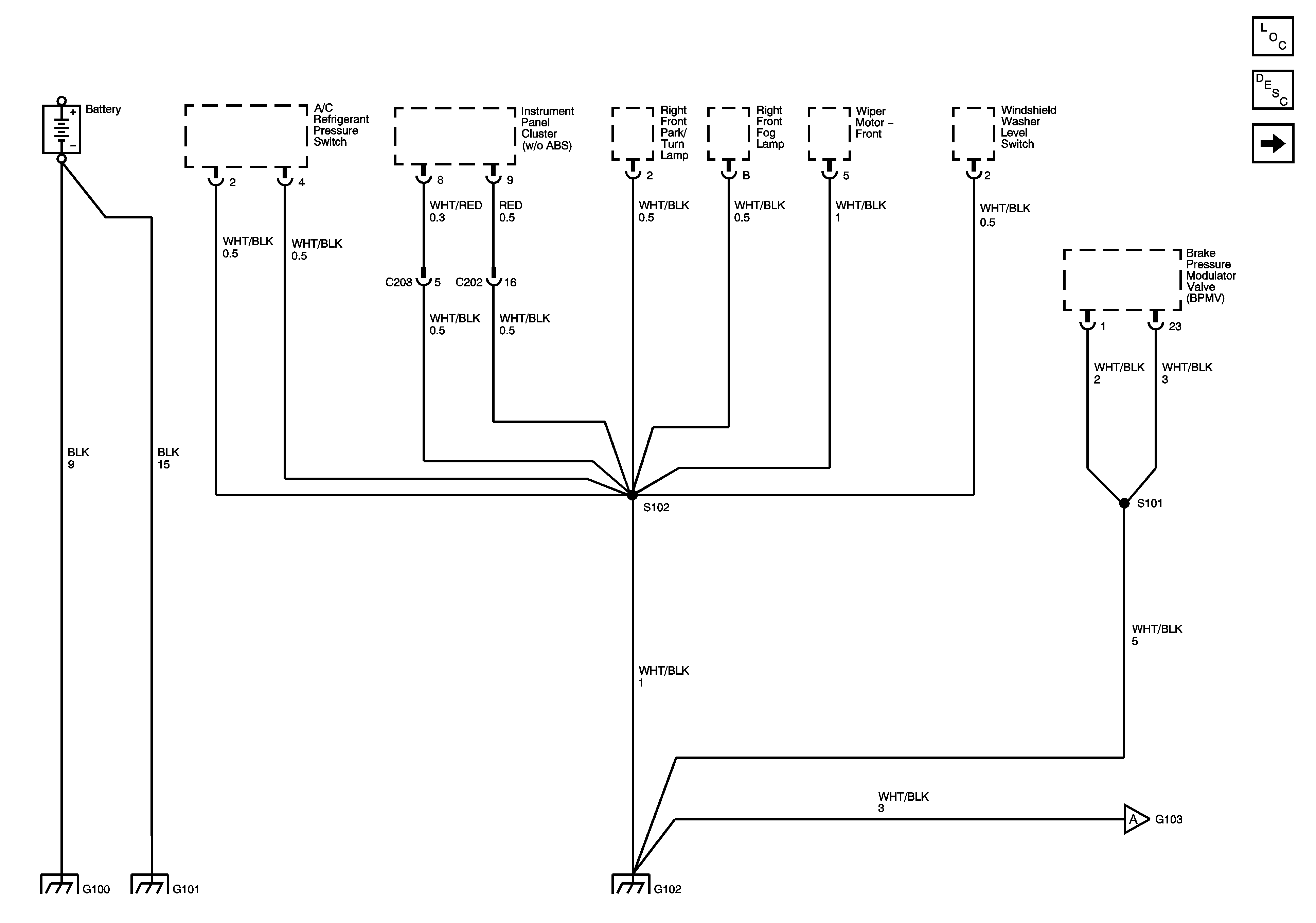
🢒 G100, G101, G102 and G103
G100, G101, G102 and G103
G100, G101, G102 and G103
Master Electrical Component List
S103 and G103