GM Service Manual Online
For 1990-2009 cars only
Makes
🢒
Pontiac
🢒
2003
🢒
Vibe - FWD
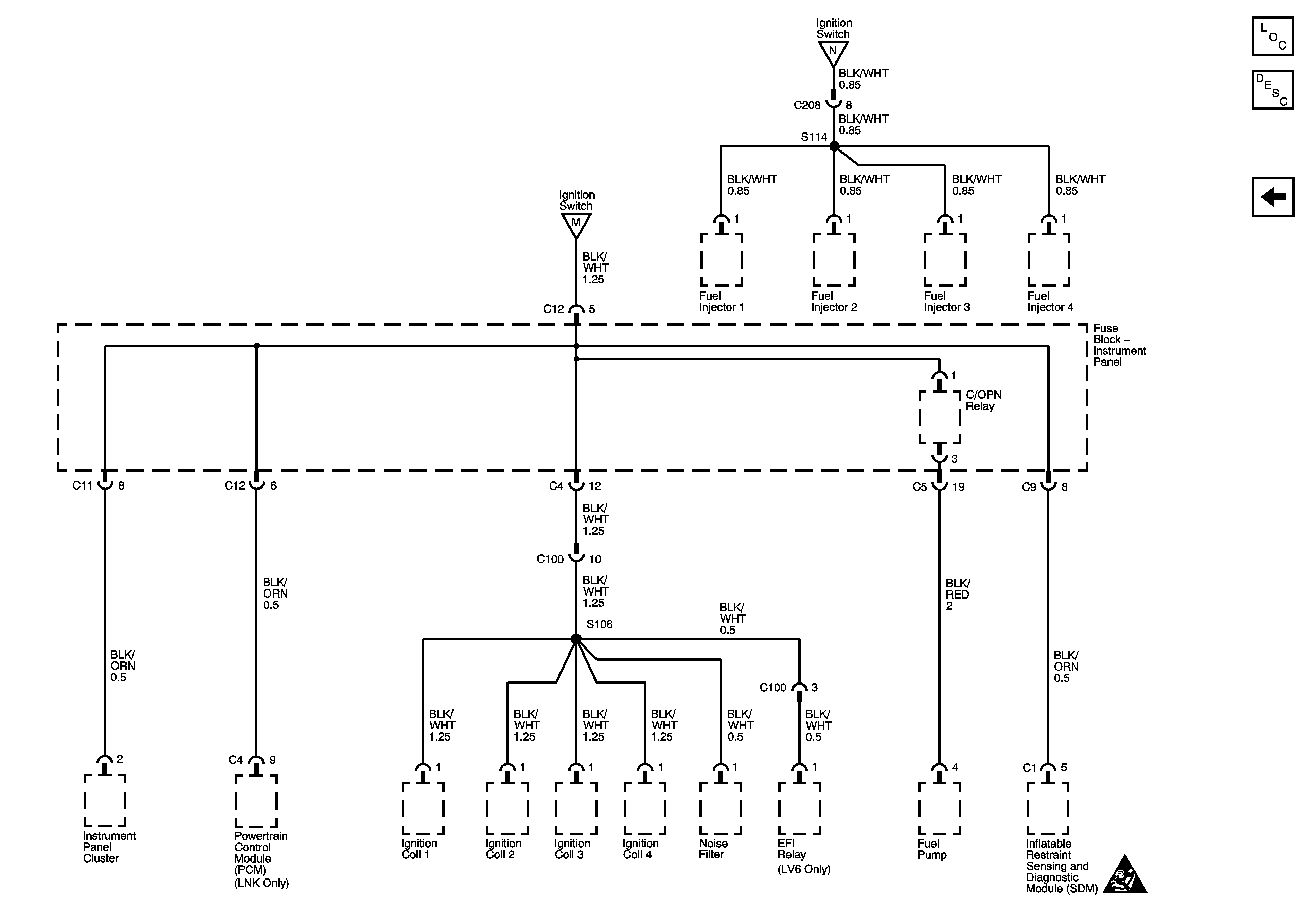
🢒 Ignition Switch and C/OPN Relay
Ignition Switch and C/OPN Relay
Ignition Switch and C/OPN Relay
Master Electrical Component List
Ignition Switch, CIG and IG 1 Fuses