GM Service Manual Online
For 1990-2009 cars only
Makes
🢒
Pontiac
🢒
2004
🢒
Vibe - FWD
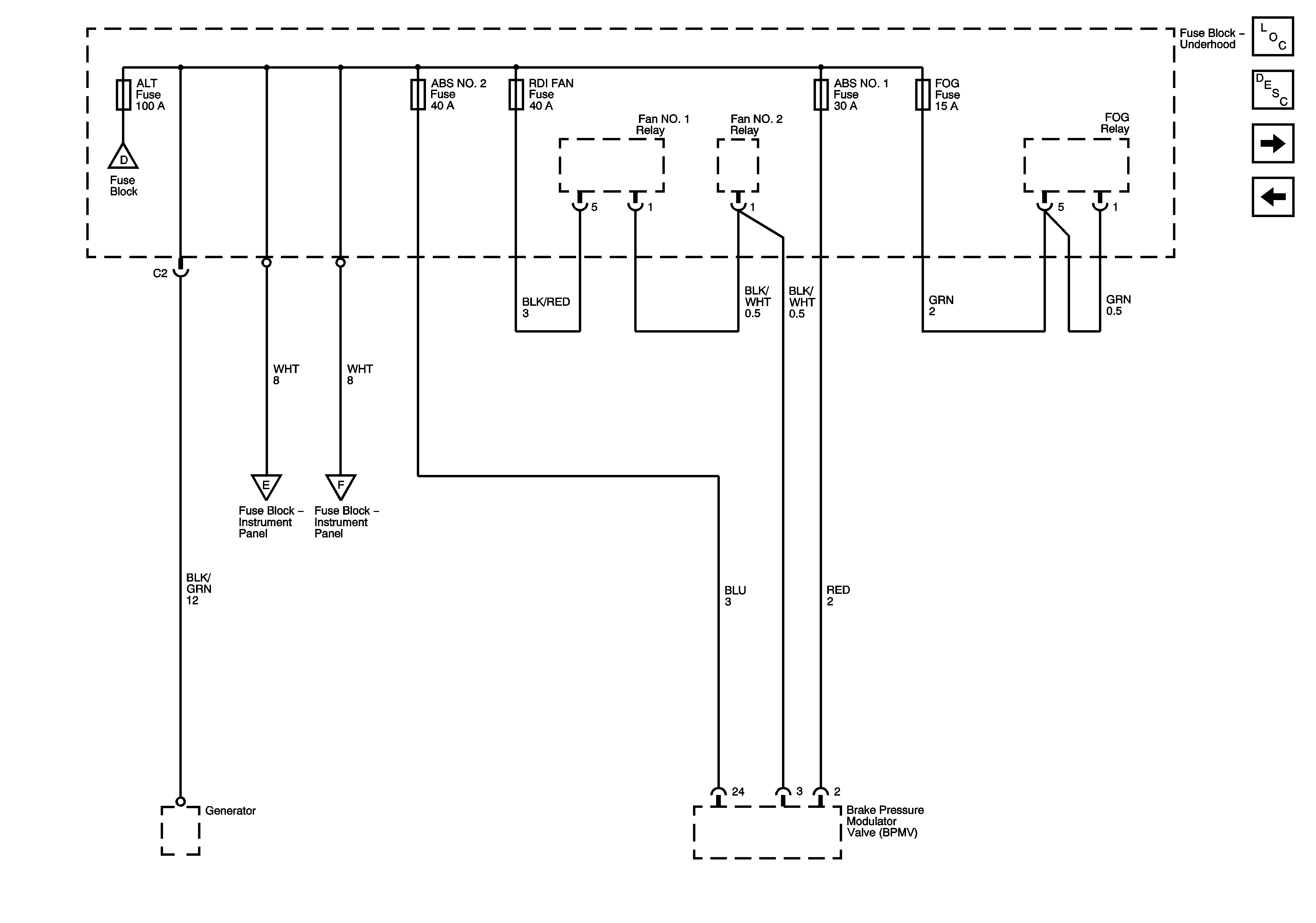
🢒 Alt, ABS 2, RDI Fan, ABS 1, Fog Fuses
Alt, ABS 2, RDI Fan, ABS 1, Fog Fuses
Alt, ABS 2, RDI, ABS 1, Fog Fuses
Master Electrical Component List
Power, AM 1, Door, Tail, P/Point, ECU-B, Stop, OBD, INV Fuses
Horn, Dome, Main, Amp Fuses