GM Service Manual Online
For 1990-2009 cars only
Makes
🢒
Pontiac
🢒
2004
🢒
Vibe - FWD
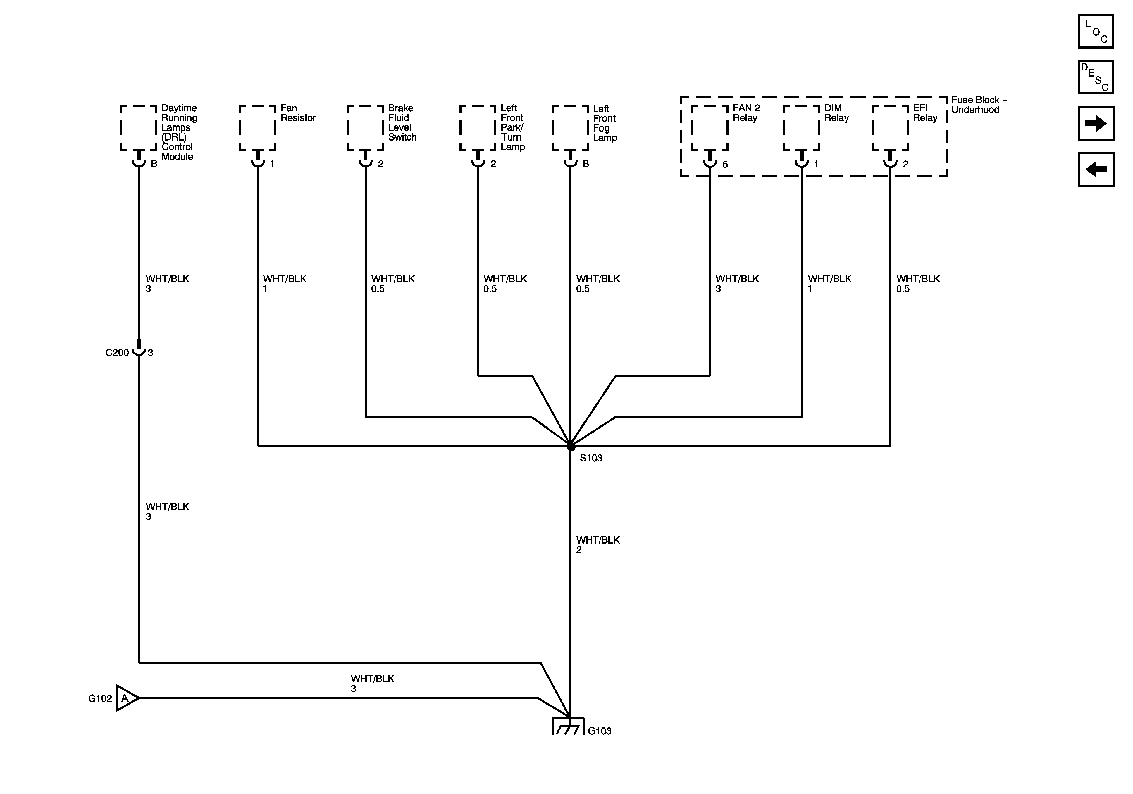
🢒 G103
G103
G103
Master Electrical Component List
G104
G100, G101 and G102