GM Service Manual Online
For 1990-2009 cars only
Makes
🢒
Pontiac
🢒
2004
🢒
Vibe - FWD
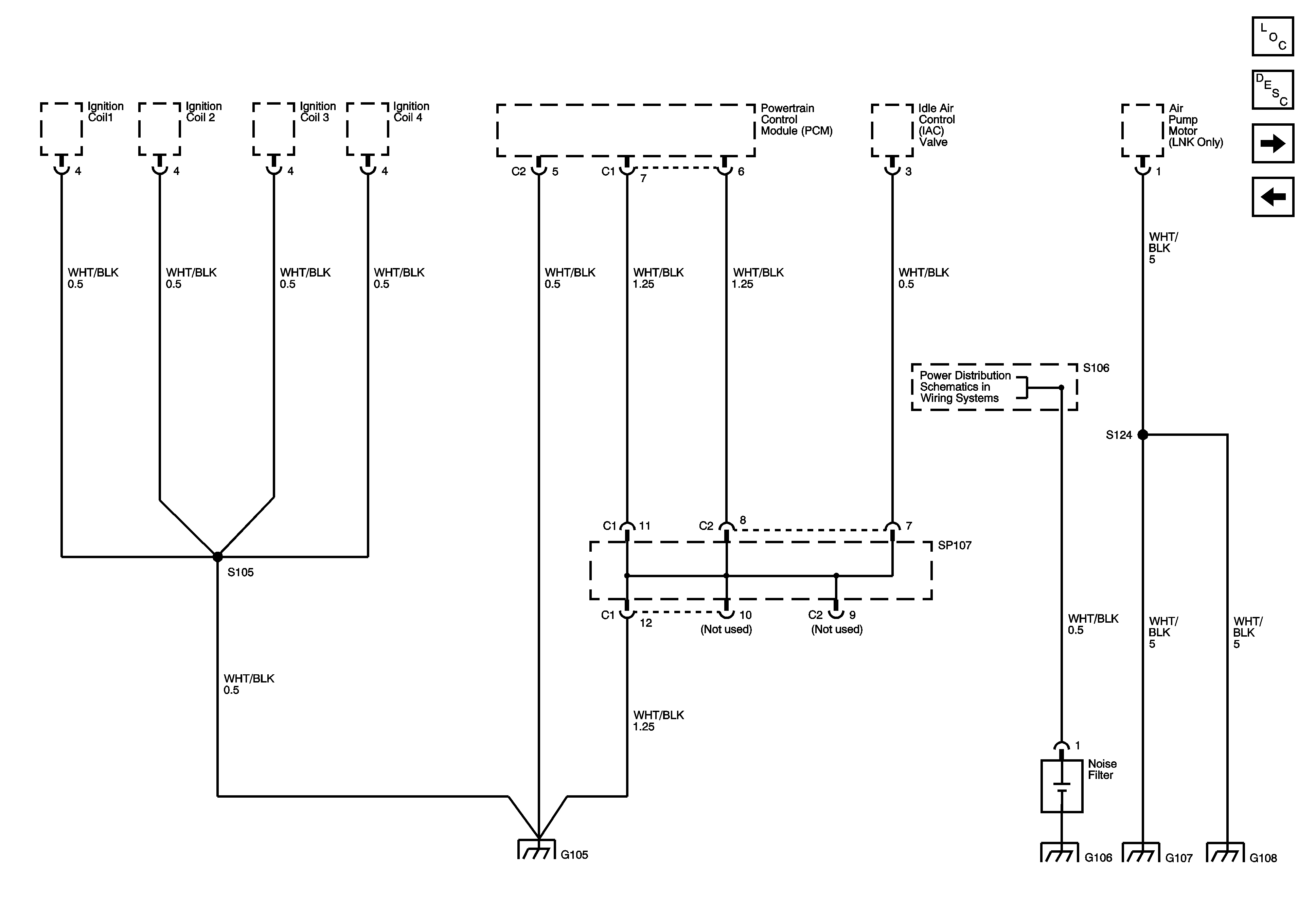
🢒 G105, G106 and G107
G105, G106 and G107
G105, G106 and G107
Master Electrical Component List
SP200 and G200
G104