GM Service Manual Online
For 1990-2009 cars only
Makes
🢒
Pontiac
🢒
2004
🢒
Vibe - FWD
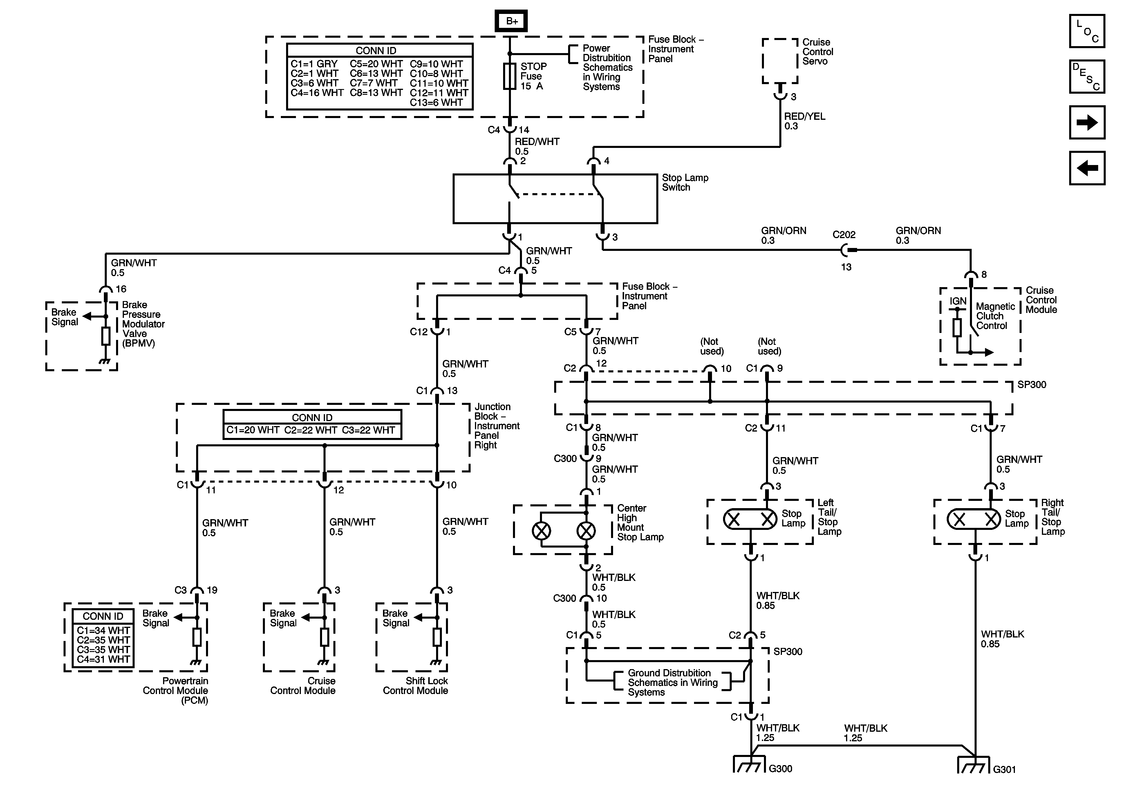
🢒 Stoplamps
Stoplamps
Stoplamps
Master Electrical Component List
Exterior Lighting Systems Description and Operation
Back Up Lamps
Turn Indicators and Lamps
Power, AM 1, Door, Tail, P/Point, ECU-B, Stop, OBD, INV Fuses
SP300