GM Service Manual Online
For 1990-2009 cars only
Makes
🢒
Pontiac
🢒
2004
🢒
Vibe - FWD
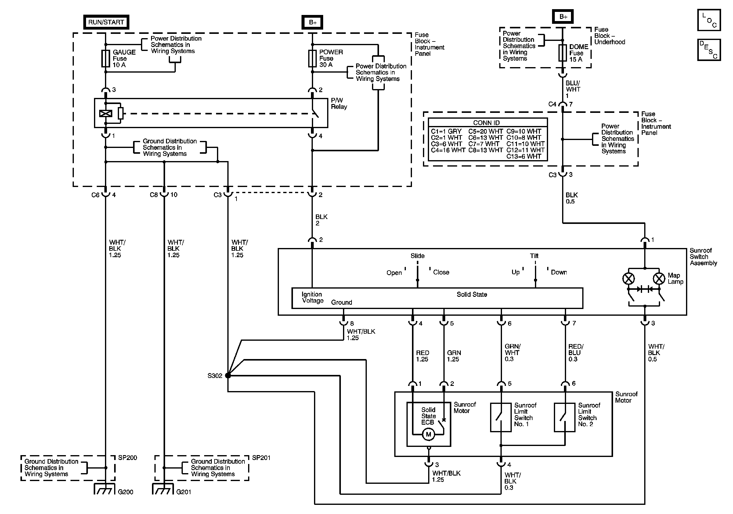
🢒 Sunroof Schematic
Sunroof Schematic
Master Electrical Component List
Sunroof Description and Operation
Wash, RR Wip, Wiper, ECU-IG, Gauge, Heater, Def Fuses
Fuse Block-Instrument Panel
SP201 and G201
SP200 and G200
Power, AM 1, Door, Tail, P/Point, ECU-B, Stop, OBD, INV Fuses
Horn, Dome, Main, Amp Fuses