GM Service Manual Online
For 1990-2009 cars only
Makes
🢒
Pontiac
🢒
2004
🢒
Vibe - FWD
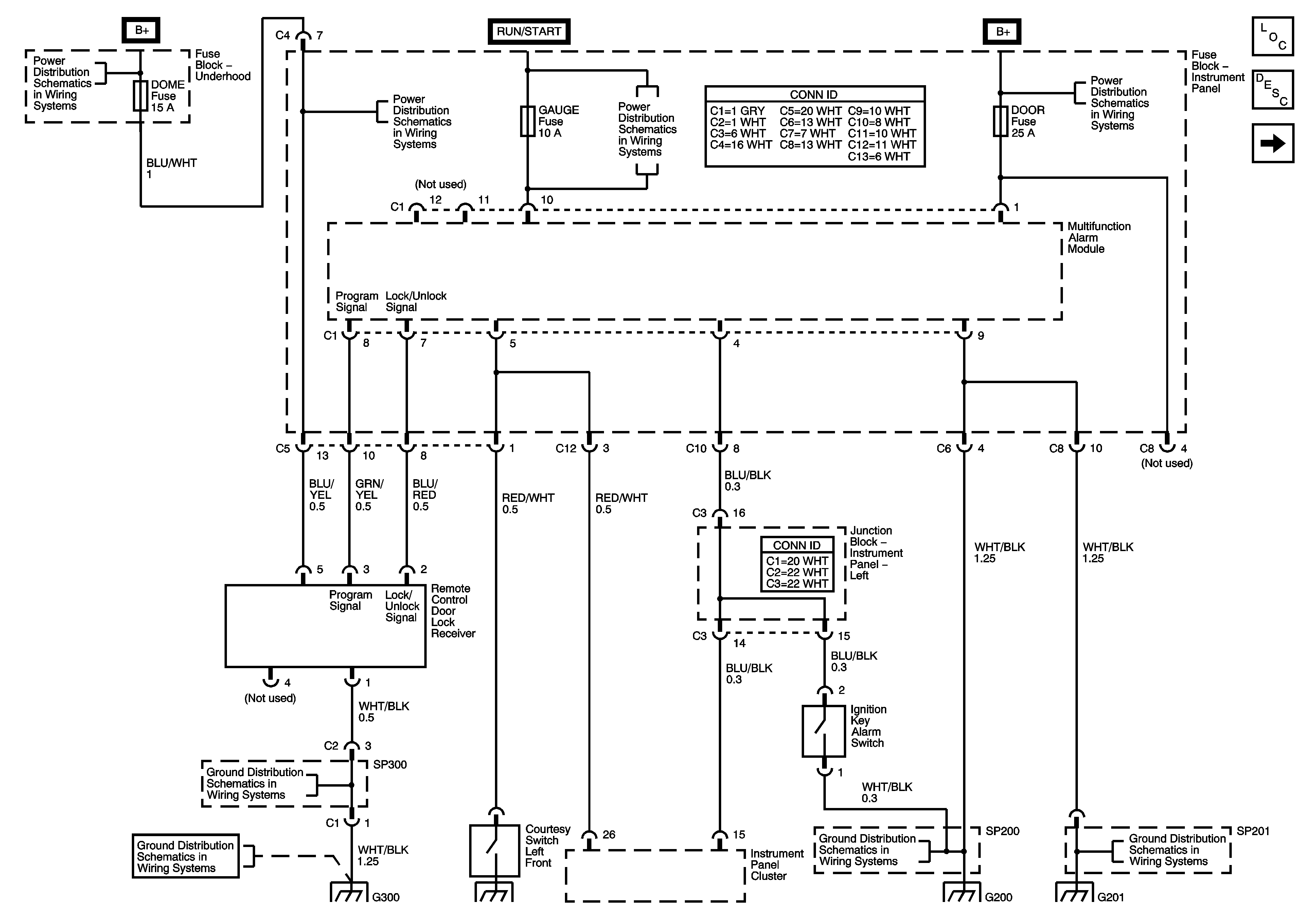
🢒 Remote Control Door Lock Receiver and Multifunction Alarm Module
Remote Control Door Lock Receiver and Multifunction Alarm Module
Remote Control Door Lock Receiver and Multifunction Alarm Module
Master Electrical Component List
Keyless Entry System Description and Operation
Multifunction Alarm Module, Rear Door Lock, Glass Hatch and Tailgate Actuators
Horn, Dome, Main, Amp Fuses
Horn, Dome, Main, Amp Fuses
Wash, RR Wip, Wiper, ECU-IG, Gauge, Heater, Def Fuses
Power, AM 1, Door, Tail, P/Point, ECU-B, Stop, OBD, INV Fuses
G202, G300, G301 and G302
SP300
SP200 and G200
SP201 and G201