GM Service Manual Online
For 1990-2009 cars only
Makes
🢒
Pontiac
🢒
2005
🢒
Vibe - FWD
🢒
Body
🢒
Instrument Panel, Gages, and Console
🢒 Audible Warnings Schematics
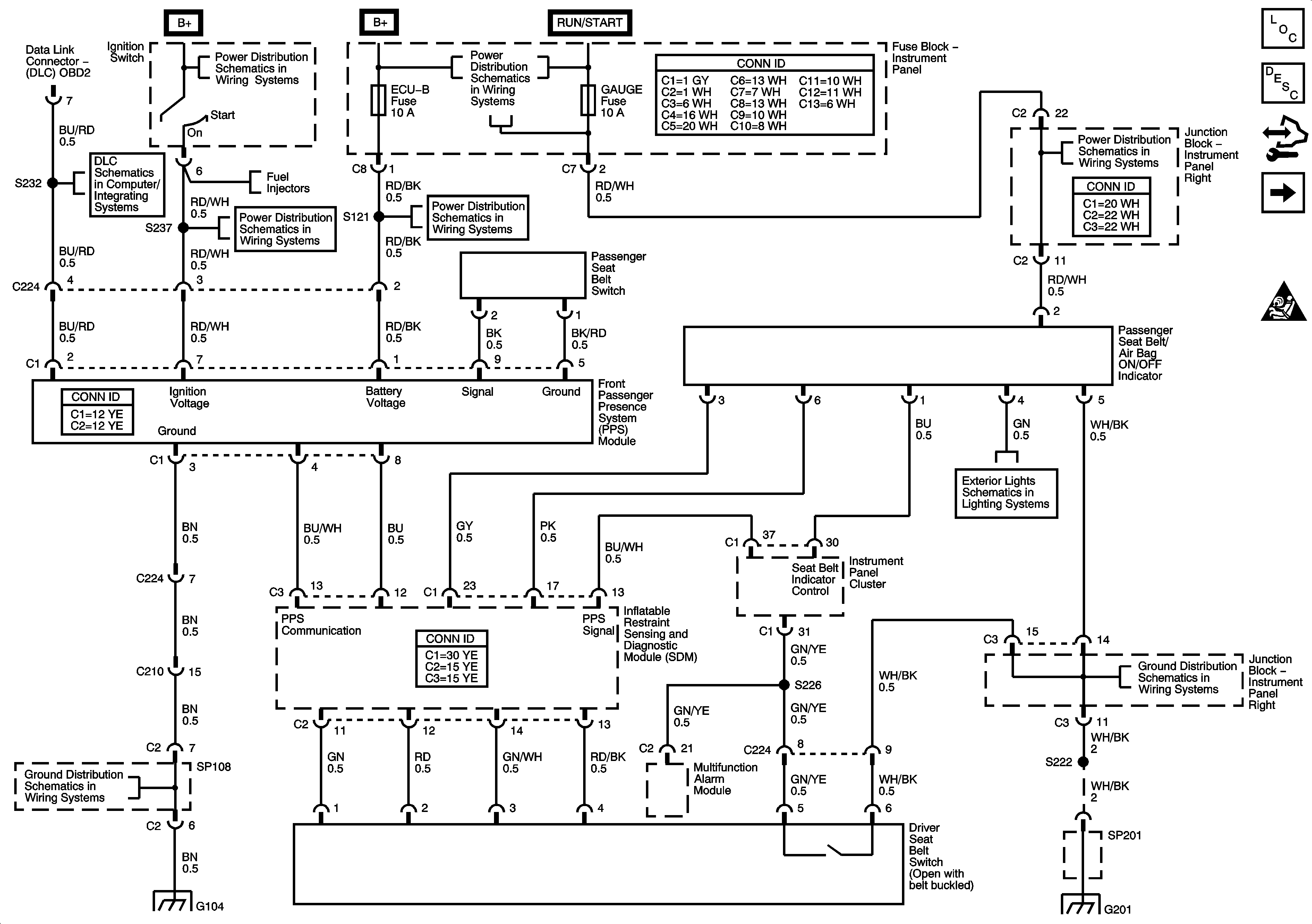
Figure
1:
Seat Belt Warning Indicator
Master Electrical Component List
Audible Warnings Description and Operation
Control Module References
Door Open Warning Indicator
SIR Caution for Zoning
Power, AM 1, Door, Tail, P/Point, ECU-B, Stop, OBD, INV, Fuses
Wash, RR Wip, Wiper, ECU-IG, Gauge, Heater, DEF Fuses
Data Link Connector - 1 of 3
Power, AM 1, Door, Tail, P/Point, ECU-B, Stop, OBD, INV, Fuses
Ignition Switch (2 of 2)
Ignition Switch (2 of 2)
Junction Block - Instrument Panel Right
SP107, SP108, G104
SP107, SP108, G104
Illumination Lamps
Junction Block - Instrument Panel Right
SP201 and G201
Figure
2:
Door Open Warning Indicator
Master Electrical Component List
Audible Warnings Description and Operation
Control Module References
Headlamps ON, Ignition Key, Reverse Warning Indicators
Seat Belt Warning Indicator
SIR Caution for Zoning
Horn, Dome, Main, Amp, Onstar Fuses
Horn, Dome, Main, Amp, Onstar Fuses
Horn, Dome, Main, Amp, Onstar Fuses
High Beam, Door Open, Fuel Indicators
Rear Wiper System With Prewash Function
SP400
G202, G300, G301, G302
Figure
3:
Headlamps ON, Ignition Key, Reverse Warning Indicators
Master Electrical Component List
Audible Warnings Description and Operation
Control Module References
Door Open Warning Indicator
SIR Caution for Zoning
SP201 and G201
Tail Relay, Turn Signal/Headlamp Switch
Back Up Lamps