GM Service Manual Online
For 1990-2009 cars only
Figure 1:

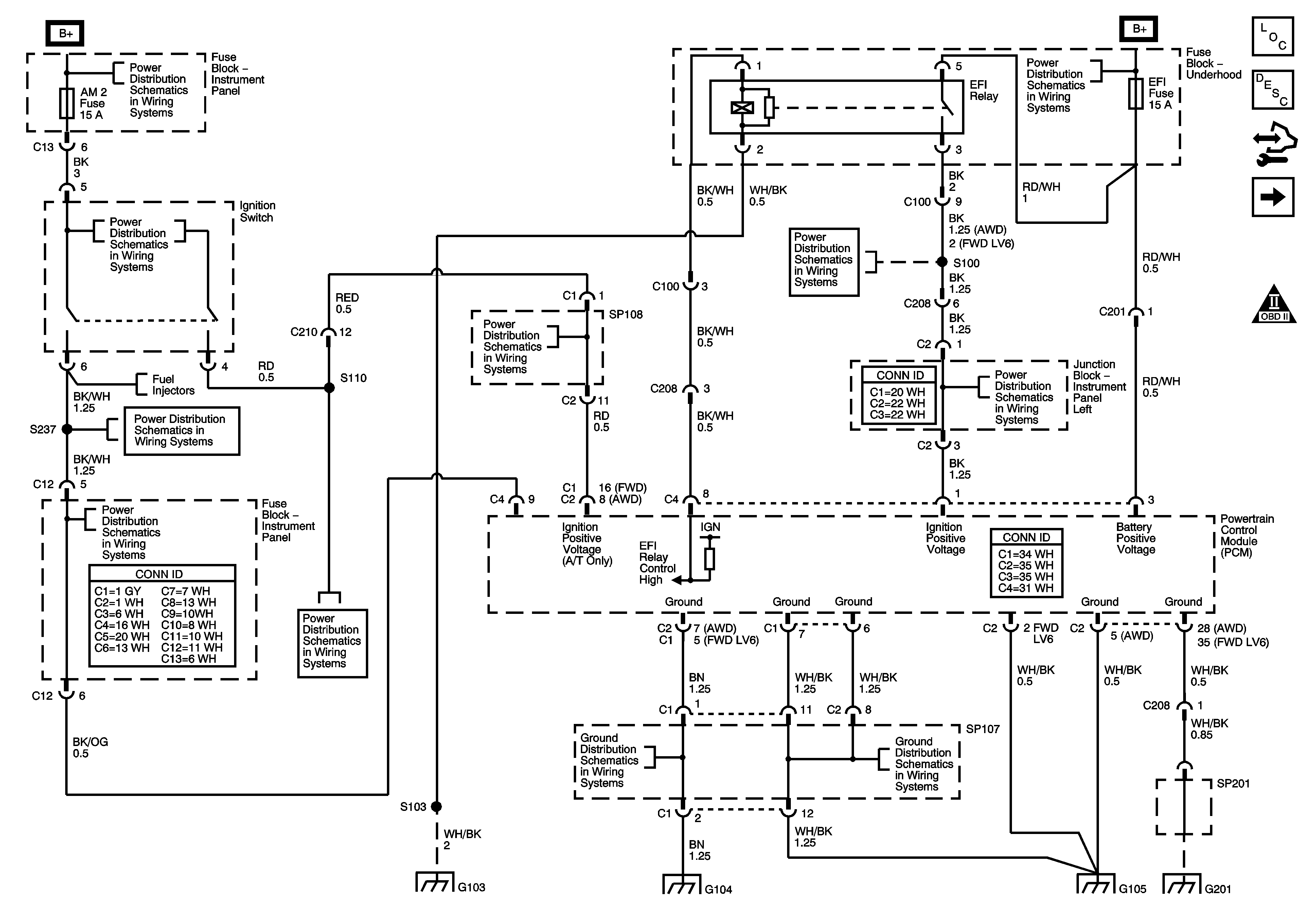
Powertrain Control Module (PCM) Power and Ground


Object Number: 1422196  Size: FS
Master Electrical Component List
Transmission General Description
Control Module References
Park/Neutral Position (PNP) Switch
OBD II Symbol Description Notice
Horn, Dome, Main, Amp, Onstar Fuses
Ignition Switch (1 of 2)
Ignition Switch (2 of 2)
Ignition Switch (1 of 2)
S103 and G103
Ignition Switch (1 of 2)
S100
Air Pump, ETCS, Head, Alt S, EFI, EFI 2, Hazard Fuses
S100
SP107, SP108, G104
SP107, SP108, G104
S105, SP107, G105, G106, G107, G108
S105, SP107, G105, G106, G107, G108
SP201 and G201
Figure 2:

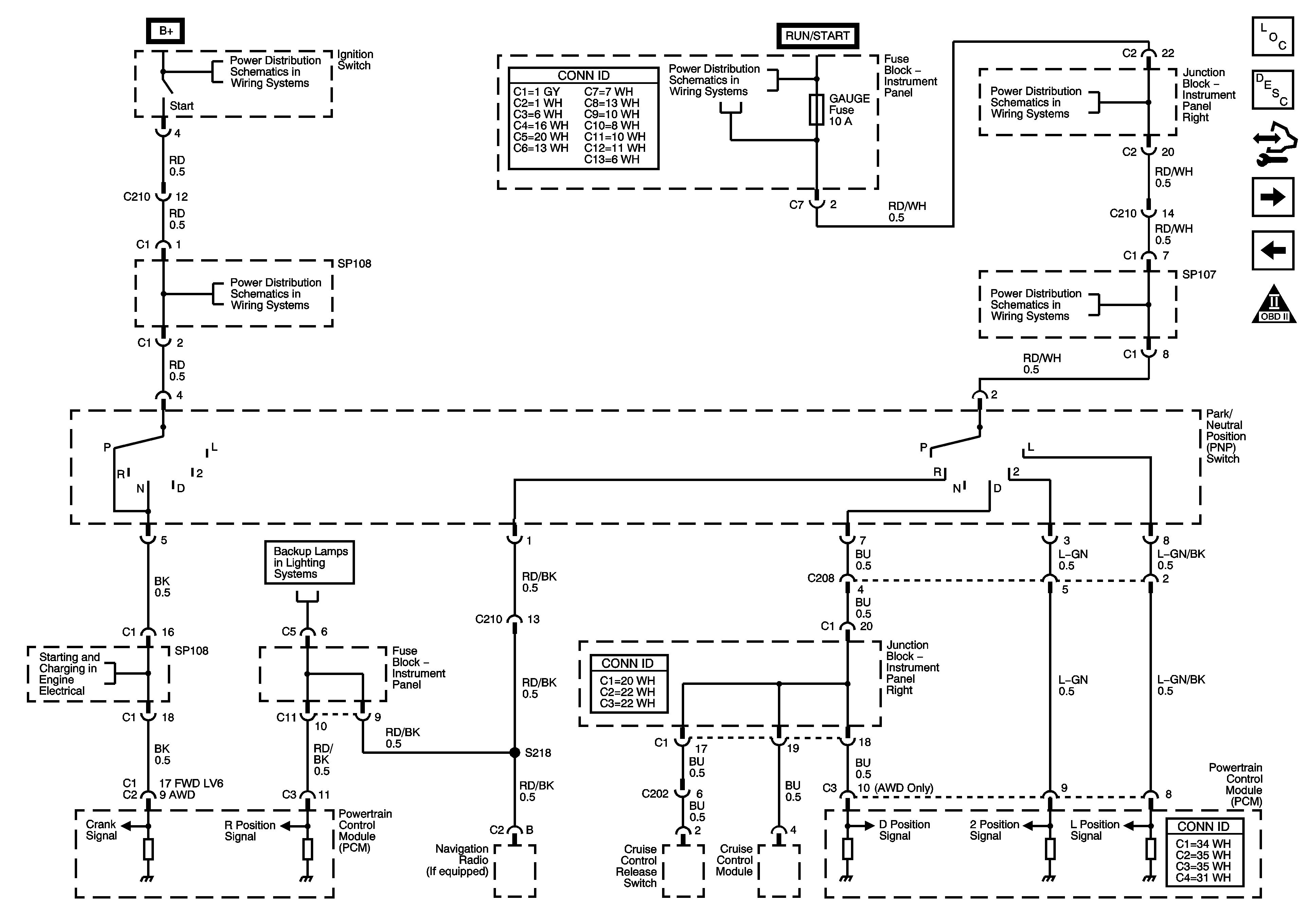
Park/Neutral Position (PNP) Switch


Object Number: 1422211  Size: FS
Master Electrical Component List
Transmission General Description
Control Module References
Park/Neutral Position Switch, Brake Pressure Modulator Valve (BPMV), Multifunction Alarm Module
Powertrain Control Module (PCM) Power and Ground
OBD II Symbol Description Notice
Ignition Switch (1 of 2)
Ignition Switch (1 of 2)
Starting System
Back Up Lamps
Wash, RR Wip, Wiper, ECU-IG, Gauge, Heater, DEF Fuses
Junction Block - Instrument Panel Right
Junction Block - Instrument Panel Right
OBD II Symbol Description Notice
Figure 3:

Park/Neutral Position Switch, Brake Pressure Modulator Valve (BPMV), Multifunction Alarm Module


Object Number: 1481319  Size: FS
Master Electrical Component List
Control Module References
Automatic Transaxle Controls FWD
Park/Neutral Position (PNP) Switch
OBD II Symbol Description Notice
Figure 4:

Automatic Transaxle Controls (FWD)


Object Number: 1422223  Size: FS
Master Electrical Component List
Transmission General Description
Control Module References
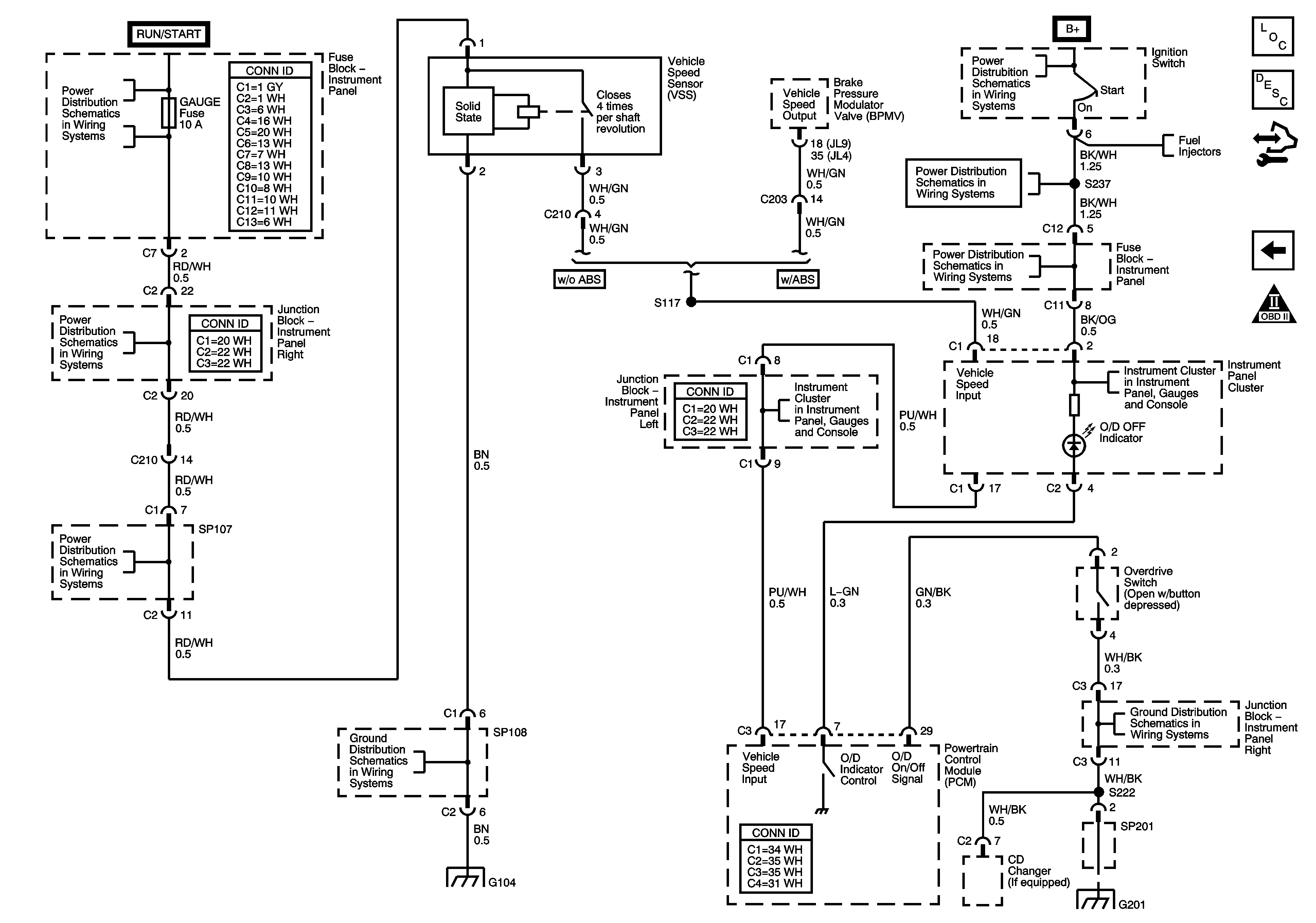
Vehicle Speed Signal and Overdrive Switch
Park/Neutral Position Switch, Brake Pressure Modulator Valve (BPMV), Multifunction Alarm Module
OBD II Symbol Description Notice
Figure 5:

Vehicle Speed Signal and Overdrive Switch


Object Number: 1424553  Size: FS
Master Electrical Component List
Transmission General Description
Control Module References
Automatic Transaxle Controls FWD
OBD II Symbol Description Notice
Wash, RR Wip, Wiper, ECU-IG, Gauge, Heater, DEF Fuses
Junction Block - Instrument Panel Right
Junction Block - Instrument Panel Right
SP107, SP108, G104
SP107, SP108, G104
Brake, ABS, Turn Indicators
Charge, Air Bag, Malfunction, O/D OFF, Cruise Indicators
Ignition Switch (2 of 2)
Ignition Switch (2 of 2)
SP201 and G201