GM Service Manual Online
For 1990-2009 cars only
Figure 1:

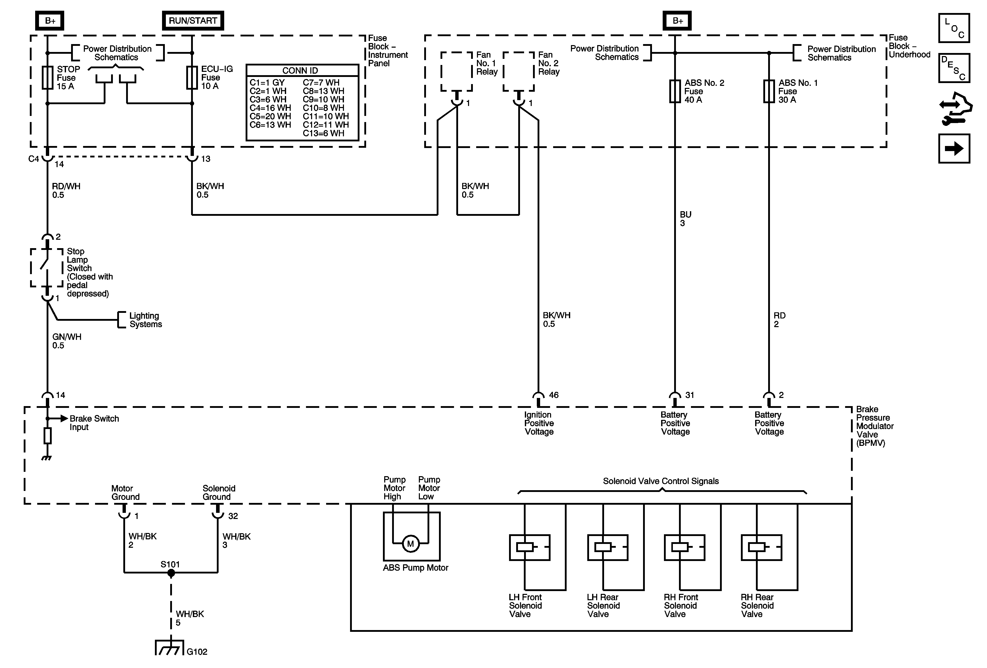
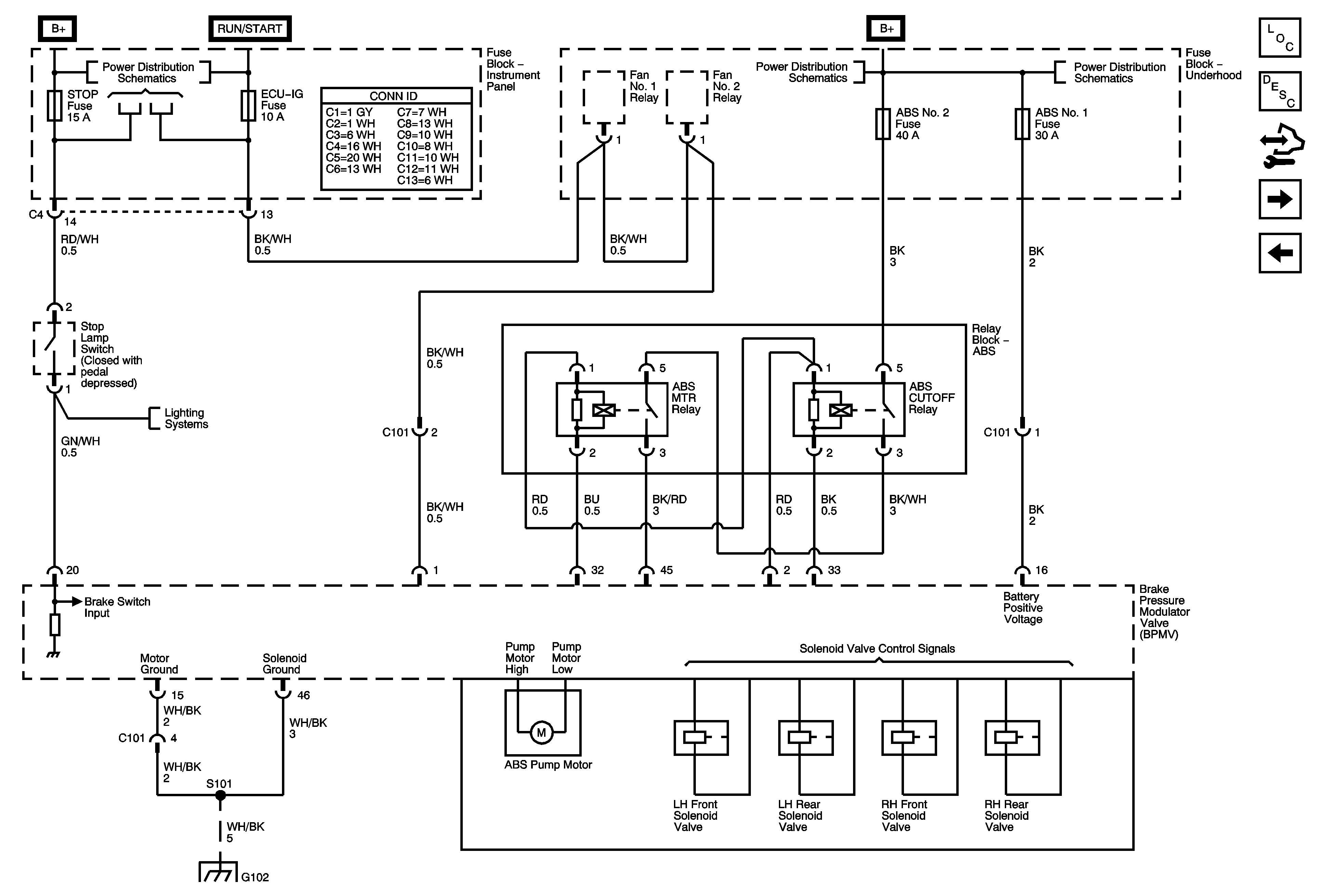
Brake Pressure Modulator Valve (BPMV) Power and Ground - JL9


Object Number: 1424567  Size: FS
Master Electrical Component List
ABS Description and Operation
Control Module References
Brake Pressure Modulator Valve (BPMV) Power and Ground (JL4)
Power, AM 1, Door, Tail, P/Point, ECU-B, Stop, OBD, INV, Fuses
Wash, RR Wip, Wiper, ECU-IG, Gauge, Heater, DEF Fuses
Stop Lamps
G100, G101, G102
Alt, ABS 1 and 2, RDI Fan, Fog Fuses
Alt, ABS 1 and 2, RDI Fan, Fog Fuses
Figure 2:

Brake Pressure Modulator Valve (BPMV) Power and Ground - JL4


Object Number: 1471193  Size: FS
Master Electrical Component List
ABS Description and Operation
Control Module References
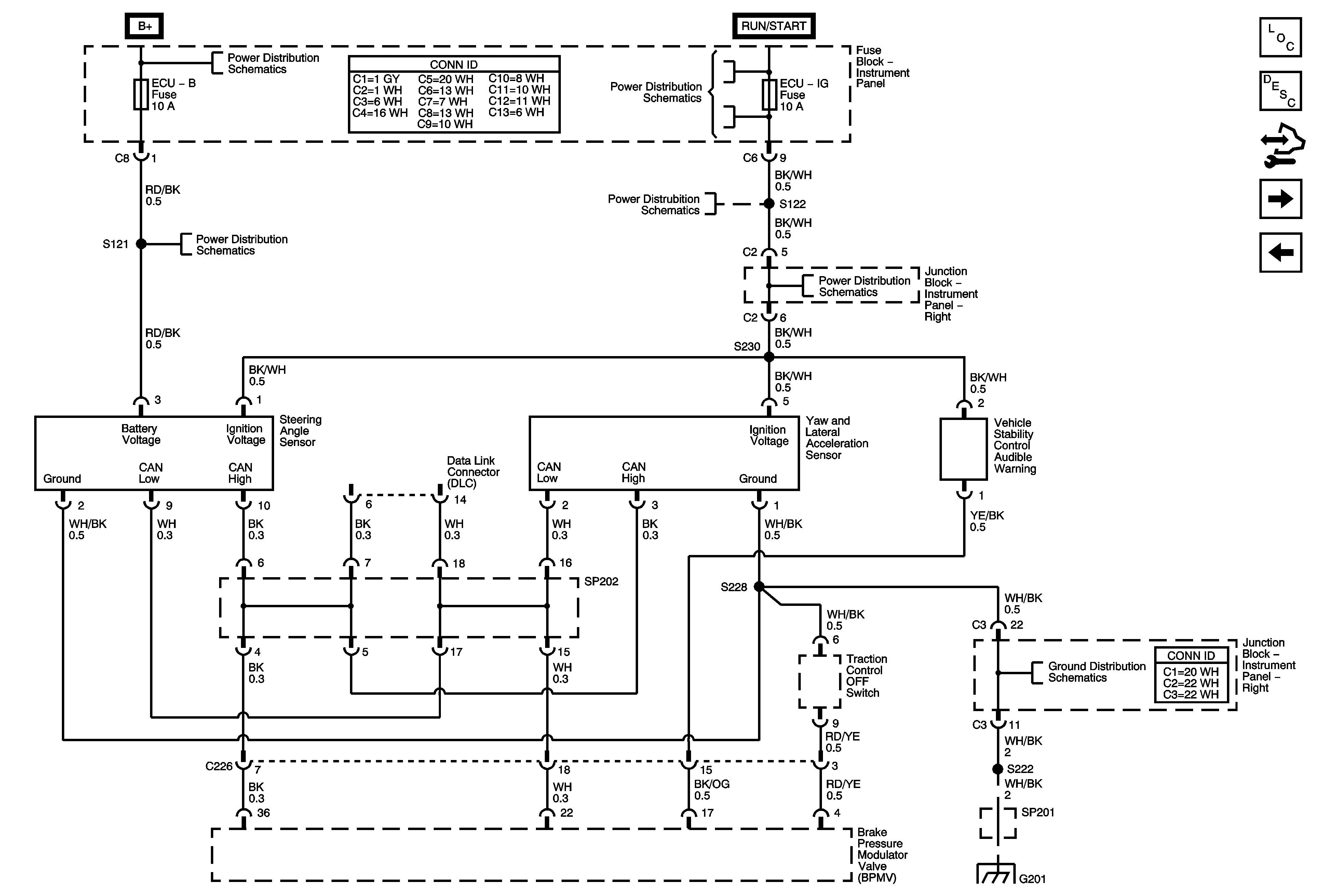
Brake Pressure Modulator Valve (BPMV) Steering Angle Sensor, Yaw and Lateral Acceleration Sensor (JL4)
Brake Pressure Modulator Valve (BPMV) Power and Ground (JL9)
Power, AM 1, Door, Tail, P/Point, ECU-B, Stop, OBD, INV, Fuses
Wash, RR Wip, Wiper, ECU-IG, Gauge, Heater, DEF Fuses
Stop Lamps
G100, G101, G102
Alt, ABS 1 and 2, RDI Fan, Fog Fuses
Alt, ABS 1 and 2, RDI Fan, Fog Fuses
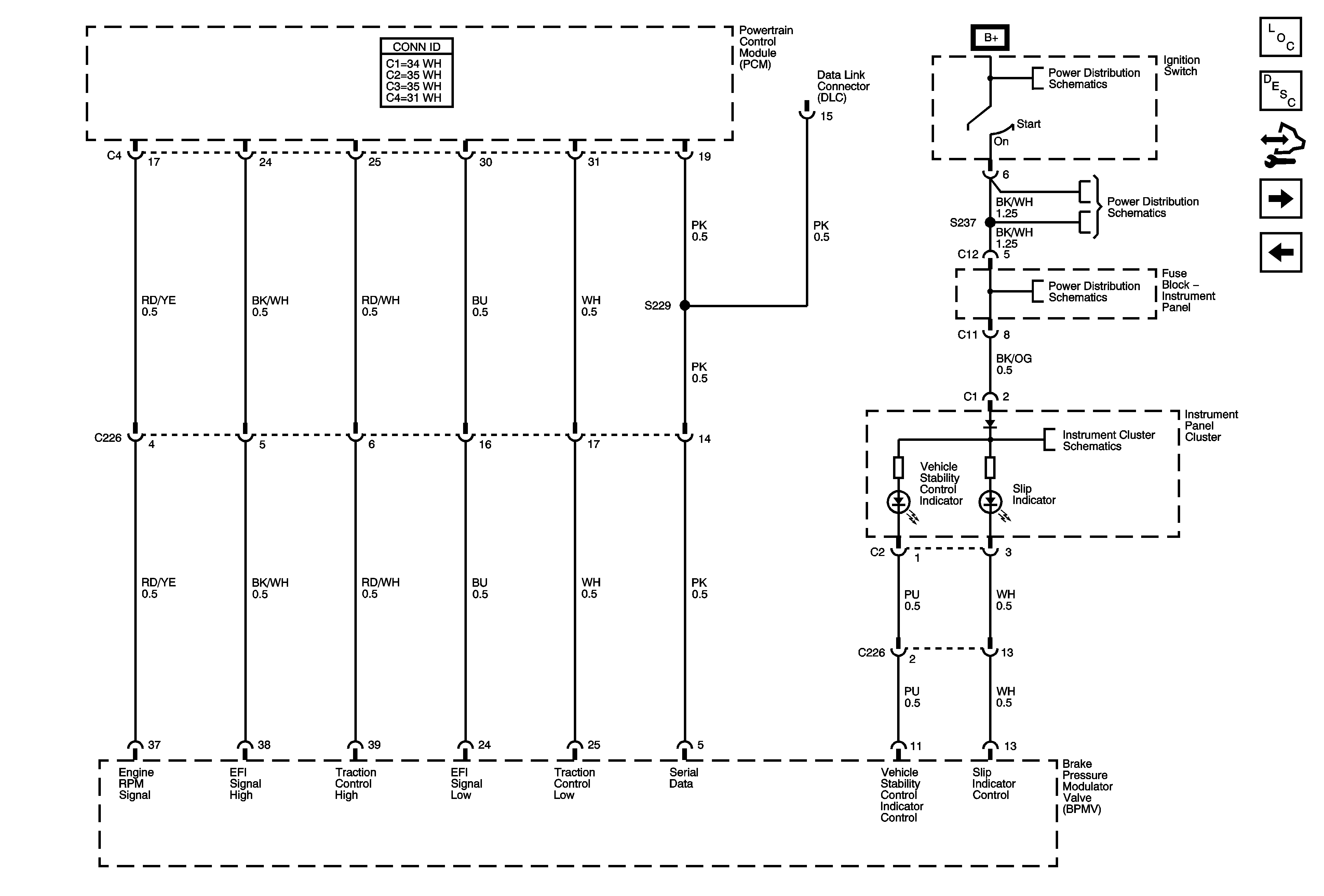
Figure 3:

Brake Pressure Modulator Valve (BPMV), Steering Angle Sensor, Yaw and Lateral Acceleration Sensor- JL4


Object Number: 1471198  Size: FS
Master Electrical Component List
ABS Description and Operation
Control Module References
Brake Pressure Modulator Valve (BPMV) Powertrain Control Module (PCM)
Brake Pressure Modulator Valve (BPMV) Power and Ground (JL4)
Power, AM 1, Door, Tail, P/Point, ECU-B, Stop, OBD, INV, Fuses
Power, AM 1, Door, Tail, P/Point, ECU-B, Stop, OBD, INV, Fuses
Wash, RR Wip, Wiper, ECU-IG, Gauge, Heater, DEF Fuses
Wash, RR Wip, Wiper, ECU-IG, Gauge, Heater, DEF Fuses
P/W Relay, SP109
Junction Block - Instrument Panel Right
SP201 and G201
Figure 4:

Brake Pressure Modulator Valve (BPMV), Powertrain Control Module (PCM) - JL4


Object Number: 1471199  Size: FS
Master Electrical Component List
ABS Description and Operation
Control Module References
Park/Neutral Position Switch, Brake Pressure Modulator Valve (BPMV), Multifunction Alarm Module
Brake Pressure Modulator Valve (BPMV) Steering Angle Sensor, Yaw and Lateral Acceleration Sensor (JL4)
Ignition Switch (2 of 2)
Ignition Switch (2 of 2)
Charge, Air Bag, Malfunction, O/D OFF, Cruise Indicators
Figure 5:

Park/Neutral Position Switch, Brake Pressure Modulator Valve (BPMV), Multifunction Alarm Module


Object Number: 1481319  Size: FS
Master Electrical Component List
ABS Description and Operation
Control Module References
Brake Pressure Modulator Valve (BPMV), Tire Pressure Monitor Switch, Data Link Connector (DLC)
Brake Pressure Modulator Valve (BPMV) Powertrain Control Module (PCM)
OBD II Symbol Description Notice
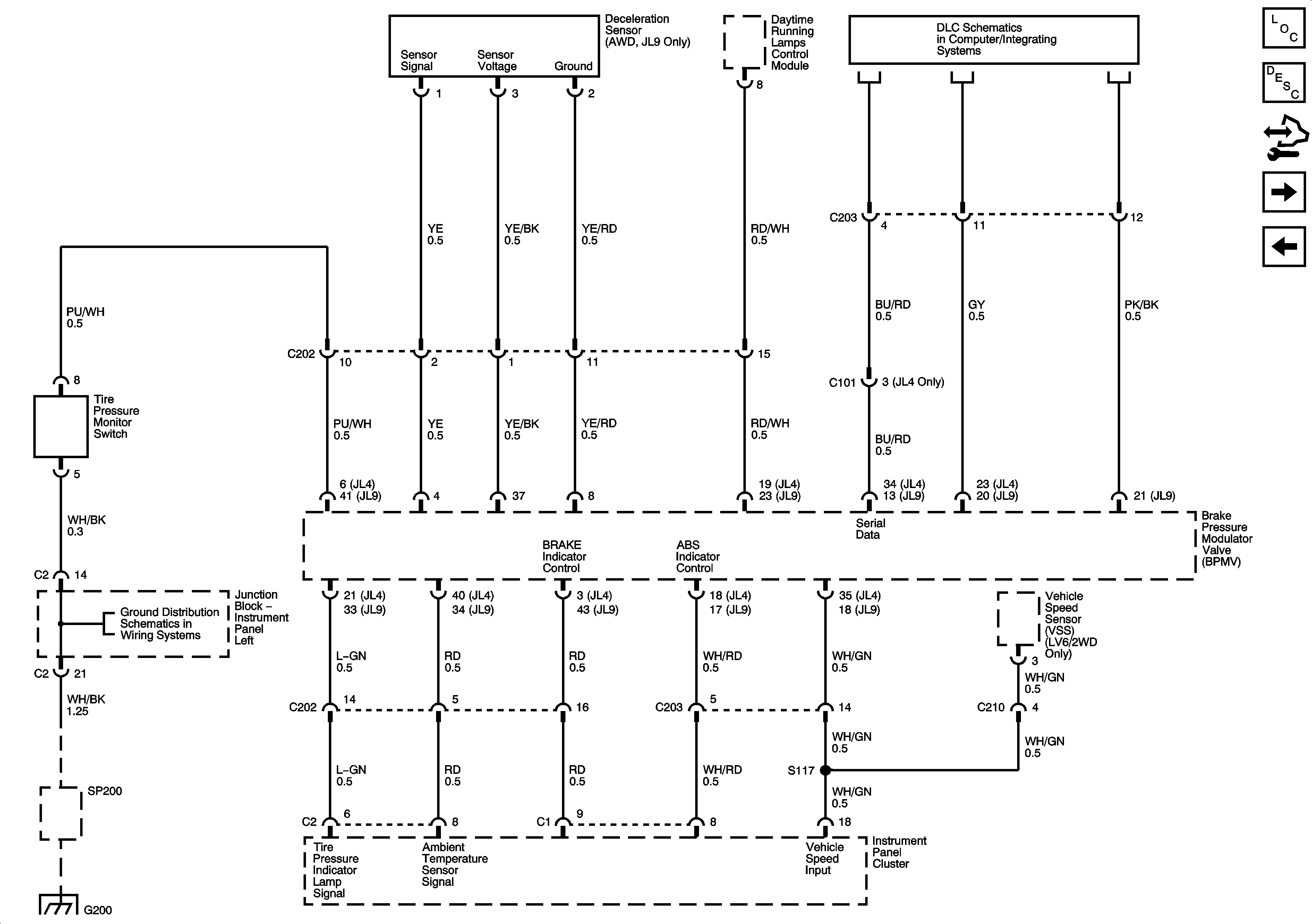
Figure 6:

Brake Pressure Modulator Valve (BPMV), Tire Pressure Monitor Switch, Data Link Connector (DLC), Deceleration Sensor, Instrument Panel Cluster (IPC)


Object Number: 1424569  Size: FS
Master Electrical Component List
ABS Description and Operation
Control Module References
Wheel Speed Sensors
Junction Block - Instrument Panel Left
SP201 and G201
Data Link Connector - 1 of 3
Figure 7:

Wheel Speed Sensors


Object Number: 1424574  Size: FS
Master Electrical Component List
ABS Description and Operation
Control Module References
Brake Pressure Modulator Valve (BPMV), Tire Pressure Monitor Switch, Data Link Connector (DLC)