GM Service Manual Online
For 1990-2009 cars only
Makes
🢒
Pontiac
🢒
2005
🢒
Vibe - FWD
🢒
Transmission/Transaxle
🢒
Manual Transmission - MTN
🢒 Manual Transmission Schematics
Figure
1:
Start Relay, Clutch Pedal Position Switch
Master Electrical Component List
Transmission General Description
Control Module References
Vehicle Speed Signal
OBD II Symbol Description Notice
Horn, Dome, Main, Amp, Onstar Fuses
Horn, Dome, Main, Amp, Onstar Fuses
Fuse Block - Instrument Panel
SP201 and G201
Figure
2:
Vehicle Speed Signal
Master Electrical Component List
Transmission General Description
Control Module References
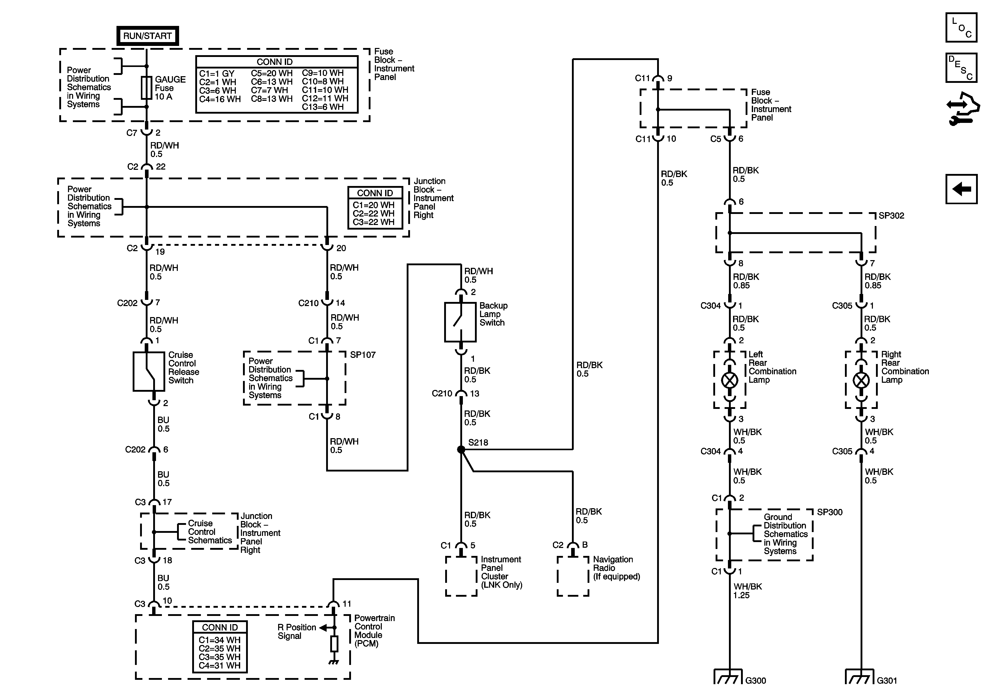
Cruise Control Release Switch, Backup Lamp switch
Start Relay, Clutch Pedal Position Switch
OBD II Symbol Description Notice
Wash, RR Wip, Wiper, ECU-IG, Gauge, Heater, DEF Fuses
Junction Block - Instrument Panel Right
Junction Block - Instrument Panel Right
SP107, SP108, G104
SP107, SP108, G104
Fuel Gauge, Seat Belt Low Fuel Indicators, Passenger Sea Belt Warning Lamp
Horn, Dome, Main, Amp, Onstar Fuses
Horn, Dome, Main, Amp, Onstar Fuses
Horn, Dome, Main, Amp, Onstar Fuses
High Beam, Door Open, Fuel Indicators
Figure
3:
Cruise Control Release Switch, Backup Lamp Switch
Master Electrical Component List
Transmission General Description
Control Module References
Vehicle Speed Signal
Wash, RR Wip, Wiper, ECU-IG, Gauge, Heater, DEF Fuses
Wash, RR Wip, Wiper, ECU-IG, Gauge, Heater, DEF Fuses
Powertrain Control Module, Cruise Control Release Switch, Cruise Indicator
Junction Block - Instrument Panel Right
SP300
G202, G300, G301, G302
G202, G300, G301, G302