GM Service Manual Online
For 1990-2009 cars only
Makes
🢒
Pontiac
🢒
2005
🢒
Vibe - FWD
🢒
Transmission/Transaxle
🢒
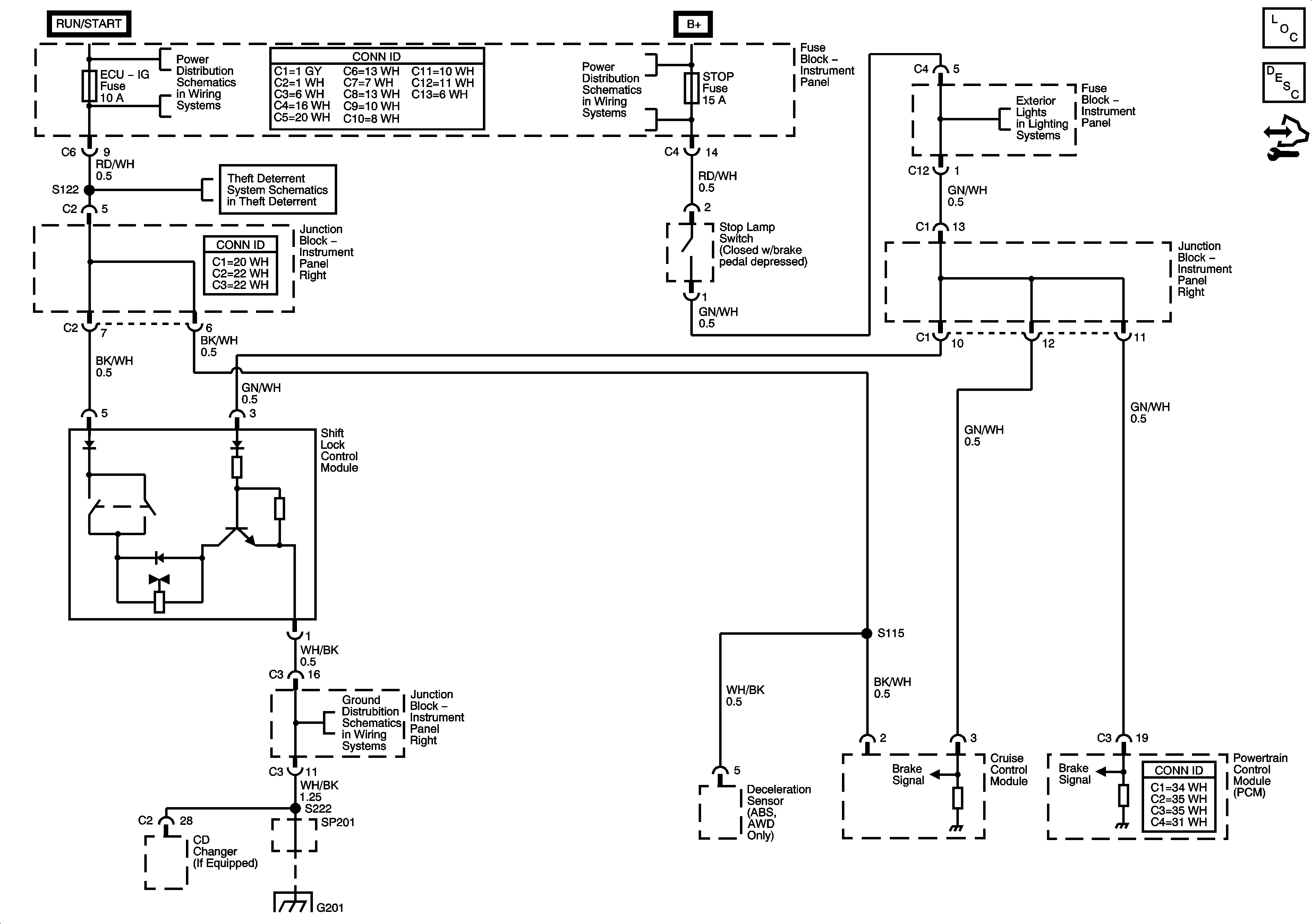
Shift Lock Control
🢒 Shift Lock Control Schematics
Master Electrical Component List
Automatic Transmission Shift Lock Control Description and Operation
Control Module References
Wash, RR Wip, Wiper, ECU-IG, Gauge, Heater, DEF Fuses
heft Deterent Module, Glass Breakage Sensor, Security Indicator
Junction Block - Instrument Panel Right
SP201 and G201
Power, AM 1, Door, Tail, P/Point, ECU-B, Stop, OBD, INV, Fuses
Stop Lamps