GM Service Manual Online
For 1990-2009 cars only
Makes
🢒
Pontiac
🢒
2005
🢒
Vibe - FWD
🢒
HVAC
🢒
HVAC Systems - Manual
🢒 HVAC Schematics
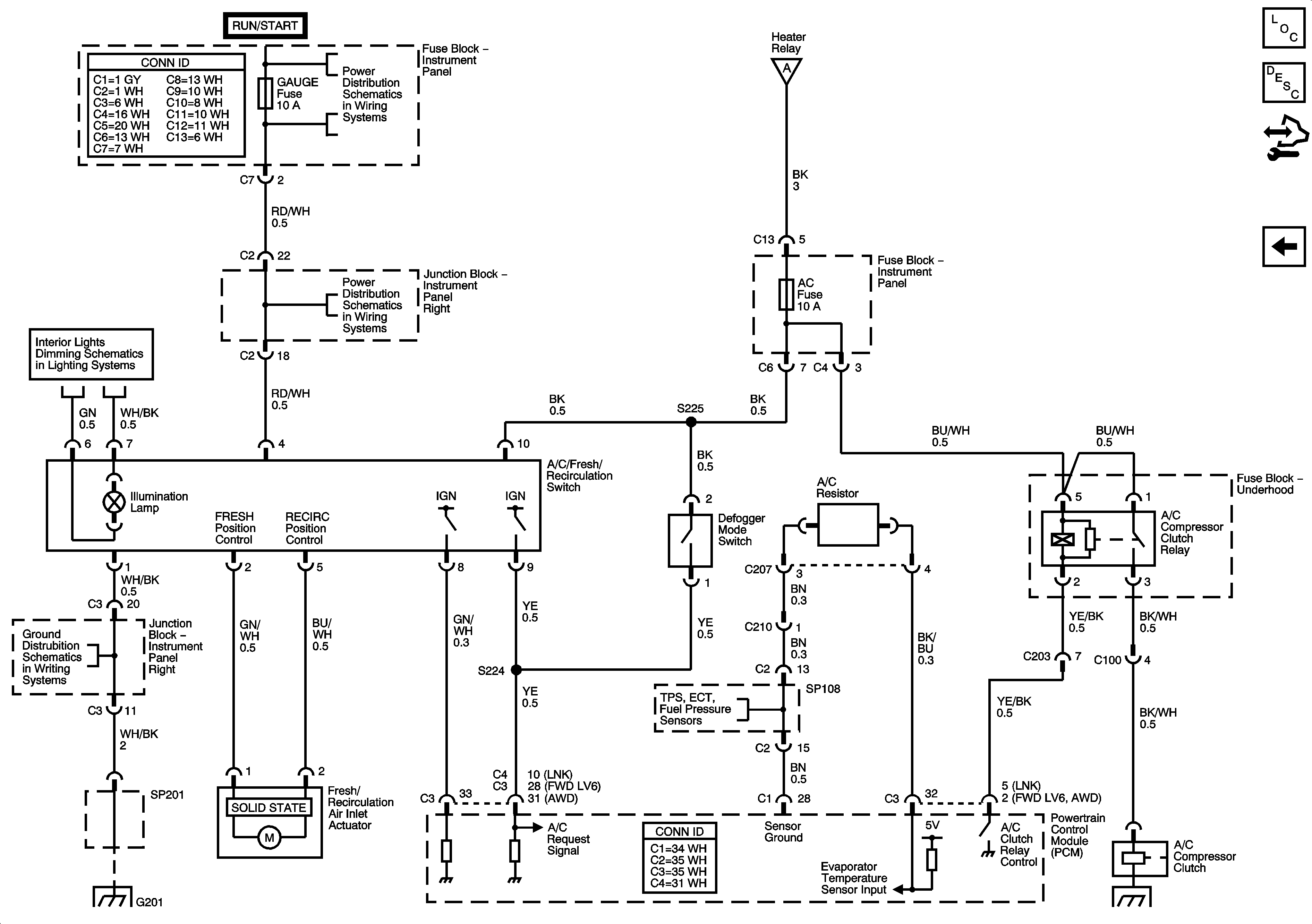
Figure
1:
Blower Controls
Master Electrical Component List
Air Delivery Description and Operation
Control Module References
A/C Compressor Controls
Wash, RR Wip, Wiper, ECU-IG, Gauge, Heater, DEF Fuses
Illumination Lamps
SP201 and G201
Junction Block - Instrument Panel Right
Figure
2:
A/C Compressor Controls
Master Electrical Component List
Air Temperature Description and Operation
Control Module References
Blower Controls
Wash, RR Wip, Wiper, ECU-IG, Gauge, Heater, DEF Fuses
Junction Block - Instrument Panel Right
Illumination Lamps
Junction Block - Instrument Panel Right
SP201 and G201
ECT Sensor, A/C Resistor, EVAP Vacuum Leak Pump, Throttle Actuator Control (TAC) Module FWD
ECT Sensor, A/C Resistor, EVAP Vacuum Leak Pump, Throttle Position (TP) Sensor