GM Service Manual Online
For 1990-2009 cars only
Makes
🢒
Pontiac
🢒
2005
🢒
Vibe - FWD
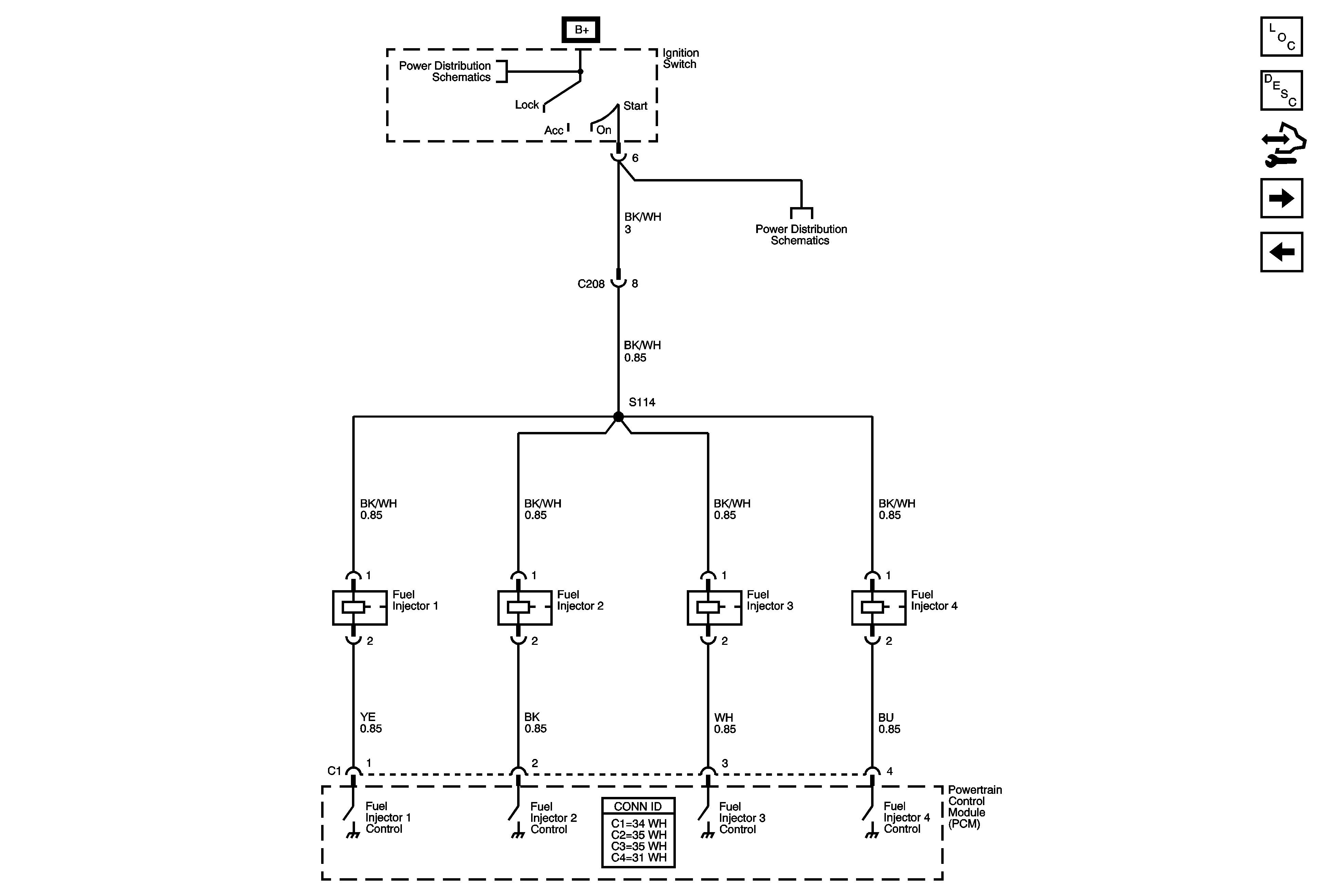
🢒 Fuel Injectors
Fuel Injectors
Fuel Injectors
Master Electrical Component List
Powertrain Control Module Description
Control Module References
Ignition Coils
Fuel Sender Assembly
Air Pump, ETCS, Head, Alt S, EFI, Hazard EFT 2 Fuses
Air Pump, ETCS, Head, Alt S, EFI, Hazard EFT 2 Fuses