GM Service Manual Online
For 1990-2009 cars only
Makes
🢒
Pontiac
🢒
2005
🢒
Vibe - FWD
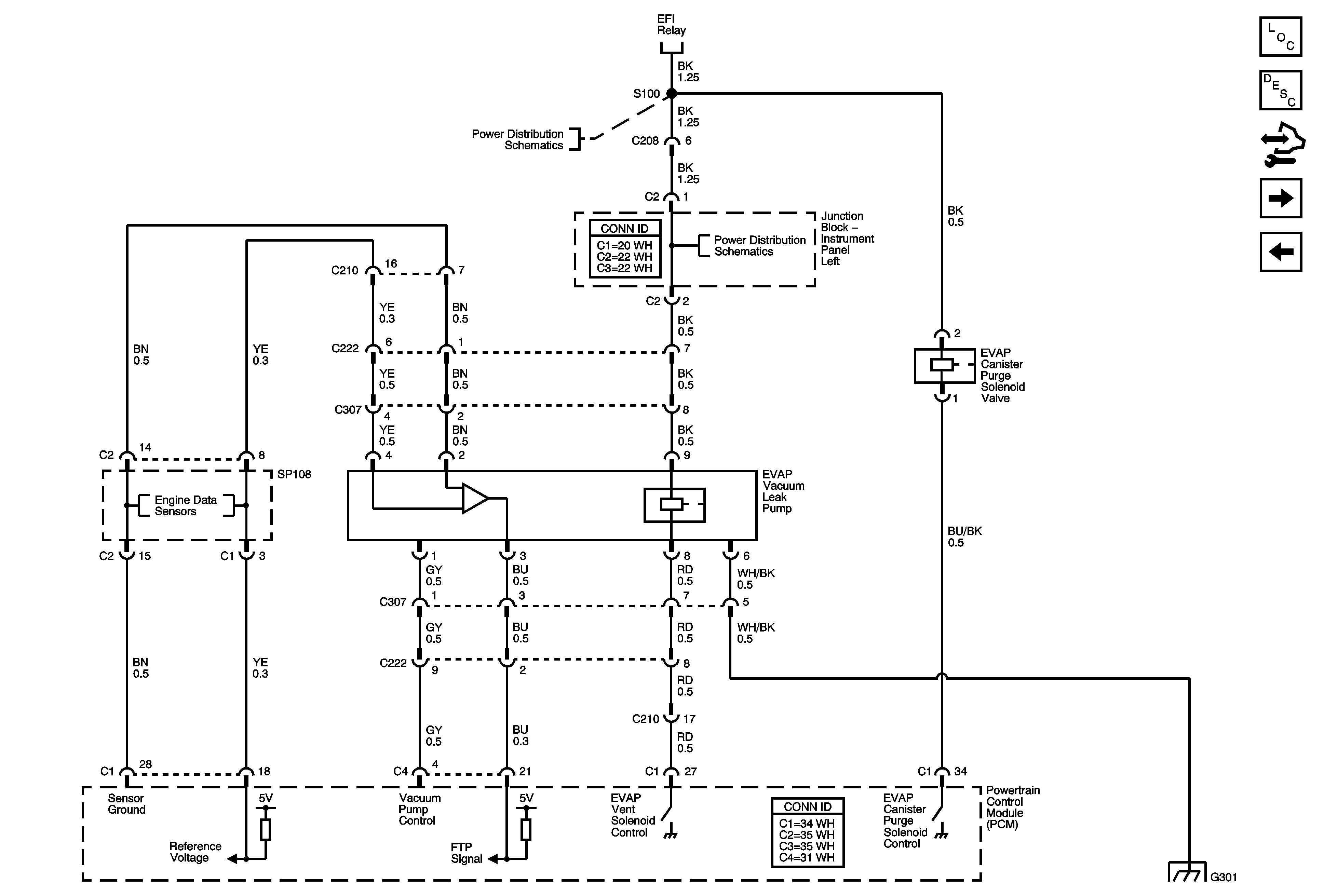
🢒 EVAP System (FWD)
EVAP System (FWD)
EVAP System
Master Electrical Component List
Powertrain Control Module Description
Control Module References
ECT Sensor, Fuel Tank Pressure (FTP) Sensor, TAC Module, A/C Resistor
Accelerator Pedal Position (APP) Sensors
PCM Power and Ground
Air Pump, ETCS, Head, Alt S, EFI, Hazard EFT 2 Fuses
Air Pump, ETCS, Head, Alt S, EFI, Hazard EFT 2 Fuses