GM Service Manual Online
For 1990-2009 cars only
Makes
🢒
Pontiac
🢒
2005
🢒
Vibe - FWD
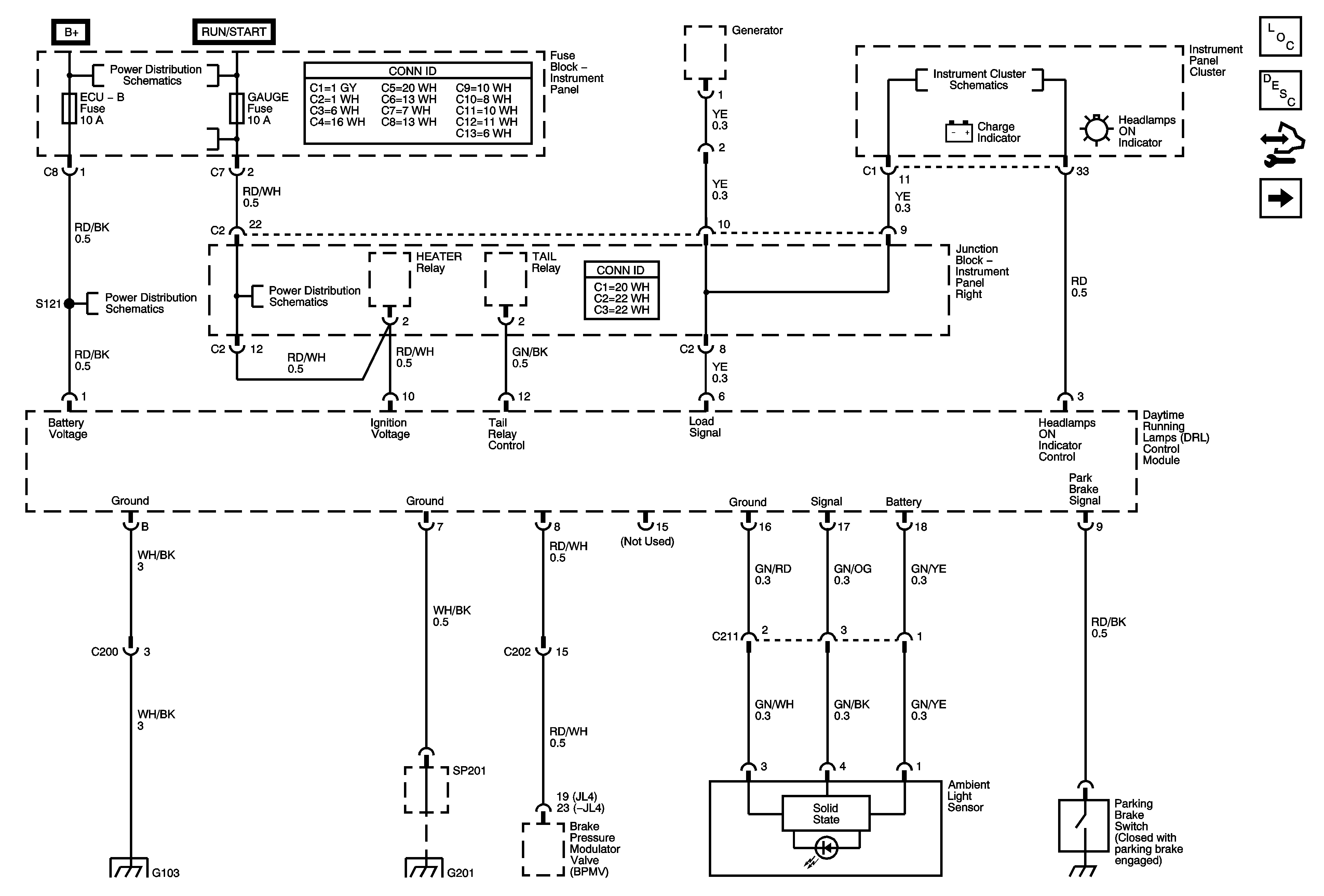
🢒 Daytime Running Lamps (DRL) Control Module Power and Ground, Ambient Light Sensor
Daytime Running Lamps (DRL) Control Module Power and Ground, Ambient Light Sensor
Daytime Running Lamps (DRL) Control Module Power and Ground, Ambient Light Sensor
Master Electrical Component List
Exterior Lighting Systems Description and Operation
Control Module References
Turn Signal/Headlamp Switch
Air Pump, ETCS, Head, Alt S, EFI, Hazard EFT 2 Fuses
Charge, Air Bag, Malfunction, O/D Off, Cruise Indicators
Air Pump, ETCS, Head, Alt S, EFI, Hazard EFT 2 Fuses
Air Pump, ETCS, Head, Alt S, EFI, Hazard EFT 2 Fuses