GM Service Manual Online
For 1990-2009 cars only
Makes
🢒
Pontiac
🢒
2005
🢒
Vibe - FWD
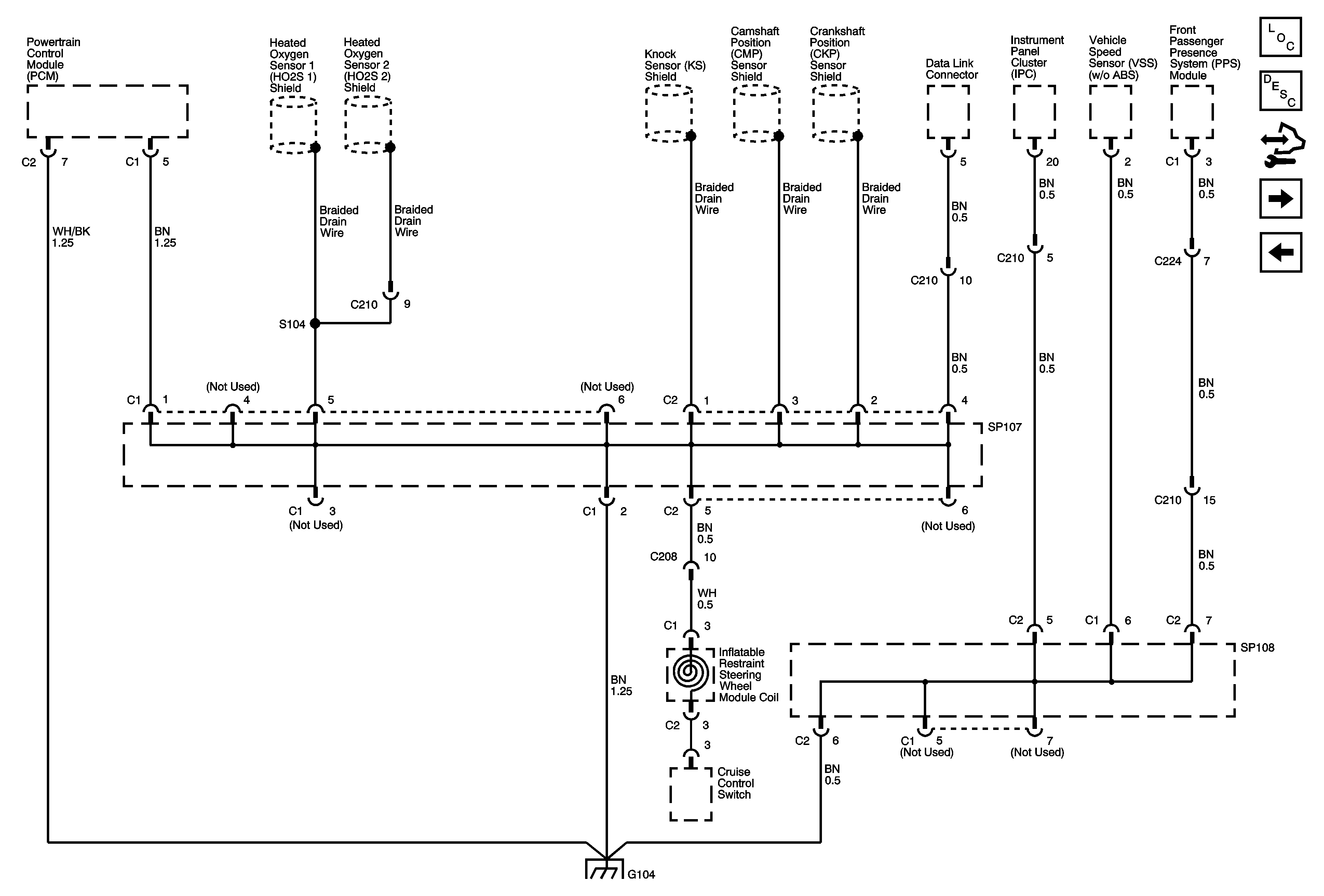
🢒 SP107, SP108, G104
SP107, SP108, G104
SP107, SP108, G104
Master Electrical Component List
Control Module References
S105, G105, G106, G107, G108
S103, G103